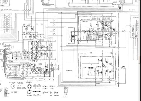
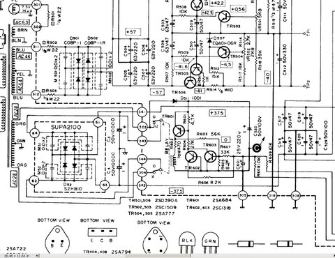
BMV Опубликовано 2 Июня, 2017 в 13:25 Жалоба Поделиться Опубликовано 2 Июня, 2017 в 13:25 Здравствуйте. Не работает усилитель Technics SU-3500 - при включении срабатывает защита и нормально-замкнутые контакты реле RELAY размыкают цепь питания УМ (Усилителя Мощности). Если эти контакты замкнуть (я использовал резисторы 20 Ом), то всё работает, звук есть. Постоянного напряжения на выходе УМ нет, самовозбуждений тоже. Если полностью изъять платы УМ, то при включении питания защита все равно срабатывает. Замыкание на землю входа схемы защиты (С601) или базы TR 603 так же не помогают - защита срабатывает. При этом напряжение на ключевом TR601 отличаются, ну , понятно, он открыт: на коллекторе вместо 0 35,5 вольт, на базе 34,7 вместо 37,5. На коллекторах TR602 и TR603 0 вместо 37,5. На базе TR603 0,6 вместо 0. Транзисторы проверял, исправны, но даже заменил на отечественные - без изменений. Менял конденсаторы С530 и С601. Проверял резисторы. То есть: при ОТСУТСТВИИ плат УМ и даже при замкнутом входе схемы защиты при включении питания она ВСЕГДА срабатывает отключая питание УМ. ЧТО ДЕЛАТЬ? Часть схемы крупнее. Часть схемы еще крупнее. Ссылка на комментарий Поделиться на другие сайты Поделиться
Sergiy_83 Опубликовано 2 Июня, 2017 в 14:45 Жалоба Поделиться Опубликовано 2 Июня, 2017 в 14:45 (изменено) Здравствуйте Михаил. 1.R603 56K превращает эту схему в триггер. И у меня такое подозрение, что он может защелкнутся от помехи по питанию при включении. Можно провести такой опыт: откинуть диод D511 и запитать схему от лабораторного блока питания если есть - плавно поднять на неё напряжение (при замкнутом С601 это все). 2. Еще можно откинуть R603 56K и посмотреть напряжение на катушке реле оно должно быть равно 0V, если там будет хоть небольшое напряжение, его может быть достаточно для защелкивания триггера. (при замкнутом С601 это все). Прикрепите в архиве оригинальную схему. Изменено 2 Июня, 2017 в 14:46 пользователем Sergiy_83 Ссылка на комментарий Поделиться на другие сайты Поделиться
BMV Опубликовано 2 Июня, 2017 в 15:13 Автор Жалоба Поделиться Опубликовано 2 Июня, 2017 в 15:13 Сергей, спасибо за совет. Сейчас Техникс в следующем экспериментальном виде: база TR603 и эмиттер TR602 замкнуты на землю, R603 оторван, выход УМ отключён от входа защиты. Включаем - реле срабатывает.... Запитать от другого БП попробую... Схема усилителя в PDF-файле, размер 3,5 мегабайте, на форуме я новичок, прикрепить не удалось. в первом сообщении есть скрин- страницы со всей схемой, но сам понимаю, что мелковато будет... Ссылка на комментарий Поделиться на другие сайты Поделиться
Chugunov Опубликовано 2 Июня, 2017 в 16:21 Жалоба Поделиться Опубликовано 2 Июня, 2017 в 16:21 Михаил! Запитывать от другого БП не торопИтесь, надо восстанавливать штатный вариант. Пробит или с утечкой один из транзисторов. Скорее всего - выходной. 1 Раз отпаян R603 ПОКА так и оставьте. Отпаяйте один вывод R604. Если при включении реле сработает, менять транзитор 601. 2 Если реле не работает, R604 на место и проверить по очереди TR602, 603. Проще сначала отпаять вывод R606 - проверка TR602, если реле сработает, менять 602. 3 Выпаять TR603. Сделать выводы. Чудес не бывет. Если на входе схемы ноль, а реле срабатывает, надо искать плохой транзистор. Ссылка на комментарий Поделиться на другие сайты Поделиться
Lexter Опубликовано 2 Июня, 2017 в 16:21 Жалоба Поделиться Опубликовано 2 Июня, 2017 в 16:21 (изменено) ... даже при замкнутом входе схемы защиты при включении питания она ВСЕГДА срабатывает ...Проверьте ёмкость С530 и соединение этой платы с "корпусом" (контакт 305). Если кратковременно замкнуть базу TR603 на его эмиттер (можно безболезненно), схема выключается? Изменено 2 Июня, 2017 в 16:23 пользователем Lexter Ссылка на комментарий Поделиться на другие сайты Поделиться
BMV Опубликовано 2 Июня, 2017 в 17:01 Автор Жалоба Поделиться Опубликовано 2 Июня, 2017 в 17:01 Сергей Chugunov, спасибо за советы. R604 отпаять попробую чуть позже, но транзистор 601 я прозванивал, выпаивал, опять прозванивал и ЗАМЕНИЛ в целях эксперимента на отечественный КТ973б. Всё тоже самое и с транзистором 602 и транзистором 603, они заменены на КТ3102бм - ничего тогда не изменилось. Понимаю, что чудес не бывает, но заблудился в трёх соснах, тьфу, транзисторах и оттого впал в ступор... И Николаю Lexter спасибо. Конденсатор С530 был заменён, "земля" была, всё звонилось, но проверю еще раз... А база TR603 сейчас соединена с корпусом (на котором также сидит и его эмиттер) перемычкой, При включении реле срабатывает... Ссылка на комментарий Поделиться на другие сайты Поделиться
BMV Опубликовано 2 Июня, 2017 в 17:31 Автор Жалоба Поделиться Опубликовано 2 Июня, 2017 в 17:31 Сергей Chugunov, отпаял один вывод R604, реле при включении сработало как всегда, но транзистор 601 был мной уже заменён на заранее проверенный КТ973б... Может он вышел из строя?... Ссылка на комментарий Поделиться на другие сайты Поделиться
Chugunov Опубликовано 2 Июня, 2017 в 17:43 Жалоба Поделиться Опубликовано 2 Июня, 2017 в 17:43 R604 отпаять попробую чуть позже, но транзистор 601 я прозванивал, выпаивал, опять прозванивал Вероятнее всего проблемы с мощным транзистором - его ток максимальный, а проблему вижк в отсутствии диода параллельно обмотки реле. Поскольку нагрузка индуктивная, возникают большие выбросы напряжения, которые легко могут поврелить транзистор. Коллекторные токи транзисторов 602 и 603 ограничены R604 и они ничтожны. Поврелить их можно по входу, через база, но тоже вряд ли из-за R608, 609. Так что в первую очередь пытайте TR601. Прозвонка помогает далеко не всегда. Если транзистор не пробит вусмерть, а имеет небольшую утечку, тестер это не покажет. В схеме рабочее напряжение 35 В - это много, а в тестере несколько вольт. отпаял один вывод R604, реле при включении сработало как всегда Очень хорошо! Итак. Отключены R603 и R604 и реле срабатывет??? Значит неисправен транзистор TR601. Но может быть закавыка - обрыв цепи базы на эмиттер через R601 4,7 кОм. Или плохая пайка, или треснул резистор. Как проверить TR601? Замкнуть его Б-Э. Если реле сработает - однозначно пробит или замыкание где-то на плате - возьмите лупу. Если при замыкании Б-Э реле не работает, проверьте цепь резистора. Диод параллельно обмотке типа 1N4007 в непроводящем состоянии катодом коллектору поставьте. А напряжение + 35 В проверили? Вдруг пробит диод 511 ? Ссылка на комментарий Поделиться на другие сайты Поделиться
Sergiy_83 Опубликовано 2 Июня, 2017 в 17:48 Жалоба Поделиться Опубликовано 2 Июня, 2017 в 17:48 ... Сергей Chugunov, отпаял один вывод R604, реле при включении сработало как всегда, но транзистор 601 был мной уже заменён на заранее проверенный КТ973б... Может он вышел из строя?... ... Если вы отпаяли R604 то виноват 601-й. Может впаяли неправильно. Вот сколько я с КТ973 работал постоянно путал у них распиновку, так как привык к распиновке КТ816,КТ817 Ссылка на комментарий Поделиться на другие сайты Поделиться
BMV Опубликовано 2 Июня, 2017 в 18:05 Автор Жалоба Поделиться Опубликовано 2 Июня, 2017 в 18:05 Визуально всё осматривал, залипух не видел (но это как с сусликами, не значит что их нет :smile: ), диод проверял, питание +37,5 было в норме, 973 транзистор впаивал вроде верно, но мог конечно же напутать, пУтаник я знатный... Диод параллельно обмотке реле мне также рекомендовали, поставлю. Дальше копать буду на свежую голову, видимо в понедельник. Всем спасибо, удачных выходных. Ссылка на комментарий Поделиться на другие сайты Поделиться
BMV Опубликовано 5 Июня, 2017 в 16:06 Автор Жалоба Поделиться Опубликовано 5 Июня, 2017 в 16:06 ...И снова здравствуйте! Усилитель Техникс, плата защиты, на свежую голову... Зашунтировал обмотку реле диодом, транзистор TR601 еще раз заменил, поставил КТ837б, ранее замененный (и проверенный перед установкой(!)) КТ973 оказался дохлым, релюшка щелкать перестала... Обрадовался, всё восстановил - опять срабатывает при включении... Прозвонил ранее установленные КТ3102 - TR603 дохлый... Наваждение какое-то... Заменил TR602 и TR603 на 2SC2003, и, вот неожиданность, кто бы мог подумать, ВСЁ ЗАРАБОТАЛО! От 3-х вольтовой батарейки срабатывает любимая схема защиты! Сейчас усилитель на прогоне, там посмотрю, на вылезет ли еще чего. Сам аппарат из 70-х, особенности - раздельная регулировка тембров по каналам, возможность предварительной установки уровня максимальной громкости (видно, что бы случайно не крутануть "на всю катушку" регулятор громкости), отключаемый темброблок, переключение входного сопротивления фонокорректора, система защиты, снимающая напряжение питания с УМ при авариях (но при включении небольшой щелчок в акустических системах прослушивается)... Огромное спасибо Сергею Sergiy_83, Сергею Chugunov, Николаю Lexter за помощь и действительно ценные советы. Всем здоровья, удач и всего хорошего. Ссылка на комментарий Поделиться на другие сайты Поделиться
Chugunov Опубликовано 5 Июня, 2017 в 17:06 Жалоба Поделиться Опубликовано 5 Июня, 2017 в 17:06 Усилитель Техникс, плата защиты, на свежую голову... Михаил! Вы пишете про некоторые транзисторы без указания буквенных индексов, конкретно КТ3102. Напряжение питания в схеме высокое - почти 40 В. На память Только у КТ3102А и Б оно 50 В. А я люблю двукратный запас (может это слишком). Все остальные транзисторы КТ3102 могут или не работать или нестабильно работать. Сейчас дешевле куча импорта типа 2N5551 они вроде до 100 или 160 В. То же касается выходного транзистора. Я бы советовал запас в 1,5 раза для надежности. Повторяю, проверка выпаянного транзистора тестером годится далеко не всегда. Сам аппарат из 70-х, особенности - возможность предварительной установки уровня максимальной громкости (видно, что бы случайно не крутануть "на всю катушку" регулятор громкости) Отчасти так, но больше для выранивания чувствительности с разных входов от разных источников и комфортной регулировки громкости, а также для правильной работы тонкомпенсации. Вполне разумное решение. Полезно и в том случае, если у вас колонки "слабее" усилителя, чтобы не пожечь их. при включении небольшой щелчок в акустических системах прослушивается Так и должно быть - не вижу задержки при включении (всю схему не смотрел, только фрагмент). Надеюсь, усилитель неплохой и курочить его из-за пустяковой неисправности, грешно. 1 Ссылка на комментарий Поделиться на другие сайты Поделиться
Рекомендуемые сообщения
Для публикации сообщений создайте учётную запись или авторизуйтесь
Вы должны быть пользователем, чтобы оставить комментарий
Создать учетную запись
Зарегистрируйте новую учётную запись в нашем сообществе. Это очень просто!
Регистрация нового пользователяВойти
Уже есть аккаунт? Войти в систему.
Войти