Гость Condenser Опубликовано 23 Марта, 2017 в 12:29 Жалоба Поделиться Опубликовано 23 Марта, 2017 в 12:29 (изменено) Кто нубуть может разжевать работу транзисторов VT-13, vt-14, первое в плане если использовать их для модуля защиты, или вообще выпаять их с платы, поскольку родной модуль я скорее всего не буду востанавливать Да интересно можно ли сымитировать проверку модуля защиты подключенную а АС? Изменено 30 Марта, 2017 в 05:21 пользователем Condenser Ссылка на комментарий Поделиться на другие сайты Поделиться
Datagor Опубликовано 25 Марта, 2017 в 08:51 Жалоба Поделиться Опубликовано 25 Марта, 2017 в 08:51 Сергей, это что за аппарат? Я вынесу в название темы. Ссылка на комментарий Поделиться на другие сайты Поделиться
xsander Опубликовано 25 Марта, 2017 в 09:48 Жалоба Поделиться Опубликовано 25 Марта, 2017 в 09:48 Это схема Орбита-002 ,наш квод Ссылка на комментарий Поделиться на другие сайты Поделиться
Гость Condenser Опубликовано 25 Марта, 2017 в 16:38 Жалоба Поделиться Опубликовано 25 Марта, 2017 в 16:38 Это схема Орбита-002 ,наш квод Точно Подогнали друзья ящик, для проэкта, я запустил усилки, правда модуль защиты не смог осилить, усилок показался мне слишком клёвым чтобы его выкинуть, даже жена сказала звучание нашей акустики на родное железо "СКУЧНОЕ". Не зря видать столько шума про квод, к тому же как я понял наша схема круче самого Квода, либо это не совсем копия, либо вообще не копия Ссылка на комментарий Поделиться на другие сайты Поделиться
Chugunov Опубликовано 25 Марта, 2017 в 19:17 Жалоба Поделиться Опубликовано 25 Марта, 2017 в 19:17 правда модуль защиты не смог осилить Тёзка! Проблема в том, что на рисунке схемы, которую вы привели, ни хрена не видно (по крайней мере мне). Вы это не видете? Поставьте себя на место тех, кто будет читать эту схему. Ломать глаза - радости мало, да и ошибиться при этом легко. Другая беда - дебилизм советских инженегров нет, даже не знаю как назвать этих уродов. Вот идет линия под каким-то номером в "жгут" (именно в кавычках), а где она вынырнет и сколько раз - хрен его знает. У буржуев схемы рисовались гораздо лучше, а сюда и лезть не хочется. Я, например, не вижу, какой номер провода выходит с коллектора VT14 - 25 или 26. и куда он идет, я не вполне уверен, вернее туда еще что-то может прийти. Жевать? А у меня зубов мало, "доктора" лечить не хотят - невыгодно, предлагают протезирование - выгодно. Так что... Учитывая беззубость (кстати, красная линия проведена вредителем - она мешает, вот что там над VT13???) - при слишком большом токе силовых транзисторов, падение напряжения на R33 оказывается достаточно (0,7 В и выше) чтобы открылся VT13 (чтобы не менять регистр вместо VT буду писать Т). Т13 отрывается и открывает закрытый до того Т14. Напряжение на К (коллекторе) которого меняется с НУЛЯ до минуса питания (сколько, снова не вижу, пусть -30 В). И эти -30 В по проводу 25 приходят на блок защиты А2 конт. вроде 16. Через резистор R11 отрицательное напряжение поступает на Т3Т4 (на схеме толком не видно где точки есть, а где нет, тьфу). Т3Т4 включены по схеме однопереходного транзистора, но голову ломать на этом не хочется. Важно то, что эти транзисторы открываясь снимают отрицательное напряжение с затвора Т6 он открывается, на его стоке, а значит и на базе Т5 напряжение падает, Т5 закрывается Поскольку через него шел базовый ток транзисторов Т1,Т2, они закрываются, реле К1, К2 отпускают и отключают акустику от выхода усилителя. Защита накручена невероятно и бестолково, схема читается плохо, заниматься ей не хочется. Зачем вам это жевание? Надо измерить напряжения, особенно на плате А2 и сделать выводы. Не могу и не хочу ручаться за то что я написал выше, но в первом приближении где-то так. Разработчик платы защиты - урод, вычурнее и хуже схем я не видел. Ссылка на комментарий Поделиться на другие сайты Поделиться
Гость Condenser Опубликовано 26 Марта, 2017 в 01:04 Жалоба Поделиться Опубликовано 26 Марта, 2017 в 01:04 Аксакалы, спасибо и на этом к сожалению лучше схемы я не нашёл, схема защиты работала хорошо в принципе, контроль исправности усилителя, через резисторы 10 ом, потом подача питания, надо пологать отрубалась в случае любых косяков с железом. Но вот реализация на самом деле жуткая, самое главное что гогда я не воткнул на место один из предохранителей в этой плате начинают сгорать элементы.... просто жуть. Я собрал другой модуль просто тот на который наскрёб деталей , на сколько он способен защитить акустику хз Ссылка на комментарий Поделиться на другие сайты Поделиться
Гость Condenser Опубликовано 26 Марта, 2017 в 01:49 Жалоба Поделиться Опубликовано 26 Марта, 2017 в 01:49 Насколько я понимаю все в красном круге можно выпаять ? без ущерба для самого уся ? Ссылка на комментарий Поделиться на другие сайты Поделиться
Chugunov Опубликовано 26 Марта, 2017 в 09:47 Жалоба Поделиться Опубликовано 26 Марта, 2017 в 09:47 Насколько я понимаю все в красном круге можно выпаять ? без ущерба для самого уся ? Сергей! Вы не пишете, а это надо было писать сразу - в чем именно проблема, что не работает или работает не так. Ясно дело, что вы не могли найти "такой же усилитель, но с другим узлом защиты", но если он уже был и нормально работал, лучше бы его восстановить, а оказывается вы всё перепахали и сейчас там непонятно что. Не понятно вот что - штатная схема, соединения и детали остались или нет, работают штатные реле или нет. Начать надо было бы с наблюдения за работой реле (если оно вообще работало), с задержки, контроля нулевого напряжения на выходе из красного кружочка, соответствия напряжений на транзисторах в узле защиты схемным. Тогда можно было бы найти источник проблем, если покапаться. Понимаю, что проблемой может стать монтаж - если трудно найти на платах нужные детали по схеме и трудно к ним подлезть. Советская техника была без разъемов, вытащить отдельную плату было нельзя, часто даже отвинтить и повернуть нельзя - провода не давали, да ещеи отрывались. Непонятно, есть ли у вас навык в этом деле. Так что думайте что будете делать. Думаю, перед выпаиванием красного кружка надо хотя бы измерить в нём напряжения. Ссылка на комментарий Поделиться на другие сайты Поделиться
Гость Condenser Опубликовано 26 Марта, 2017 в 10:43 Жалоба Поделиться Опубликовано 26 Марта, 2017 в 10:43 Плата ещё есть но один транзистор я с него у же в усилок поставил, с самого начала мне показалось что сами рс 9 глючные напряжение было на них около 40 вольт на вскидку но они не защёлкивались, пальцами зажмёж тогда вставали и все работало до перезагрузки иногда 2 канала иногда 1.... я что то пока сам не знаю что делать,, вроде как есть желание востановить до родного состояния.... а с другой стороны хочется выкинуть нафиг все лишнее, ключи из полевиков вынул уже.... мешали собаки Ссылка на комментарий Поделиться на другие сайты Поделиться
Chugunov Опубликовано 26 Марта, 2017 в 10:53 Жалоба Поделиться Опубликовано 26 Марта, 2017 в 10:53 Да, ключи из полевиков тогда были в трэнде, как говорят сейчас. Неужели реле подключения колонок были РЭС-9 ? Тогда это халтура. На счет глючности - сомневаюсь, скорее дело было в управлении ими. Надо прочитать их паспорт, найти справочные данные, измерить напряжение на них, тогда все станет ясно. я что то пока сам не знаю что делать Ну это за вас никто не решит. Наверное, надо отталкиваться от того что работает сейчас. Если защита колонок работает, это главное. Ссылка на комментарий Поделиться на другие сайты Поделиться
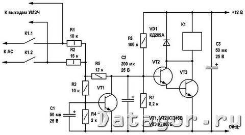
Den101 Опубликовано 26 Марта, 2017 в 16:54 Жалоба Поделиться Опубликовано 26 Марта, 2017 в 16:54 (изменено) Согласен с Сергеем (Chugunov) - родная защита этого уся - редкостный кусок говна... Лучше её убрать и спаять модуль защиты от усилителя "Бриг". Я в своем самодельном усе ставил её несколько измененный вариант, взятый из местной статьи. И задержка включения есть и защита от постоянки на выходе и схема (прилагается) простейшая. Напряжение питания схемы зависит от применяемого реле. Если реле на 12В, а напряжение питания схемы будет около 30В, последовательно с обмоткой реле включается резистор на 150-180Ом 2Вт... Но вот сама операция уже будет зависеть от квалификации хирурга... Впрочем, глаза боятся - руки делают, не боги горшки обжигают... Удачи! Изменено 26 Марта, 2017 в 17:03 пользователем Den101 Ссылка на комментарий Поделиться на другие сайты Поделиться
Гость Condenser Опубликовано 27 Марта, 2017 в 08:11 Жалоба Поделиться Опубликовано 27 Марта, 2017 в 08:11 Согласен с Сергеем (Chugunov) - родная защита этого уся - редкостный кусок говна... Лучше её убрать и спаять модуль защиты от усилителя "Бриг". Я в своем самодельном усе ставил её несколько измененный вариант, взятый из местной статьи. И задержка включения есть и защита от постоянки на выходе и схема (прилагается) простейшая. Напряжение питания схемы зависит от применяемого реле. Если реле на 12В, а напряжение питания схемы будет около 30В, последовательно с обмоткой реле включается резистор на 150-180Ом 2Вт... Но вот сама операция уже будет зависеть от квалификации хирурга... Впрочем, глаза боятся - руки делают, не боги горшки обжигают... Удачи! Судя по всему то что я собрал не сильно отличается от брига Ссылка на комментарий Поделиться на другие сайты Поделиться
Рекомендуемые сообщения
Для публикации сообщений создайте учётную запись или авторизуйтесь
Вы должны быть пользователем, чтобы оставить комментарий
Создать учетную запись
Зарегистрируйте новую учётную запись в нашем сообществе. Это очень просто!
Регистрация нового пользователяВойти
Уже есть аккаунт? Войти в систему.
Войти