Гость Condenser Опубликовано 20 Марта, 2017 в 09:59 Жалоба Поделиться Опубликовано 20 Марта, 2017 в 09:59 (изменено) Большинство таких бп используют тарнзисторы , разной структуры есть схемы с однополярными транзисторами Блин а в схеме косяк уже после заметил, почемуто море подобных глюков Есть ли какието плюсы и минусы у таких схем или это не принципиально ? Вот это похоже на правильную схему Изменено 20 Марта, 2017 в 09:55 пользователем Condenser Ссылка на комментарий Поделиться на другие сайты Поделиться
Chugunov Опубликовано 20 Марта, 2017 в 10:00 Жалоба Поделиться Опубликовано 20 Марта, 2017 в 10:00 Вопрос чисто теоретический? На схемах регулирующие транзисторы совсем разной мощности, в одном случае просто повторитель, в другом - на составном транзисторе. Практической пользы от этих схем сегодня нет никакой. Гораздо проще, лучше, дешевле, меньше займут места обычные LM317, LM337 или что-то подобное - сразу и с защитой от перегрева, и с ограничением тока при замыкании на выходе. Ссылка на комментарий Поделиться на другие сайты Поделиться
Nevod Опубликовано 20 Марта, 2017 в 10:01 Жалоба Поделиться Опубликовано 20 Марта, 2017 в 10:01 Ну, да! Двуполярное питание. Есть плюсы, есть и минусы. Вопрос-то в чём? Ссылка на комментарий Поделиться на другие сайты Поделиться
vitivsev Опубликовано 20 Марта, 2017 в 10:02 Жалоба Поделиться Опубликовано 20 Марта, 2017 в 10:02 (изменено) первая схема стабилизатора по току согласно выходных транзисторов, вторая малоточная с ошибкой написания, КТ3102 n-p-n, на рис 2 нижний скорее всего КТ3107... Необходимо знать какой ток и напряжение потребляет ваша нагрузка, отсюда дальнейшие выводы и действия по использованию той или иной схемы. Вообще желательно собирать на так называемой комплементарной паре.. т.е. если плюсовое плечо транзистор одной проводимости, должен иметь себе аналогичный по параметрам и характеристикам для другого плеча другой проводимости... обычные LM317, LM337 Совет дельный, но имеет ограничения. Output Voltage Range Adjustable From 1.25 V to 37 V Output Current Greater Than 1.5 A Изменено 20 Марта, 2017 в 10:20 пользователем vitivsev Ссылка на комментарий Поделиться на другие сайты Поделиться
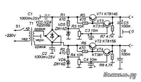
vitivsev Опубликовано 20 Марта, 2017 в 11:03 Жалоба Поделиться Опубликовано 20 Марта, 2017 в 11:03 (изменено) Вот это похоже на правильную схемуПравильные схемы - это не означает, что собраны на идентичных транзисторах и элементах. Повторюсь, все зависит от и для чего необходим тот или иной стабилизатор или БП...Например, вам необходим двух полярный стабилизатор +40В / -40В с током каждого плеча по 5А, для питания унч "Ланзар", это уже на минуточку совсем не детский стаб...и смотреть скорее всего придется в сторону ИБП... Если рассматривать схему под номером - 3, то к ней необходим силовой трансформатор соответственных размеров и характеристик... Изменено 20 Марта, 2017 в 11:08 пользователем vitivsev Ссылка на комментарий Поделиться на другие сайты Поделиться
Chugunov Опубликовано 20 Марта, 2017 в 12:02 Жалоба Поделиться Опубликовано 20 Марта, 2017 в 12:02 (изменено) Вопрос этот разжеван давным давно во множестве печатных источников и даже в интернете. Поясняю. Трансформатор с двумя раздельными обмотками, без отвода от середины. Используется однополупериодная схема в каждом плече - это глупо. Стабилизатор хреновый - нет цепей обратной связи, источник опорного напряжения примитивный, что важно для сильноточных схем. Это не стабилизатор, а фактически мощный регулируемый повторитель. В качестве лабораторного блока этот опус не годится - нет защиты от замыкания, нет датчиков тока. Элементная база устаревшая, использовать ее сегодня просто глупо. КР142ЕН5А - устаревший стабилизатор на ФИКСИРОВАННОЕ выходное напряжение 5В. Пытаться сделать из него регулирумый включая в общий провод резистор можно только от безысходности. Можно продолжить обсуждение этой "правильной схемы", но это будет просто потеря времени. Чтобы раздавать ярлыки какая схема правильная, а какая -неправильная, надо хоть немного понимать как она работает и понимать для чего предназначена. Сравнивать в одной заметке схему на одном регулирующем транзисторе КТ3102 и тремя параллельными КТ819, очень мягко говоря, нелепо. Изменено 20 Марта, 2017 в 12:56 пользователем Datagor Опять хамство попёрло? Прибрал. Вам нет смысла обсуждать - пройдите мимо, не хамите человеку. 1 1 Ссылка на комментарий Поделиться на другие сайты Поделиться
Nevod Опубликовано 20 Марта, 2017 в 12:29 Жалоба Поделиться Опубликовано 20 Марта, 2017 в 12:29 (изменено) ... Стабилизатор хреновый - нет цепей обратной связи ... "Хреновый" - жаргонное слово. В технической литературе такой стабилизатор называется "параметрический". О чём опять спорим-то? Гадаем. Автор темы пусть конкретный вопрос сформулирует. Изменено 20 Марта, 2017 в 12:31 пользователем nevod Ссылка на комментарий Поделиться на другие сайты Поделиться
Гость Condenser Опубликовано 20 Марта, 2017 в 12:52 Жалоба Поделиться Опубликовано 20 Марта, 2017 в 12:52 Нужно собрать из того что есть , а не из того что мне ждать 2 месяца, ток нужен до 0,4 примерно ампера, есть транс со средней точкой и только npn подходящие транзюки ну и стабилитроны Ссылка на комментарий Поделиться на другие сайты Поделиться
Datagor Опубликовано 20 Марта, 2017 в 13:03 Жалоба Поделиться Опубликовано 20 Марта, 2017 в 13:03 ... есть транс со средней точкой и только npn подходящие транзюки ну и стабилитроны ... У вас условия взаимоисключающие :wink: как мне кажется.Если бы были две обмотки независимые (без средней точки), то можно построить два одинаковых параметрических стабилизатора на транзисторах одной структуры, а объединить общей точкой их выходы, т.е. влючить блоки последовательно. Ссылка на комментарий Поделиться на другие сайты Поделиться
Nevod Опубликовано 20 Марта, 2017 в 14:05 Жалоба Поделиться Опубликовано 20 Марта, 2017 в 14:05 ... Нужно собрать из того что есть , а не из того что мне ждать 2 месяца, ток нужен до 0,4 примерно ампера, есть транс со средней точкой и только npn подходящие транзюки ну и стабилитроны ... Что за устройство конкретно питать будете? Может, проще его перевести на однополярное питание? Ссылка на комментарий Поделиться на другие сайты Поделиться
Chugunov Опубликовано 20 Марта, 2017 в 14:08 Жалоба Поделиться Опубликовано 20 Марта, 2017 в 14:08 Как я писал, но всё не впрок - бессмысленный разговор ни о чём. Удалось только выдавить примерный ток, но ни данные трансформатора, ни какие есть детали, ни какая будет нагрузка, ни требования к стабилизации или пульсациям, ни диапазон регулировки выходного напряжения - нет ничего, такими темпами только на выяснение технического задания уйдет еще несколько страниц "обсуждений", зато - "транзюки" "однополярные" (дескать, мы с ними на короткой ноге), а не транзисторы. Думаю, я знаю как с ними работать не хуже, но стараюсь писать правильно (может потому что знаю как правильно). Повторяю, лучшее со всех сторон решение - LM317+LM337 или аналоги. На сайте есть статьи даже с печатными платами. Ссылка на комментарий Поделиться на другие сайты Поделиться
drummer Опубликовано 20 Марта, 2017 в 15:22 Жалоба Поделиться Опубликовано 20 Марта, 2017 в 15:22 ... есть транс со средней точкой ... Надо посмотреть как организована средняя точка. Можно ли разъединить обмотки... Ссылка на комментарий Поделиться на другие сайты Поделиться
Рекомендуемые сообщения
Для публикации сообщений создайте учётную запись или авторизуйтесь
Вы должны быть пользователем, чтобы оставить комментарий
Создать учетную запись
Зарегистрируйте новую учётную запись в нашем сообществе. Это очень просто!
Регистрация нового пользователяВойти
Уже есть аккаунт? Войти в систему.
Войти