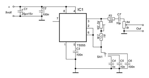
Alex007 Опубликовано 12 Января, 2017 в 09:22 Жалоба Поделиться Опубликовано 12 Января, 2017 в 09:22 Собственно еще одна простая схема ГПИ была собрана для наладки УНЧ,диапазон частот 300гц-195кгц разбит на три поддиапазона. Сначало был применен таймер NE555, но фронт импульса не чень понравился, после был использован TS555 на основе КМОП, который выдал сигнал с более качественной формой импульса. Может кому будет полезно. Собранно на макетной плате. 1 Ссылка на комментарий Поделиться на другие сайты Поделиться
Datagor Опубликовано 12 Января, 2017 в 11:26 Жалоба Поделиться Опубликовано 12 Января, 2017 в 11:26 Что нужно подписать над положениями SA1? Что регулирует R2? Что регулирует R4? Ссылка на комментарий Поделиться на другие сайты Поделиться
Alex007 Опубликовано 12 Января, 2017 в 13:30 Автор Жалоба Поделиться Опубликовано 12 Января, 2017 в 13:30 (изменено) Ни как ни научусь делать описание :smile:,R2 регулирует частоту в выбранном диапазоне,R4 регулирует амплитуду выходного сигнала, диапазон часто указан на схеме. Изменено 12 Января, 2017 в 13:42 пользователем Alex007 1 Ссылка на комментарий Поделиться на другие сайты Поделиться
Lexter Опубликовано 12 Января, 2017 в 14:20 Жалоба Поделиться Опубликовано 12 Января, 2017 в 14:20 Ахмат, у вас на плате стоит диод (видимо, защита от неправильной полярности напряжения питания), а на схеме его нет. Кроме него, в таких устройствах полезно ставить стабилизатор питания. Ток потребления тут мизерный, 7805-7809 без радиатора вполне хватит. И уровень выходного сигнала будет стабильнее, и диапазон напряжения питания пошире - больше выбор, от чего питать. Ссылка на комментарий Поделиться на другие сайты Поделиться
Alex007 Опубликовано 12 Января, 2017 в 14:44 Автор Жалоба Поделиться Опубликовано 12 Января, 2017 в 14:44 Да диод стоит, бывает при наладке по запарке можно и полярность перепутать, генератор питается от лабораторного бока питания по этому стабилизатор не поставил, схема собиралась на скорую руку как временное решение,если делать законченное устройство то да стабилизатор желателен. 1 Ссылка на комментарий Поделиться на другие сайты Поделиться
Datagor Опубликовано 12 Января, 2017 в 16:01 Жалоба Поделиться Опубликовано 12 Января, 2017 в 16:01 Ахмат, спасибо за быстрый ответ! Теперь всё понятно. :cool: Ссылка на комментарий Поделиться на другие сайты Поделиться
Рекомендуемые сообщения
Для публикации сообщений создайте учётную запись или авторизуйтесь
Вы должны быть пользователем, чтобы оставить комментарий
Создать учетную запись
Зарегистрируйте новую учётную запись в нашем сообществе. Это очень просто!
Регистрация нового пользователяВойти
Уже есть аккаунт? Войти в систему.
Войти