Гость NightWalker2015 Опубликовано 26 Сентября, 2016 в 20:00 Жалоба Поделиться Опубликовано 26 Сентября, 2016 в 20:00 Попробовал подключить первичную (сетевую) обмотку на напряжение 240 вольт и получил на вторичных половинах по 365 вольт. Странно.... Ссылка на комментарий Поделиться на другие сайты Поделиться
vitivsev Опубликовано 26 Сентября, 2016 в 20:03 Жалоба Поделиться Опубликовано 26 Сентября, 2016 в 20:03 (изменено) Померил напряжение электрической сети - 220 Вольт, колеблется +\- 2 вольта...напряжение на обоих половинах вторички было ровно по 408 Вольт и не прыгало. - Должно быть 342 Вольта. скакнуло до 560 Вольт...не стал продолжать. Конденсаторы у меня куплены на тьюб тауне - 100+100 μF 500 Вольт, написано немецкие. На вашем трансформаторе есть возможность коммутации первичной обмотки -220-230-240, коммутацией создайте условие трансформатору ~240Вольт по первичной обмотки и произведите замеры по переменному напряжению на половинках анодной вторичной обмотки. То, что постоянное напряжение появилось с таким значением(+560В) ничего удивительного, двухполупериодный выпрямитель получающий по половинкам ~408Вольт выдаст напряжение без нагрузки 408В* 1,4 = + 571Вольт, что собственно и получилось. Попробовал подключить первичную (сетевую) обмотку на напряжение 240 вольт и получил на вторичных половинах по 365 вольт. Странно...Все правильно,(опередил мысль действием...) ничего странного, оставляем такой вариант. Изменено 26 Сентября, 2016 в 20:05 пользователем vitivsev Ссылка на комментарий Поделиться на другие сайты Поделиться
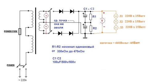
vitivsev Опубликовано 26 Сентября, 2016 в 20:34 Жалоба Поделиться Опубликовано 26 Сентября, 2016 в 20:34 Создаем - подключаем нагрузку для БП в виде трех ламп накаливания каждая 15Ватт на 220Вольт, включение последовательное, и пробуем измерить напряжение на электролитическом конденсаторе, предварительно изменив схему его включения, см.рис. Ссылка на комментарий Поделиться на другие сайты Поделиться
vitivsev Опубликовано 27 Сентября, 2016 в 07:10 Жалоба Поделиться Опубликовано 27 Сентября, 2016 в 07:10 Если мы хотим, чтобы наш усилитель работал долго и качественно необходимо использовать детали с некоторым запасом прочности по напряжениям. Имея пару электролитических конденсаторов в одной колбе по 100μF по 500Вольт, согласно приведенной схемы(схемы пост - 1#) указано напряжение питания +468В. В действительности и без нагрузки трансформатор выдает ~365Вольт с одной половины обмотки. Используя схему двухполупериодного выпрямителя с эл. конденсатором в 500Вольт мы можем получить напряжение от +475 до +511Вольт в зависимости от качества сетевого напряжения. Чтобы не нарваться на завышенное напряжение используют последовательную схему включения фильтрующего-электролитического конденсатора с параллельно включенными резисторами. При таком включении мы имеем возможность раздвинуть рамки по запасу прочности напряжения, т.е. если будут установлены два одинаковых электролитических конденсатора номиналом по 100μF по 500В в итоге мы будем иметь общий конденсатор 50μF до 1000В, возможно такой не понадобится, но на первоначальном этапе изготовления усилителя настоятельно рекомендуется иметь запас прочности. Такую цепь из эл. конденсаторов можно собрать из менее дорогих экземпляров, например два по 470μF по 350Вольт, при этом мы будем иметь общий конденсатор 235μF до 700Вольт. R1 - R2 устанавливаем не менее 1 - 2Вт по мощности например - 470кОм, предназначены для выравнивания потенциалов в момент зарядки конденсаторов при их последовательном включении. В предполагаемом случае они будут потреблять незначительный ток(около 50мА) и не окажут особого влияния на основную схему анодного питания. После проведения подобных "лабораторных работ" по предварительно собранной и несколько измененной схемы БП будем иметь полную картину его возможностей. Все эти манипуляции дадут нам возможность в дальнейшем избежать проблем с питанием усилителя. Ссылка на комментарий Поделиться на другие сайты Поделиться
Гость NightWalker2015 Опубликовано 28 Сентября, 2016 в 19:05 Жалоба Поделиться Опубликовано 28 Сентября, 2016 в 19:05 Если мы хотим, чтобы наш усилитель работал долго и качественно необходимо использовать детали с некоторым запасом прочности по напряжениям. Имея пару электролитических конденсаторов в одной колбе по 100μF по 500Вольт, согласно приведенной схемы(схемы пост - 1#) указано напряжение питания +468В. В действительности и без нагрузки трансформатор выдает ~365Вольт с одной половины обмотки. Используя схему двухполупериодного выпрямителя с эл. конденсатором в 500Вольт мы можем получить напряжение от +475 до +511Вольт в зависимости от качества сетевого напряжения. Чтобы не нарваться на завышенное напряжение используют последовательную схему включения фильтрующего-электролитического конденсатора с параллельно включенными резисторами. При таком включении мы имеем возможность раздвинуть рамки по запасу прочности напряжения, т.е. если будут установлены два одинаковых электролитических конденсатора номиналом по 100μF по 500В в итоге мы будем иметь общий конденсатор 50μF до 1000В, возможно такой не понадобится, но на первоначальном этапе изготовления усилителя настоятельно рекомендуется иметь запас прочности. Такую цепь из эл. конденсаторов можно собрать из менее дорогих экземпляров, например два по 470μF по 350Вольт, при этом мы будем иметь общий конденсатор 235μF до 700Вольт. R1 - R2 устанавливаем не менее 1 - 2Вт по мощности например - 470кОм, предназначены для выравнивания потенциалов в момент зарядки конденсаторов при их последовательном включении. В предполагаемом случае они будут потреблять незначительный ток(около 50мА) и не окажут особого влияния на основную схему анодного питания. После проведения подобных "лабораторных работ" по предварительно собранной и несколько измененной схемы БП будем иметь полную картину его возможностей. Все эти манипуляции дадут нам возможность в дальнейшем избежать проблем с питанием усилителя. Подключил три лампы и резисторы (470 Ком), как Вы указали. Наблюдал за показаниями мультиметра минуту. Напряжение нестабильно. Сначала было 435 вольт и плавно поднималось до 444 вольта, спустя минуту прыгало около значения 450 +/- 5 вольт, так и осталось прыгать. Ссылка на комментарий Поделиться на другие сайты Поделиться
vitivsev Опубликовано 28 Сентября, 2016 в 20:21 Жалоба Поделиться Опубликовано 28 Сентября, 2016 в 20:21 (изменено) Сначала было 435 вольт и плавно поднималось до 444 вольта, спустя минуту прыгало около значения 450 +/- 5 вольт, так и осталось прыгать.Будем исключать, искать различные и возможные проблемы.Плохо видно каким материалом прикреплен трансформатор к шасси? Торы нельзя крепить к шасси скобами из металла через центр за края бублика... на рис. какое должно быть крепление Осталось проверить вторичную анодную обмотку под небольшой нагрузкой по переменному напряжению. Для этого исключаем из схемы все детали вместе с выключателем и подключаем вторичную обмотку(от средней точки обмотки) напрямик к двум лампам накаливания включенных последовательно. Измеряем переменное напряжение без нагрузки и с нагрузкой, смотрим и сравниваем результат на половинках обмотки. Так же необходимо измерить ХХ ток первичной обмотки (ток холостого хода - без нагрузки на вторичную обмотку), крайне не рекомендую использовать для измерения тока китайские приборы. Если трансформатор будет стабилен по переменному напряжению (будем на это надеяться). Возможной причиной нестабильности постоянного напряжения могут оказаться некачественные эелектролитические конденсаторы. Немец-может оказаться из "китая", китайский немец)))) Изменено 28 Сентября, 2016 в 20:23 пользователем vitivsev Ссылка на комментарий Поделиться на другие сайты Поделиться
vitivsev Опубликовано 28 Сентября, 2016 в 20:54 Жалоба Поделиться Опубликовано 28 Сентября, 2016 в 20:54 (изменено) ± 5В. это всего, чуть более ±1% - нормальная, эксплуатационная нестабильность, обусловленная колебаниями напряжения в сети.Хотите высокой стабильности, ставьте стабилизатор по 220В. (но думаю, нет смысла). посмотрим по результату измерений,на сколько плавает или скачет постоянное напряжение 5В или 15В с нагрузкой в 0,1А(усилитель в молчании) две "елки" могут забирать по мах до 0,25А...трансформатор рассчитан 0,15А*1.4= 0,21А; Обратная связь поможет несколько ограничить мощность по выходу, дабы не пошел в разнос, хотя все, что присуще гитаристу не понять аудиофилисту))) Стабилизатор по переменному напряжению незаменимая вещь, особенно для регулировки каскадов с не подобранными лампами...имхо... мы тут с коллегами посоветовались...поступило вот такое предложение, для смещения использовать двухполупериодный выпрямитель, главное не перепутать полярность впаиваемых диодов и полярность электролитических конденсаторов... в общем на ваше усмотрение... кстати, что у вас там получалось со смещением в целом? Изменено 28 Сентября, 2016 в 21:22 пользователем vitivsev Ссылка на комментарий Поделиться на другие сайты Поделиться
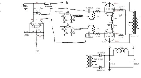
vitivsev Опубликовано 30 Сентября, 2016 в 12:02 Жалоба Поделиться Опубликовано 30 Сентября, 2016 в 12:02 (изменено) Выбор режима для двухтактного выходного каскада на EL34; Учитывая некоторые характеристики выходного трансформатора Ra-a = 3,6K, Pout=50Wt и БП, для регулировки выходного каскада, и чтобы не строить графики, скорее всего будем "условно" использовать один из режимов по классу "В", например : Еа = 425 Вольт, Еg2 = 420 Вольт, Rg2 = 1кОм, Eg3 = 0, Eg1 = «минус» 38 Вольт, Ra-a = 3,4 КОм, Ia = 2 x 30 mA, Ig2 = 2 x 4,4 mA, При Uвх = 0 Вольт. (Режим покоя). Ia = 2 x 120 mA, Ig2 = 2 x 25 mA, При Uвх = 2x27 Вольт (амплитудного значения). P = 55 Вт, Кни = 5 %. Силовой трансформатор имеет сдвоенную вторичную анодную обмотку на 150мА, стало быть используя двухполупериодный выпрямитель получим 150*1,4= 210мА; Мах. мощность возможно будет меньше чем 55 Ватт. Осталось окончательно убедиться в качестве и добротности приобретенных деталей для БП. ждем результатов ... Изменено 30 Сентября, 2016 в 12:05 пользователем vitivsev Ссылка на комментарий Поделиться на другие сайты Поделиться
BimBom Опубликовано 1 Октября, 2016 в 13:21 Жалоба Поделиться Опубликовано 1 Октября, 2016 в 13:21 Вячеслав , насколько продвинулись пуско наладочные дела 800-го. Позволю высказать мысль , насколько понимаю проблема закралась где то в монтаже выходной (силовой части) . Может имеет смысл сделать монтаж навесным ,как по мне явился более наглядным и удобным.Сам первый гитарный усь делал как раз 800 , и детали на плате как у вас , но потом много делал разных уже только навесным, т к проявилось еще достоинство , максимально короткие проводники, меньше наводок, и пока все устройства работают без замечаний. На вашем месте , я бы просто перепаял все навесным , или "отпилил" часть после преампа, отдельно пересобрав навесным. Сам обычно распаивал выходник, пробовал, если успешно далее преамп Вот нашел более аккуратнее прорисованную схему с раздельным настроем токов покоя выходных ламп. Ссылка на комментарий Поделиться на другие сайты Поделиться
vitivsev Опубликовано 1 Октября, 2016 в 20:13 Жалоба Поделиться Опубликовано 1 Октября, 2016 в 20:13 Может имеет смысл сделать монтаж навесным ,как по мне явился более наглядным и удобным...Более аккуратнее прорисованную схему с раздельным настроем токов покоя выходных ламп. У Вячеслава типичный навесной монтаж лампового гитарного усилителя - "turret board" _https://mhuss.com/SmallBox/page2.html Если нет подобной платы с турретами, можно использовать различные планки и расшивки. Предпочитаю использовать совмещенный монтаж, отдельно печатные платы для БП, а все остальное на расшивках. К этому образцу(см. рис.) обязательно вернемся в моей отельной теме, басовый ламповый агрегат на 4х6П3С... В прорисованной схеме используется несколько другой силовой трансформатор, с ответвлением от анодной обмотки в ~50 Вольт, у Вячеслава питание смещения организовано от половины анодной обмотки, отсюда другие номиналы используемых деталей. Ссылка на комментарий Поделиться на другие сайты Поделиться
BimBom Опубликовано 2 Октября, 2016 в 23:02 Жалоба Поделиться Опубликовано 2 Октября, 2016 в 23:02 И действительно Виталий , я тут не верно выражался имея в виду распайку непосредственно на панельках. Привык для себя не так называть - исправляюсь :idea: . Чего то Вячеслав не появляется практически собрал же конструкцию. А басовый агрегат на 4х только El34 с переключалкой смещения на 6L6 используем уже пару лет по полной , на репетициях для экономии (материальных -ламповых) ресурсов оставляя 2 ламп на выходе. Ссылка на комментарий Поделиться на другие сайты Поделиться
BimBom Опубликовано 3 Октября, 2016 в 05:18 Жалоба Поделиться Опубликовано 3 Октября, 2016 в 05:18 ... для экономии (материальных -ламповых) ресурсов оставляя 2 ламп на выходе. ... Ссылка на комментарий Поделиться на другие сайты Поделиться
Рекомендуемые сообщения
Для публикации сообщений создайте учётную запись или авторизуйтесь
Вы должны быть пользователем, чтобы оставить комментарий
Создать учетную запись
Зарегистрируйте новую учётную запись в нашем сообществе. Это очень просто!
Регистрация нового пользователяВойти
Уже есть аккаунт? Войти в систему.
Войти