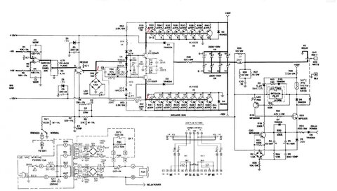
jivchic Опубликовано 4 Апреля, 2016 в 15:32 Жалоба Поделиться Опубликовано 4 Апреля, 2016 в 15:32 (изменено) Приветствую всех форумчан, кому-то тема покажется ни о чем, но хотелось бы прояснить некоторые моменты для себя Есть у меня УНЧ QSC USA 1310, довольно таки мощный, хочу его использовать дома, для акустики средней мощности (60-80 Вт). Параметры QSC USA 1310 такие (OUTPUT POWER (per channel, typical)): 8 ohms, 20 Hz to 20 kHz, 0.1% THD, 375 watts 8 ohms, 1 kHz, 1% THD, 400 watts 4 ohms, 1 kHz, 1% THD, 655 watts 2 ohms, 1 kHz, 1% THD, 1000 watts Т.к. этот УНЧ для "громкости", не задвинуто ли в дальний угол качество воспроизведения? Сперва думал продам, и куплю бытовой УНЧ, но продать всегда дешево, а купить -дорого... поэтому, "на пока", хотелось бы остаться при том что есть )) Суть вопроса: есть так называемые бытовые УНЧ, есть профессиональные УНЧ, я так понимаю мой относится ко второй категории, так вот, способен ли он воспроизводить аудио на уровне качественного бытового усилителя... p.s. пока писал, несколько раз пробовал отойти от понятия качество воспроизведения, но не получается чего-то... под этим я понимаю общую оценку качества воспроизведения, т.е. какие то усилители так себе -пойдет для сельской дискотеки, а какие-то уже для тех кто ощущает разницу в воспроизведении... )) на всякий случай схему прилагаю: Изменено 4 Апреля, 2016 в 15:32 пользователем jivchic Ссылка на комментарий Поделиться на другие сайты Поделиться
jivchic Опубликовано 4 Апреля, 2016 в 15:42 Автор Жалоба Поделиться Опубликовано 4 Апреля, 2016 в 15:42 (изменено) Добавлю, осциллографа пока нет Изменено 4 Апреля, 2016 в 16:50 пользователем Datagor Ссылка на комментарий Поделиться на другие сайты Поделиться
xsander Опубликовано 4 Апреля, 2016 в 15:46 Жалоба Поделиться Опубликовано 4 Апреля, 2016 в 15:46 Ваша акустика на сколько Ом? и какая? ну если не давить на ручку то нормальное качество Ссылка на комментарий Поделиться на другие сайты Поделиться
jivchic Опубликовано 4 Апреля, 2016 в 15:54 Автор Жалоба Поделиться Опубликовано 4 Апреля, 2016 в 15:54 Ваша акустика на сколько Ом? и какая? ну если не давить на ручку то нормальное качество Акустика у меня 3х полосная, 6 Ом, мощность около 60-80 Вт модель думаю роли не играет... Ссылка на комментарий Поделиться на другие сайты Поделиться
xsander Опубликовано 4 Апреля, 2016 в 16:28 Жалоба Поделиться Опубликовано 4 Апреля, 2016 в 16:28 источник комп? можно использовать ,вывести ручку громкости на положение примерно номинальной мощности ас и больше не крутить ,ведь будет предусилитель ,выходное напряжение 20 вольт на частоте 1000гц будет примерно 70 ватт Ссылка на комментарий Поделиться на другие сайты Поделиться
Datagor Опубликовано 4 Апреля, 2016 в 17:06 Жалоба Поделиться Опубликовано 4 Апреля, 2016 в 17:06 ... не задвинуто ли в дальний угол качество воспроизведения? ...Задвинуто. ... способен ли он воспроизводить аудио на уровне качественного бытового усилителя ...Нет, но он способен шикарно озвучивать свадьбы и иные собрания. ... Акустика у меня 3х полосная, 6 Ом, мощность около 60-80 Вт. модель думаю роли не играет ...Иными словами, если вы сами, гость, ребенок или кошка случайно или намерено крутнёте ручку громкости по часовой стрелке, у вас больше не будет этих колонок неуказаной модели. :dead:Вам это нужно? Особенно в свете ваших экономических размышлений в шапке темы. Всё в мире замечательно только в гармонии, когда все части целого находятся в красивом и целесообразном сочетании: солнечная система, семья из мужчины и женщины с ребятишками, домашний музыкальный уголок и даже брюки с ботинками. :smile: А в общем тема получается опять из области "выбора жены по отзывам". Димон, ведь это же ВЫ СЛУШАЕТЕ свой комплекс в своём помещении своими ушами. Если вас всё устраивает, зачем сыр-бор разводить? Наслаждайтесь, пока не соберётесь купить или спаять другое! :cool: Ссылка на комментарий Поделиться на другие сайты Поделиться
jivchic Опубликовано 5 Апреля, 2016 в 02:51 Автор Жалоба Поделиться Опубликовано 5 Апреля, 2016 в 02:51 ок, а если предполагать что "не до качества", то в чем именно? ну например, выходные транзисторы рассчитаны на мощность и поэтому они плохи с точки зрения качества, или плохо реализована входная часть схемы, ну или схемотехника посредственная... :smile: Ссылка на комментарий Поделиться на другие сайты Поделиться
Datagor Опубликовано 5 Апреля, 2016 в 03:17 Жалоба Поделиться Опубликовано 5 Апреля, 2016 в 03:17 Дима, вам это зачем? Ну скажут вам, да, посредственная, или нет, восхитительная. Что вам это даст? :smile: Или вы начнёте коренным образом переделывать ваш фирменный заводской усилитель? :dead: Нет. Хотите разобраться в схемотехнике? Читайте умные книжки типа Хоровица и Хилла: =https://publ.lib.ru/ARCHIVES/H/HOROVIC_Paul',_HILL_Uinfild/_Horovic_P.,_Hill_U..html К сожалению, в формате форума, в 10 постах эту тему не объять и не понять. После прочтения и разбора инетесной вам темы задавайте конкретные вопросы. Вот тогда мы, как сумеем, постараемся помочь. А если просто пообщаться, тогда конечно. Но и тут можно найти поводы поинтересней. Ссылка на комментарий Поделиться на другие сайты Поделиться
jivchic Опубликовано 5 Апреля, 2016 в 19:09 Автор Жалоба Поделиться Опубликовано 5 Апреля, 2016 в 19:09 Игорь, со всем уважением, я могу ошибаться, но мне кажется что ваши сообщения несут ультимативный характер... такое своеобразное "нечего тут обсуждать" :smile: спасибо Вам за ответы, я знаю что вы уважаемый специалист, а еще бы я с удовольствием послушал других участников форума, я наблюдал за количеством пользователей, находившихся в теме, около 6-8 человек, мне думалось что тут есть о чем порассуждать, да даже в формате просто беседы... Ссылка на комментарий Поделиться на другие сайты Поделиться
viper Опубликовано 5 Апреля, 2016 в 22:53 Жалоба Поделиться Опубликовано 5 Апреля, 2016 в 22:53 Дмитрий, если посмотреть на те показатели которые вы указали, то можно сказать так себе. Мощность с избытком, как сказали выше, одно неосторожное действие домочадцев, прощай колонки. Как правило, такие усилители заточены на озвучивание больших площадей. Что бы получить высококачественный звук на такой мощи, нужно очень сильно извернуться. Вопрос в другом, вы хотите слушать или смотреть на показания приборов? ... на уровне качественного бытового усилителя ... Кому и диалоговские колонки достойный источник звука. И не забывайте, Юрий привел пример с автомобилем, мощи много, а использовать потенциал на 100% не умеем. Это я про источник звука. Можно взять очень хороший усилитель, а подключить к компьютеру со звуковой картой за 100 рублей и потом возмущаться качеством звука.Лично я сравнивал усилитель техникс с самодельным на 6п6с и выходными на твз. С женой сошлись единогласно во мнении, что самодельная лампа, собранная на коленке, звучит во много раз лучше. А если тыкать осциллограф, то техникс однозначно лучше. Ссылка на комментарий Поделиться на другие сайты Поделиться
jivchic Опубликовано 6 Апреля, 2016 в 02:23 Автор Жалоба Поделиться Опубликовано 6 Апреля, 2016 в 02:23 (изменено) ... Поэтому всё, что сказал Игорь, правильно ... Игоря я как и всех уважаю, видно что он хороший специалист, его ответ тоже важен, я хотел послушать еще мнения, все мнения сходятся, в том числе с моими сомнениями (иначе я бы тему не содавал :smile: ) спасибо за ответы, в них есть то что меня интересовало Изменено 6 Апреля, 2016 в 02:25 пользователем jivchic Ссылка на комментарий Поделиться на другие сайты Поделиться
Datagor Опубликовано 6 Апреля, 2016 в 03:06 Жалоба Поделиться Опубликовано 6 Апреля, 2016 в 03:06 ... видно что он хороший специалист ... Ребяты, к моему сожалению я совершенно не специалист, т.к. у меня, к ещё большему сожалению, нет профильного высшего образования. Просто я давно живу и отсутствие знаний мне компенсирует здравый смысл и опыт :smile: Я частенько отправляю камрадов читать умные книжки, так это не стёб и не высокомерие - просто я сам их читаю регулярно, по необходимости, когда есть время и т.п. Ссылка на комментарий Поделиться на другие сайты Поделиться
Рекомендуемые сообщения
Для публикации сообщений создайте учётную запись или авторизуйтесь
Вы должны быть пользователем, чтобы оставить комментарий
Создать учетную запись
Зарегистрируйте новую учётную запись в нашем сообществе. Это очень просто!
Регистрация нового пользователяВойти
Уже есть аккаунт? Войти в систему.
Войти