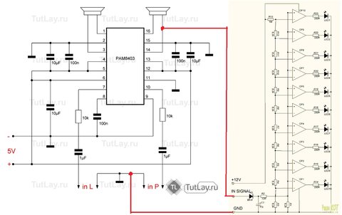
kurdum Опубликовано 8 Марта, 2016 в 08:41 Жалоба Поделиться Опубликовано 8 Марта, 2016 в 08:41 Доброго дня всем! Проблема:имеется индикатор на LM324 который отлично работает от сигнала 3-5 вольт.Требуется подключить его к выходу пр.усилителя с сигналои до 1 вольта.Хочу УНЧиком PAM8403 поднять уровень сигнала,но производитель пишет,что общий минус между входом и выходом этого ус-ля недопустим.Возможно ли подключить индикатор к выходу этого усилителя?Схемы устр-в прилагаю. Ссылка на комментарий Поделиться на другие сайты Поделиться
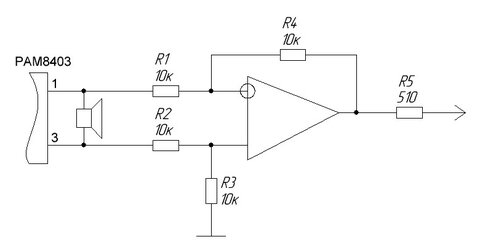
Lexter Опубликовано 8 Марта, 2016 в 11:24 Жалоба Поделиться Опубликовано 8 Марта, 2016 в 11:24 Чтобы использовать без переделки имеющийся индикатор, для преобразования дифференциального сигнала в однополярный можно использовать такой каскад: 1 Ссылка на комментарий Поделиться на другие сайты Поделиться
Datagor Опубликовано 8 Марта, 2016 в 11:46 Жалоба Поделиться Опубликовано 8 Марта, 2016 в 11:46 Бррр... Может рассмотреть транзистор на входе пикового индикатора, а PAM8403 не применять вовсе? Ссылка на комментарий Поделиться на другие сайты Поделиться
kurdum Опубликовано 8 Марта, 2016 в 12:51 Автор Жалоба Поделиться Опубликовано 8 Марта, 2016 в 12:51 Можно и транзистор,лишь-бы сигнал увеличился в пять раз,спасибо за идею! Чтобы использовать без переделки имеющийся индикатор, для преобразования дифференциального сигнала в однополярный можно использовать такой каскад: Симпатичное решение! А R3 сделать подстроечным,для возможности регулировки уровня. Ссылка на комментарий Поделиться на другие сайты Поделиться
Yamazaki Опубликовано 8 Марта, 2016 в 14:51 Жалоба Поделиться Опубликовано 8 Марта, 2016 в 14:51 производитель пишет,что общий минус между входом и выходом этого ус-ля недопустим. Это потому, что у усилителя оба выхода "горячие", т.е. ни один из них не земля. Индикатор все равно можно к нему подключить: землю берем со входа, сигнал с одного из проводов выхода. Другое дело, что PAM здесь совершенно не в тему. Правильно взять сигнал ДО входа усилителя и усилить его отдельным операционником, или хотя бы транзисторным каскадом. Ссылка на комментарий Поделиться на другие сайты Поделиться
kurdum Опубликовано 8 Марта, 2016 в 18:46 Автор Жалоба Поделиться Опубликовано 8 Марта, 2016 в 18:46 Землю брал со входа,выход брал с одного из выводов на динамик.Индикатор загорается сразу весь,все светодиоды. так не работает.Вот каскад на транзисторе и отказ от РАМ это идея,буду пробовать.. Если есть предварительный усилитель, значит должен быть оконечный... Если он не совсем "маломощный", то логично, индикатор уровня подключить в "самом конце". Тогда, во первых будет "контролироваться" весь тракт, во вторых кроме разделительного конденсатора с резистором (последовательно) ничего не требуется. Если индикатор планируется один на два канала, то нужно по паре разделительных конденсаторов и резисторов (сумматор). Чувствительность индикатора можно повысить применением диодного моста с разделительными конденсаторами на входе, вместо однополупериодного на D1. А если, всё же, снимать сигнал с РАМ..., то можно следующим образом: с "ножек" 14-16 (1-3) через разделительные конденсаторы на диодный мост (вместо однополупериодного на D1). При этом ёмкость С1 нужно уменьшить вдвое. Вариант в посте 5 (yamazaki) самый простой, но разделительный конденсатор не помешает. Вопрос: судя по номиналам R4 - R12 (они одинаковые), индикатор линейный (не логарифмический) ? Этот вариант тоже попробую,спасибо. Это потому, что у усилителя оба выхода "горячие", т.е. ни один из них не земля. Индикатор все равно можно к нему подключить: землю берем со входа, сигнал с одного из проводов выхода. Другое дело, что PAM здесь совершенно не в тему. Правильно взять сигнал ДО входа усилителя и усилить его отдельным операционником, или хотя бы транзисторным каскадом. Вот по этой схеме пробовал,не получается.Все диоды загораются,уровня сигнала ничего не зависит.Так что от РАМ придется отказаться и включать через предв.каскад на транз. или м-схеме.Спасибо! Ссылка на комментарий Поделиться на другие сайты Поделиться
Yamazaki Опубликовано 8 Марта, 2016 в 19:40 Жалоба Поделиться Опубликовано 8 Марта, 2016 в 19:40 Вот по этой схеме пробовал,не получается.Все диоды загораются,уровня сигнала ничего не зависит.Так что от РАМ придется отказаться и включать через предв.каскад на транз. или м-схеме. titpol верно заметил. на выходе PAM присутствует постоянка. Поскольку на двух выходах она одинаковая, на динамик идет только переменная составляющая, а для правильной работы детектора постоянку нужно срезать разделительным конденсатором. Проглядел этот момент. Ссылка на комментарий Поделиться на другие сайты Поделиться
kurdum Опубликовано 9 Марта, 2016 в 12:33 Автор Жалоба Поделиться Опубликовано 9 Марта, 2016 в 12:33 titpol верно заметил. на выходе PAM присутствует постоянка. Поскольку на двух выходах она одинаковая, на динамик идет только переменная составляющая, а для правильной работы детектора постоянку нужно срезать разделительным конденсатором. Проглядел этот момент. Все понял,буду пробовать,спасибо всем. Ссылка на комментарий Поделиться на другие сайты Поделиться
Рекомендуемые сообщения
Для публикации сообщений создайте учётную запись или авторизуйтесь
Вы должны быть пользователем, чтобы оставить комментарий
Создать учетную запись
Зарегистрируйте новую учётную запись в нашем сообществе. Это очень просто!
Регистрация нового пользователяВойти
Уже есть аккаунт? Войти в систему.
Войти