Voffka Опубликовано 27 Февраля, 2016 в 01:38 Автор Жалоба Поделиться Опубликовано 27 Февраля, 2016 в 01:38 (изменено) Владимир, хотелось бы услышать Ваше мнение: Разрываем контур заземления ....Встречно включенные диоды успешно закоротят любую сильноточную утечку внутри корпуса прибора (коротыш какой, пробой) на защитное заземление. Тем самым мы соблюдаем требования техники безопасности: в случае аварии на корпусе прибора не должно появится опасного для жизни и здоровья человека напряжения. При этом диоды "разрывают" цепь для небольших напряжений. Резистор создаёт путь для небольших токов. Если бы его не было, а внутренности прибора неплохо отвязаны от земли, то даже небольшие утечки создавали бы избыточный размах напряжения на корпусе относительно земли, и через емкостные связи это всё проникало бы в прибор. Так для чего же всё-таки "отвязывать" защитную землю от корпуса? Дело в том, что на защитном заземлении могут наводиться напряжения: например той самой синфазной помехой, что мы отфильтровываем. Так же, увы, нередко встречается такая разводка сети, когда защитное заземление одновременно является и возвратным проводом для собственно напряжения сети. В этом случае даже на небольшом сопротивлении проводки немалый ток потребления создаёт ощутимое падение напряжения. Все эти факторы могут "разогнать" в нормальных условиях до десятков и даже сотен милливольт разницы потенциалов между защитными заземлениями разных агрегатов. Теперь, если мы передаём аудио-сигнал через соединения, заведённые одним проводом на корпус (RCA разъёмы "колокольчики", к сожалению так популярные в бытовом HiFi), то эта самая разность потенциалов между корпусами приборов будет напрямую замешана в сигнал. Итого, отвязывая корпус прибора (а в большинстве случаев это значит - и сигнальную землю оного) от защитного заземления, мы тем самым ощутимо уменьшаем замешивание любых "чудачеств", что могут случиться в розетке - прямиком в сигнал. Конечно же, уважающий себя любитель качественного звуковоспроизведения будет использовать исключительно балансные соединения, иммунные к синфазной помехе. ... Изменено 27 Февраля, 2016 в 01:43 пользователем Voffka Ссылка на комментарий Поделиться на другие сайты Поделиться
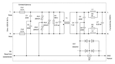
mvv Опубликовано 27 Февраля, 2016 в 05:12 Жалоба Поделиться Опубликовано 27 Февраля, 2016 в 05:12 (изменено) Владимир, цепи разрыва контакта защитного заземления не лишены смысла [Л1]. Резистор R4 отвязывает землю от корпуса при ее некачественном исполнении. Это также может иметь место в разрешенной в старых домах совмещенной системы TN-C-S переменного тока 220 В, когда нулевой рабочий и нулевой защитный проводники совмещены в одном проводнике в части системы питания [Л2]. В результате между защитными заземлениями различных устройств может присутствовать разность потенциалов (десятки – сотни милливольт). Резистор R4 позволяет отвязать корпус УМЗЧ (а по сути, и сигнальную землю) от защитного заземления, что уменьшает синфазные помехи на входе. Мощные (8…10А/1000V) встречно включенные диоды моста VD1 служат для надежного соединения корпуса УМЗЧ в аварийных ситуациях. Тем самым выполняется требование безопасности: ни при каких обстоятельствах на корпусе прибора не должно появиться опасное для жизни и здоровья человека напряжение. В то же время диоды моста VD1 разрывают цепь для небольших напряжений. 1. _https://myelectrons.ru/setevoj-fil-tr-dlya-audio-svoimi-rukami Сетевой фильтр для аудио - своими руками. 2. https://datagor.ru/na...trorozetok.html Сделай сам индикатор для проверки защитного заземления в розетках современной трехпроводной сети. Датагорская статья. Изменено 27 Февраля, 2016 в 05:13 пользователем mvv Ссылка на комментарий Поделиться на другие сайты Поделиться
Voffka Опубликовано 28 Февраля, 2016 в 19:27 Автор Жалоба Поделиться Опубликовано 28 Февраля, 2016 в 19:27 Владимир, огромное спасибо за пояснения и рекомендации. Очень надеюсь на то? что я не утомил Вас своей назойливостью. Еще вопросик, если я применю в качестве сетьевого разьема такой как на фото, встроеный в него фильтр не будет лишним? Ссылка на комментарий Поделиться на другие сайты Поделиться
mvv Опубликовано 29 Февраля, 2016 в 07:12 Жалоба Поделиться Опубликовано 29 Февраля, 2016 в 07:12 (изменено) Владимир, я тоже снимал подобные разъемы с встроенным фильтром с нескольких неисправных аппаратов.Обратил внимание, что на основной плате этих устройств имеется полноценный сетевой фильтр. Так что лишним не будет, разве что уберите из схемы конденсаторы С1, С2 форпост фильтра (Ris_1 в посте #2, Ris_3 в посте #6 и Ris_4 в посте #14). Изменено 29 Февраля, 2016 в 07:16 пользователем mvv Ссылка на комментарий Поделиться на другие сайты Поделиться
Voffka Опубликовано 29 Февраля, 2016 в 07:31 Автор Жалоба Поделиться Опубликовано 29 Февраля, 2016 в 07:31 Понял, они то меня и смущали, и ещё назревший вопросик при использовании 2-х трансформаторов (ТАН и ТН) необходимо шунтировать сопротивлением и конденсатором каждый трансформатор, или для них будет одного шунта достаточно? Ссылка на комментарий Поделиться на другие сайты Поделиться
mvv Опубликовано 29 Февраля, 2016 в 07:45 Жалоба Поделиться Опубликовано 29 Февраля, 2016 в 07:45 Цепь RC лучше установить на каждом силовом трансформаторе. Подсмотрел в профессиональных усилителях, когда подрабатывал в кооперативе по их ремонту. Ссылка на комментарий Поделиться на другие сайты Поделиться
Voffka Опубликовано 29 Февраля, 2016 в 08:09 Автор Жалоба Поделиться Опубликовано 29 Февраля, 2016 в 08:09 Спасибо, планирую поставить КСГ-2Г 500В 0,1мкФ 5(2)% Ссылка на комментарий Поделиться на другие сайты Поделиться
mvv Опубликовано 29 Февраля, 2016 в 09:43 Жалоба Поделиться Опубликовано 29 Февраля, 2016 в 09:43 Думаю, подойдут. В идеале лучше всего установить полипропиленовые МКР Х2 на рабочее напряжение 250 В или 275 В. Возможна их замена на МКT Х2 с указанными рабочими напряжениями. Также подойдут К78-2 (СВВ81) или К73-17 на рабочее напряжение не ниже 400 В (лучше 1000 В, 1600 В или даже 2000 В). Ссылка на комментарий Поделиться на другие сайты Поделиться
Voffka Опубликовано 29 Февраля, 2016 в 11:26 Автор Жалоба Поделиться Опубликовано 29 Февраля, 2016 в 11:26 на сколько критично изменение емкости до 0.47 мкФ, нашел 2 полипропиленовых МКР Х2 на 275 и 250 B Ссылка на комментарий Поделиться на другие сайты Поделиться
mvv Опубликовано 1 Марта, 2016 в 06:33 Жалоба Поделиться Опубликовано 1 Марта, 2016 в 06:33 Владимир, при включении указанных конденсаторов параллельно они подойдут на место С4 (см. пост. #14). Ссылка на комментарий Поделиться на другие сайты Поделиться
Voffka Опубликовано 10 Марта, 2016 в 02:55 Автор Жалоба Поделиться Опубликовано 10 Марта, 2016 в 02:55 Подскажите пожалуйста, насколько критично, в плане помехозащищенности и наводок, такое расположение трансформаторов и дросселей, в особенности интересует расположение ТАН и ТН. Под требуемые размеры корпуса места катострофически не хватает, вот и приходится подниматься вверх ТН планирую установить на сплошную металлическую пластину толщиной примерно 1 мм. Ссылка на комментарий Поделиться на другие сайты Поделиться
Voffka Опубликовано 10 Марта, 2016 в 03:20 Автор Жалоба Поделиться Опубликовано 10 Марта, 2016 в 03:20 Вариант расположения №2: Ссылка на комментарий Поделиться на другие сайты Поделиться
Рекомендуемые сообщения
Для публикации сообщений создайте учётную запись или авторизуйтесь
Вы должны быть пользователем, чтобы оставить комментарий
Создать учетную запись
Зарегистрируйте новую учётную запись в нашем сообществе. Это очень просто!
Регистрация нового пользователяВойти
Уже есть аккаунт? Войти в систему.
Войти