real64 Опубликовано 18 Января, 2016 в 15:34 Жалоба Поделиться Опубликовано 18 Января, 2016 в 15:34 Выпрямитель, как вы и хотели, двуполярный. На выходе ±15 В относительно среднего вывода (точки) - "земли" . Напряжения конденсаторов так же берутся относительно "земли". Соответсвенно на первых до стабилизаторов 18*1.41=25В, после стабилизаторов по 15. Покажите схему корректора. Ссылка на комментарий Поделиться на другие сайты Поделиться
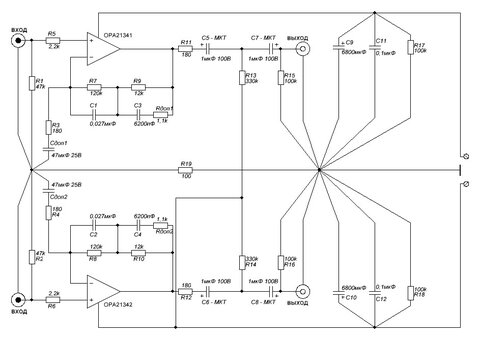
Гость DenKG Опубликовано 20 Января, 2016 в 19:36 Жалоба Поделиться Опубликовано 20 Января, 2016 в 19:36 Выпрямитель, как вы и хотели, двуполярный. На выходе ±15 В относительно среднего вывода (точки) - "земли" . Напряжения конденсаторов так же берутся относительно "земли". Соответсвенно на первых до стабилизаторов 18*1.41=25В, после стабилизаторов по 15. Покажите схему корректора. Фонокорректор на ОРА2134 (схему подсмотрел на датагоре). Плюс к нему на том же ОУ усилитель для наушников. Ссылка на комментарий Поделиться на другие сайты Поделиться
real64 Опубликовано 21 Января, 2016 в 08:26 Жалоба Поделиться Опубликовано 21 Января, 2016 в 08:26 Собственно что-то подобное и предполагалось. Общее токовое потребление в районе 50 мА максимум. В фонокорректоре я бы выход резисторов R11,12 подключил ко входу телефонного усилителя. Кстати, наушники у Вас какие? Если низкоомные - удовлетворительной работы с таким тел. усилителем не получится. Ссылка на комментарий Поделиться на другие сайты Поделиться
Yamazaki Опубликовано 21 Января, 2016 в 10:07 Жалоба Поделиться Опубликовано 21 Января, 2016 в 10:07 Если низкоомные - удовлетворительной работы с таким тел. усилителем не получится. Точно подмечено. 2134 хороший опер, но ему не помешает буфер на выходе. Тут в соседней ветке есть подходящая конструкция: https://forum.datagor.ru/topic/10306-po-state-usilitel-dlja-naushnikov-s-parallel/ Ссылка на комментарий Поделиться на другие сайты Поделиться
Гость DenKG Опубликовано 21 Января, 2016 в 10:26 Жалоба Поделиться Опубликовано 21 Января, 2016 в 10:26 Собственно что-то подобное и предполагалось. Общее токовое потребление в районе 50 мА максимум. В фонокорректоре я бы выход резисторов R11,12 подключил ко входу телефонного усилителя. Кстати, наушники у Вас какие? Если низкоомные - удовлетворительной работы с таким тел. усилителем не получится. Евгений, спасибо! ДА, наушники низкоомные. Ссылка на комментарий Поделиться на другие сайты Поделиться
Рекомендуемые сообщения
Для публикации сообщений создайте учётную запись или авторизуйтесь
Вы должны быть пользователем, чтобы оставить комментарий
Создать учетную запись
Зарегистрируйте новую учётную запись в нашем сообществе. Это очень просто!
Регистрация нового пользователяВойти
Уже есть аккаунт? Войти в систему.
Войти