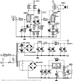
p.maltsev Опубликовано 3 Декабря, 2015 в 10:02 Жалоба Поделиться Опубликовано 3 Декабря, 2015 в 10:02 (изменено) Всем привет. По существу - спеклись обмотки силового трансформатора в SE на EL34B, UL включение, автоматическое смещение. Приобретался моим товарищем более года назад на али. Полный аналог этого: Music Hall BOYUN EL34 Single-ended Pure Class A tube amplifier 5Z3P+6N9P Hifi audio DIY KIT 12W*2 110-240V Попытка перемотать трансформатор по аналогии (кол-во витков и ∅ проводов) успехом не увенчалась - большой ток по первичной обмотке на холостом ходу. Необходимо пересчитать силовой трансформатор. С напряжением и током накальных обмоток проблем нет. Помогите найти напряжение анодной обмотки. Данных по выходным трансформаторам нет. SE EL34B china.pdf Изменено 3 Декабря, 2015 в 11:00 пользователем p.maltsev Ссылка на комментарий Поделиться на другие сайты Поделиться
TANk Опубликовано 3 Декабря, 2015 в 12:25 Жалоба Поделиться Опубликовано 3 Декабря, 2015 в 12:25 (изменено) ... Необходимо пересчитать силовой трансформатор. ... Считать будете сами, я так понял. Нужно только определиться с тем какое напряжение дает анодная обмотка. Предлагаю сделать 2 по 330 вольт. После выпрямления кенотроном получим примерно 380 вольт постоянки. На холостом ходу пока лампы не прогрелись может напряжение достигать 450 вольт. Обратить внимание на допустимое напряжение конденсаторов. Изменено 3 Декабря, 2015 в 12:26 пользователем tank Ссылка на комментарий Поделиться на другие сайты Поделиться
p.maltsev Опубликовано 3 Декабря, 2015 в 12:47 Автор Жалоба Поделиться Опубликовано 3 Декабря, 2015 в 12:47 Александр, все верно. Трансформатор пересчитаю. Помощь нужна в определении режимов работы драйвера и выходной лампы - ток и напряжение. Может есть смысл по ВАХ прикинуть режим драйвера, а от него уже по падению напряжения на сопротивлении 8,2k получить анодное? если не ошибаюсь, можно взять ВАХ 6Н9С. Или принять, что выходные трансформаторы взяты с оптимальным Ra для EL34 и по ВАХ найти Ua? Сам, к сожалению, не силен. Рабочее напряжение конденсаторов указано в схеме - 400В. Не думаю, что китайцы так бы задирали анодное, хотя от них можно ожидать всё, что угодно. Ссылка на комментарий Поделиться на другие сайты Поделиться
TANk Опубликовано 3 Декабря, 2015 в 13:01 Жалоба Поделиться Опубликовано 3 Декабря, 2015 в 13:01 ... Рабочее напряжение конденсаторов указано в схеме - 400В. Не думаю, что китайцы так бы задирали анодное, хотя от них можно ожидать всё, что угодно. ... Надо посмотреть на какое напряжение конденсаторы стоят в реале. Если на 400в. То тогда обмотки надо делать на напряжение 400/1.4=290 вольт. Чтобы не пробило конденсаторы. Под нагрузкой будет тогда порядка 320-330 вольт анодного. После перемотки уже настроить усилитель правильно подобрав номиналы резисторов в катоде 6Н9С и ЕЛ34 чтобы вывести их на нужный режим работы. Вообще, раз уж пришлось залезть в этот усилитель с паяльником, я бы еще попробовал выходную лампу включить пентодом и ввести небольшую ООС с выхода на катод драйверной лампы. Если сравнивать триодное, УЛ и пентодное включение по качеству звука то УЛ режим на мой слух оказывается на последнем месте. Ссылка на комментарий Поделиться на другие сайты Поделиться
vladimirm2 Опубликовано 3 Декабря, 2015 в 13:28 Жалоба Поделиться Опубликовано 3 Декабря, 2015 в 13:28 Загляните еще сюда. Может что и пригодится! ) https://datagor.ru/amplifiers/tubes/2310-usilitel-se-na-6n9s-i-el34.html Ссылка на комментарий Поделиться на другие сайты Поделиться
p.maltsev Опубликовано 3 Декабря, 2015 в 14:19 Автор Жалоба Поделиться Опубликовано 3 Декабря, 2015 в 14:19 Надо посмотреть на какое напряжение конденсаторы стоят в реале. Если на 400в. То тогда обмотки надо делать на напряжение 400/1.4=290 вольт. Чтобы не пробило конденсаторы. Под нагрузкой будет тогда порядка 320-330 вольт анодного. После перемотки уже настроить усилитель правильно подобрав номиналы резисторов в катоде 6Н9С и ЕЛ34 чтобы вывести их на нужный режим работы. Вообще, раз уж пришлось залезть в этот усилитель с паяльником, я бы еще попробовал выходную лампу включить пентодом и ввести небольшую ООС с выхода на катод драйверной лампы. Если сравнивать триодное, УЛ и пентодное включение по качеству звука то УЛ режим на мой слух оказывается на последнем месте. Схема рисовалась с натуры))) 400В в реале. Можно попробовать так, если режимы подскажите. Без замены выходных трансформаторов можно пробовать и пентодное и УЛ включение? Загляните еще сюда. Может что и пригодится! ) https://datagor.ru/am...n9s-i-el34.html Спасибо, Владимир. В Вашем варианте Ua 400В? Ссылка на комментарий Поделиться на другие сайты Поделиться
vladimirm2 Опубликовано 3 Декабря, 2015 в 14:58 Жалоба Поделиться Опубликовано 3 Декабря, 2015 в 14:58 Да, у меня Ua 400В Ссылка на комментарий Поделиться на другие сайты Поделиться
p.maltsev Опубликовано 3 Декабря, 2015 в 16:59 Автор Жалоба Поделиться Опубликовано 3 Декабря, 2015 в 16:59 (изменено) Да, у меня Ua 400В Владимир, а Ua в первом варианте схемы МАИ, приведенном в статье https://datagor.ru/am...n9s-i-el34.html 380В? к сожалению, плохо видно. Изменено 3 Декабря, 2015 в 17:00 пользователем p.maltsev Ссылка на комментарий Поделиться на другие сайты Поделиться
cbafrunze Опубликовано 3 Декабря, 2015 в 17:25 Жалоба Поделиться Опубликовано 3 Декабря, 2015 в 17:25 (изменено) Владимир, а Ua в первом варианте схемы МАИ, приведенном в статье https://datagor.ru/am...n9s-i-el34.html 380В? к сожалению, плохо видно. Это получше, выбирайте. Изменено 3 Декабря, 2015 в 17:42 пользователем cbafrunze Ссылка на комментарий Поделиться на другие сайты Поделиться
TANk Опубликовано 3 Декабря, 2015 в 18:26 Жалоба Поделиться Опубликовано 3 Декабря, 2015 в 18:26 (изменено) ... Без замены выходных трансформаторов можно пробовать и пентодное и УЛ включение? ... Да можно. Валерий привел как раз схему китайского усилителя аналогичного вашему. Конденсаторы в БП на 450 вольт на трансформаторе 2 обмотки по 320в. Если конденсаторы стоят на 400 вольт то мотать 2 обмотки по 290 вольт. В конце концов раз все равно перематываем, то можно сделать анодную обмотку с отводами. Мотаем начало - 30вольт - 290вольт - средняя точка - 290вольт - 30 вольт. Пара лишних проводков заметно упростят работу по дальнейшей настройке. Изменено 3 Декабря, 2015 в 18:33 пользователем tank Ссылка на комментарий Поделиться на другие сайты Поделиться
p.maltsev Опубликовано 4 Декабря, 2015 в 04:21 Автор Жалоба Поделиться Опубликовано 4 Декабря, 2015 в 04:21 Валерий, Александр, спасибо огромное. Теперь мене-более понятны режимы работы каскадов. Конденсаторы фильтра на 400В включу последовательно или поменяю на 450В. Еще не проверял, но не исключен пробой одного или обоих. При перемотке постараюсь выполнить все рекомендации. По результату отпишусь непременно. Посмотрев несколько схем SE 6Н9С и EL34B и помучив людей глупыми вопросами, понял, что китайцы не особо заморачиваются оптимальными режимами в своих конструкциях. Чаще всего для данных ламп имеем Ua 400-420В, 70mA и 2mA для выходной и драйверной ламп соответственно. В моем случае при 2К в катоде драйвера режим 6n9p совсем не понятен. Ссылка на комментарий Поделиться на другие сайты Поделиться
TANk Опубликовано 4 Декабря, 2015 в 05:57 Жалоба Поделиться Опубликовано 4 Декабря, 2015 в 05:57 (изменено) Такие недорогие китайские усилители зачастую представляют из себя хороший набор "сделай сам Hi-Fi" Мы имеем фабричный корпус, лампы, панели, трансформаторы, установочную фурнитуру - то что самодельщику бывает труднее всего изготовить дома на коленке. И все это к тому же еще и как то работает (тоесть проверено на исправность). И что удивительно в виде готового изделия оно стоит дешевле чем покупка всех этих деталей по частям. А вот приложив хорошую голову к схемотехнике, настроив режимы работы можно существенно улучшить параметры усилителя. Знаю немало примеров, когда такие усилители брались именно с целью основательно перебрать потроха, оставив красивый внешний вид и получить достойное не только по виду, но и по звуку устройство. Ремонт вышедшего из строя такого изделия как раз является поводом залезть внутрь и провести переделку. Изменено 4 Декабря, 2015 в 06:00 пользователем tank Ссылка на комментарий Поделиться на другие сайты Поделиться
Рекомендуемые сообщения
Для публикации сообщений создайте учётную запись или авторизуйтесь
Вы должны быть пользователем, чтобы оставить комментарий
Создать учетную запись
Зарегистрируйте новую учётную запись в нашем сообществе. Это очень просто!
Регистрация нового пользователяВойти
Уже есть аккаунт? Войти в систему.
Войти