Гость kdtp Опубликовано 20 Ноября, 2015 в 12:37 Жалоба Поделиться Опубликовано 20 Ноября, 2015 в 12:37 (изменено) Начнём с крайнего вопроса, цитирую: «…. хотелось бы узнать, как вы рассчитали Raa?» Для начала немного «забавной» теории. Люди, которые самостоятельно мотают выходные трансформаторы, для расчёта коэффициента трансформации, будущего выходного трансформатора, пользуются следующей формулой; Ктр. = √ {(q x Raa) : Rнагрузки}, где; Ктр. – коэффициент трансформации, q - КПД трансформатора, Raa – приведённое сопротивление, Rнагрузки – сопротивление нагрузки. Поскольку, мы имеем дело уже с намотанным (готовым, «промышленным») трансформатором, то, при дальнейших расчётах, такое значение как «q - КПД трансформатора», можно исключить из этой формулы. Почему? Потому что, при расчёте и изготовлении данного трансформатора уже был учтён КПД. Поэтому, мы будем пользоваться формулой для расчёта коэффициента трансформации…, в несколько упрощённом варианте, а именно; Ктр. = √ (Raa : Rнагрузки). Ну, вот теперь, приступим к ответу на интересующей Вас вопрос. Для начала, посмотрим – какие есть у нас «вводные»? Ага…, у нас есть оптимальное значение Raa = 1620 Ом, для ламп 6П41С. Это значение Raa рассчитал С. Комаров…, имея в виду определенный режим работы ламп (6П41С) в оконечном каскаде усилителя мощности! И…, сопротивление нагрузки, Rнагрузки = 8 Ом (эти данные предоставили Вы.) Теперь посчитаем коэффициент трансформации выходного трансформатора…, для нашего, конкретного случая, учитывая рекомендованное значение Raa = 1620 Ом, которое рассчитал С. Комаров…, и Ваши «вводные» по Rнагрузки = 8 Ом. Ктр. = √ (Raa : Rнагрузки) = √ (1620 Ом : 8 Ом) = 14,23. Запомним, Ктр. = 14,23. Поскольку мы имеем дело с «промышленными» трансформаторами серии ТПП (ТАН, ТН)…, и количество витков в обмотках трансформаторов нам ни кто не предоставил (в доступной справочной литературе их нет)…, то, вместо количества витков в обмотках, будем пользоваться значением напряжения, на величину которого рассчитаны обмотки этих трансформаторов. Пример (Ваш…, конкретный). Имеем трансформатор ТПП 286 127/220-50. Если две половинки первичной обмотки этого трансформатора соединить последовательно, то мы получим…, 138 Вольт + 138 Вольт = 276 Вольт. Теперь, посчитаем – какое напряжение должна иметь вторичная обмотка…, если для нашего выходного трансформатора, мы рассчитали (и запомнили) Ктр. = 14,23. Считаем; 276 Вольт : 14,23 = 19,4 Вольта. Это означает, что из всего разнообразия вторичных обмоток (у ТПП их 6 штук) нам надо составить такое же…, или близкое по значению суммарное напряжение. Посмотрим в справочник. У трансформатора ТПП 286 127/220-50, вторичные обмотки рассчитаны на следующие напряжения: 3,92 Вольта; 3,92 Вольта; 6,36 Вольта; 6,36 Вольта; 0,75 Вольта; 0,75 Вольта. Путём несложных манипуляций с этими данными…, мы можем «набрать» два варианта напряжения вторичной обмотки. Вариант №1 - 3,92 Вольта + 3,92 Вольта + 6,36 Вольта + 6,36 Вольта = 20,56 Вольта. Вариант №2 - 3,92 Вольта + 6,36 Вольта + 6,36 Вольта + 0,75 Вольта + 0,75 Вольта = 18,14 Вольта. Теперь, перепишем нашу формулу для расчёта коэффициента трансформации…, несколько по-другому. У нас, сейчас, эта формула имеет следующий вид; Ктр. = √ (Raa : Rнагрузки). А мы её напишем вот так; Raa = Ктр. в квадрате х Rнагрузки. Так…, хорошо – эта формула нам пригодиться в дальнейшем!!! Далее, вспомним, что коэффициент трансформации, это…, так же, соотношение витков (в нашем случае Вольт!!!) первичной и вторичной обмоток. То есть, для нашего случая (с трансформатором ТПП, ТАН, ТН…, и даже ТС), коэффициент трансформации может быть представлен ещё одной формулой, а именно; Ктр. = Uперв. : Uвтор., где; Ктр. – коэффициент трансформации, Uперв. – напряжение первичной обмотки. В нашем случае, это 276 Вольт. Uвтор. – напряжение вторичной обмотки. В нашем случае, это два напряжения (варианта). Вариант №1 - Uвтор. = 20,56 Вольта. Вариант №2 - Uвтор. = 18,14 Вольта. Посчитаем для каждого варианта…, свой коэффициент трансформации. Вариант №1. Ктр. = Uперв. : Uвтор. = 276 Вольт : 20,56 Вольта = 13,42. Запомним, Вариант №1. Ктр. = 13,42. Вариант №2. Ктр. = Uперв. : Uвтор. = 276 Вольт : 18,14 Вольта = 15,21. Запомним, Вариант №1. Ктр. = 15,21. Ну…, а теперь…, пляши, дядя Игорь – будем узнавать, как я рассчитал Raa! :wink: Помните, мы переписывали формулу? Ну…, как же…, Raa = Ктр. в квадрате х Rнагрузки? Вспомнили? Ну…, замечательно! Теперь, подставим в эту формулу два варианта (Вариант №1. и Вариант №2.) значения коэффициентов трансформации и узнаем значения Raa для двух вариантов! Поехали; Вариант №1. Ктр. = 13,42. Raa = Ктр. в квадрате х Rнагрузки = 13,42 в квадрате х 8 Ом = 1441Ом. И так, имеем; вариант №1, Raa = 1441Ом. Вариант №2. Ктр. = 15,21. Raa = Ктр. в квадрате х Rнагрузки = 15,21 в квадрате х 8 Ом = 1851Ом. И так, имеем; вариант №2, Raa = 1851Ом. Вот, собственно и всё…, по данному вопросу. Дальше? Ну…, поживём – увидим. :wink: Изменено 20 Ноября, 2015 в 12:45 пользователем kdtp Ссылка на комментарий Поделиться на другие сайты Поделиться
Гость xtrason Опубликовано 20 Ноября, 2015 в 13:34 Жалоба Поделиться Опубликовано 20 Ноября, 2015 в 13:34 Ну просто ЗДОРОВО! Виктор, вы прям как препод на лекции - все разжевали и в рот положили - осталось проглотить. Спасибо огромное! А вопрос про переменку и постоянку для выходного трансформатора все же остается открытым... :wink: ... Вот, собственно и всё…, по данному вопросу. Дальше? Ну…, поживём – увидим. ... Конечно дальше!!! Так интереснооооо! :sad: Все, пока ухожу в реал - ДОДЕЛЫВАТЬ УСИЛИТЕЛЬ НА 6П41С!!! :wink: Ссылка на комментарий Поделиться на другие сайты Поделиться
Гость kdtp Опубликовано 20 Ноября, 2015 в 13:54 Жалоба Поделиться Опубликовано 20 Ноября, 2015 в 13:54 ....А вопрос про переменку и постоянку для выходного трансформатора все же остается открытым... :wink: Оно…, конечно. Только НЕ худо бы, для начала, вспомнить…, что ТРАНСФОРМАТОР, это такая «машинка»…, которая работает на ПЕРЕМЕННОМ токе. :sad: Глядишь, и некоторые вопросы и непонятки, по работе трансформатора..., отпали бы сами собой! :sad: Всё, всё, всё…, умолкаю. :wink: Ссылка на комментарий Поделиться на другие сайты Поделиться
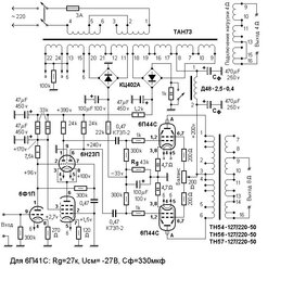
Гость xtrason Опубликовано 20 Ноября, 2015 в 14:39 Жалоба Поделиться Опубликовано 20 Ноября, 2015 в 14:39 Вот тут по ходу "доделки" возник вопрос. Чем обусловлено рабочее напряжение электролитического конденсатора (47μF 450В) в точке соединения двух резисторов по 33к и резистора 7,5к? Ведь по режиму, указанному на схеме, там всего +170 В. Нельзя там поставить конденсатор на меньшее напряжение, например на 200 В? Ссылка на комментарий Поделиться на другие сайты Поделиться
Гость kdtp Опубликовано 20 Ноября, 2015 в 15:22 Жалоба Поделиться Опубликовано 20 Ноября, 2015 в 15:22 Если Вы используйте тот силовой трансформатор, который указан на схеме…, то, пока лампы холодные, там будет весьма высокое напряжение. Ну, а как только лампы прогреются – всё встанет на «свои места». Ссылка на комментарий Поделиться на другие сайты Поделиться
Гость xtrason Опубликовано 20 Ноября, 2015 в 15:29 Жалоба Поделиться Опубликовано 20 Ноября, 2015 в 15:29 То есть, как я понимаю, если сначала прогреть лампы, а потом подать анодное, то можно обойтись и конденсатором на 200 В? Ссылка на комментарий Поделиться на другие сайты Поделиться
Гость kdtp Опубликовано 20 Ноября, 2015 в 16:50 Жалоба Поделиться Опубликовано 20 Ноября, 2015 в 16:50 (изменено) В общем – да. Изменено 20 Ноября, 2015 в 16:50 пользователем kdtp Ссылка на комментарий Поделиться на другие сайты Поделиться
20miha20 Опубликовано 20 Ноября, 2015 в 17:54 Жалоба Поделиться Опубликовано 20 Ноября, 2015 в 17:54 ....но лучше не рисковать, ибо если лампа в работающем усилителе выйдет из строя, то на бедном конденсаторе высадится полное анодное. И затем куча работы по отмыванию шасси от продуктов взрыва конденсатора. Вам оно надо? 1 Ссылка на комментарий Поделиться на другие сайты Поделиться
Гость xtrason Опубликовано 21 Ноября, 2015 в 10:04 Жалоба Поделиться Опубликовано 21 Ноября, 2015 в 10:04 Небольшая ремарка для Виктора: Вы дали правильный " упрощённый расчёт" в посте #14,обозначив,что у нас есть "оптимальное" Raa (добавлю -непосредственно,связанное с Ri ламп и режимом работы) и что Rn величина фиксированная(выбранная), и посредством этих величин , рассчитывается Kтр. Добавлю, что индуктивность первички для двухтакта: L=Raа:(2ΠFn√M(в квадр.)-1)! ( Fn-"нижняя частота", М-коэф.частотных искажений). Вопрос к нашему "давнему спору" , как количеством витков вторички изменить "оптимальное" Raa и уж тем более L первички ??? Подставил свои значения в Вашу формулу, получилось L = 2,6 Гн. Вопрос: это расчетная (минимальная необходимая) индуктивность или реальная, которую я получу от данного трансформатора? Raa подставлял 1852 Ом. Если Вы следите за темой, то знаете откуда это значение. Ссылка на комментарий Поделиться на другие сайты Поделиться
Гость kdtp Опубликовано 21 Ноября, 2015 в 10:58 Жалоба Поделиться Опубликовано 21 Ноября, 2015 в 10:58 (изменено) Юрий (titpol), создавайте отдельную тему…, там и поговорим…, опять же – если дядя Датагор позволит! Только…, для начала – не надо всё валить в одну кучу…, и подменять одни понятия другими. Например, если мы говорим о некой «универсальности» выходного трансформатора, созданного на «базе» двух трансформатор типа ТПП (включение по дифф. схеме), то на первый план «выходит» именно его «УНИВЕРСАЛЬНОСТЬ»…, а не качественное воспроизведение, этим «универсальным» выходным трансформатором, низких частот! ….Хотя, с отдельными лампами, можно таки добиться (с таким трансформатором) хорошего «низа». Игорь (xtrason), Вы для начала спросите у Юрия (titpol) – зачем нам надо знать индуктивность первичной обмотки? И если он Вам чётко и обоснованно (без растеканий по древу) ответит на этот вопрос…, тогда можно поговорить «и о том, и о сём»…. Да, чуть не забыл – я то, правильный ответ знаю…. :wink: Изменено 21 Ноября, 2015 в 12:07 пользователем kdtp Ссылка на комментарий Поделиться на другие сайты Поделиться
Гость kdtp Опубликовано 21 Ноября, 2015 в 12:19 Жалоба Поделиться Опубликовано 21 Ноября, 2015 в 12:19 (изменено) Это не кончиться ни когда! :wink: Вопрос – в чём Вы усмотрели «умышленность» рассогласования в моём варианте «изготовления» универсального выходного трансформатора на базе двух, включённых по дифф. схеме трансформаторов ТПП!? Только – конкретно, без «литературного» словоблудия…, с теоретическими выкладками и обоснованными доказательствами! :wink: Подсказка – тут всё намного проще…, только надо вспомнить принцип работы трансформатора (любого; хоть силового, хоть выходного)…, и не забыть про условия, которые обеспечат «правильность» работы трансформатора! :sad: ....PS. Поясню:увеличили коэффициент трансформации посредством вторички("изменили Raa трансформатора") , значит нужно уменьшить амплитуду напряжения и увеличить ток , а конкретные лампы это уже "не тянут", у них Raa не тот... Нет…, Вы так просто от меня не отделаетесь! Без обиды..., но эти Ваши "высказывания" (которые я процетировал), дают мне полное основание предположить..., что Вы имеете весьма смутное представление о работе выходного каскада лампового усилителя мощности..., и о работе, самого выходного трансформатора. Я не прав? Тогда проверим. Давайте-ка конкретно, с цифрами…, с формулами. Например, с конкретной лампой…, скажем с лампой 6П3С. Что не нравиться лампа? Тогда выберете любую другую лампу…, для РР усилителя. Выбрали? Хорошо! Теперь, будьте так любезны, посчитайте - какое наибольшие действующие напряжение по переменному току разовьёт, выбранная Вами пара ламп, на максимальной мощности РР усилителя? Вот…, Вы сначала посчитайте, а потом продолжим. Хорошо? Изменено 21 Ноября, 2015 в 14:42 пользователем kdtp Ссылка на комментарий Поделиться на другие сайты Поделиться
Гость xtrason Опубликовано 21 Ноября, 2015 в 12:35 Жалоба Поделиться Опубликовано 21 Ноября, 2015 в 12:35 Виктор, Юрий, ребята, да перестаньте вы в конце концов! Ну в каждой теме по лампам ваши терки. Вы уже друг другу в личку, что-ли пишите... Ссылка на комментарий Поделиться на другие сайты Поделиться
Рекомендуемые сообщения
Для публикации сообщений создайте учётную запись или авторизуйтесь
Вы должны быть пользователем, чтобы оставить комментарий
Создать учетную запись
Зарегистрируйте новую учётную запись в нашем сообществе. Это очень просто!
Регистрация нового пользователяВойти
Уже есть аккаунт? Войти в систему.
Войти