Elektrik Опубликовано 27 Июня, 2015 в 10:38 Жалоба Поделиться Опубликовано 27 Июня, 2015 в 10:38 :smile: Сильная точность не нужна. Ну тогда все проще. Я думал нужно точно копировать, типа восстанавливается раритет. Только есть еще проблема. При питании 6 вольт, мощность очень маленькая, на динамике 4 ома около 2 ватт, с мостовым усилителем около 8. Сомневаюсь, что на дороге будет хорошо слышно. Так что, без преобразователя напряжения, не обойтись Отсутствие схожести со спецсигналами 01,02,03 (чтобы не пришили нарушение ПДД опять же) А 04? :smile: Ссылка на комментарий Поделиться на другие сайты Поделиться
Гость rubenlukin Опубликовано 27 Июня, 2015 в 14:19 Жалоба Поделиться Опубликовано 27 Июня, 2015 в 14:19 Вообще, чтобы не изобретать велоси мотоцикл, изобрели гугль. Что мешает установить штатный "аналоговый" сигнал? И где тот, которым изначально оснащено ТС? Ссылка на комментарий Поделиться на другие сайты Поделиться
Джей Опубликовано 27 Июня, 2015 в 18:29 Автор Жалоба Поделиться Опубликовано 27 Июня, 2015 в 18:29 Вообще, чтобы не изобретать велоси мотоцикл, изобрели гугль. Что мешает установить штатный "аналоговый" сигнал? И где тот, которым изначально оснащено ТС? Я уже выше писАл... Мешает отсутствие возможности подать на него минимум питания и при этом получить максимум громкости. И если нужно фото сигнала, ранее стоявшего на Ссылка на комментарий Поделиться на другие сайты Поделиться
Yamazaki Опубликовано 27 Июня, 2015 в 21:12 Жалоба Поделиться Опубликовано 27 Июня, 2015 в 21:12 Если не подходит классический клаксон, по совету Александра (picap) перемотайте автомобильную сирену на более низкое сопротивление, чтобы она кочегарилась до номинальной мощности при меньшем напряжении, ну и к ней простой мощный генератор меандра герц на 400. Всё. Альтернативный вариант - сменить фару на светодиодную. Большая яркость достигается при меньшем потреблении и мощность генератора снова оказывается вполне достаточной. И опять же, нормальный мощный клаксон или с преобразователем, или с перемоткой катушки под 6 вольт. Ссылка на комментарий Поделиться на другие сайты Поделиться
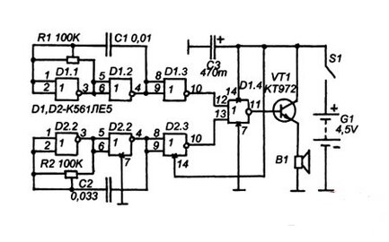
vitivsev Опубликовано 28 Июня, 2015 в 04:37 Жалоба Поделиться Опубликовано 28 Июня, 2015 в 04:37 ...отсутствие возможности подать на него минимум питания и при этом получить максимум громкости...Евгению.Аккумулятор например; 6 Вольт * 10 Ампер = 60 Ватт, это МАХ. мощность которую он отдаст. Не знаю какой аккумулятор используется для питания штатного оборудования, не берусь жестко утверждать, но видимо не самый качественный, очень похоже "не" штатный. Чем больше запас по току в самом аккумуляторе, тем больше у Вас появится возможностей в его использовании. Важно, чтобы ваш генератор правильно работал и успевал за какой-то цикл покатушек зарядить банку. В этом необходимо быть тоже уверенным, что этот процесс происходит, т.е.исправность самой системы зажигания и подпитки. Теперь о подразумеваемой системе звукового сигнала. В качестве тон сигнала можно использовать любые маломощные схемы скажем на К561 серии, далее должен быть усилитель этого тона и какой то излучатель. Попробуйте собрать подобную схему(см аттач) и запитать ее для опробования отдельным источником-батареей. Может повезет! Удачи! :smile: Ссылка на комментарий Поделиться на другие сайты Поделиться
Джей Опубликовано 28 Июня, 2015 в 04:57 Автор Жалоба Поделиться Опубликовано 28 Июня, 2015 в 04:57 Виталий, спасибо, будем пробовать. Всем спасибо за советы. на этом пока и остановимся :-) Ссылка на комментарий Поделиться на другие сайты Поделиться
Рекомендуемые сообщения
Для публикации сообщений создайте учётную запись или авторизуйтесь
Вы должны быть пользователем, чтобы оставить комментарий
Создать учетную запись
Зарегистрируйте новую учётную запись в нашем сообществе. Это очень просто!
Регистрация нового пользователяВойти
Уже есть аккаунт? Войти в систему.
Войти