Гость felix Опубликовано 23 Июня, 2015 в 05:44 Жалоба Поделиться Опубликовано 23 Июня, 2015 в 05:44 (изменено) Уважаемые Датагорцы, первый раз нарисовал печатную плату. Прошу проверить, все ли верно. Все транзисторы и диоды будут размещены на радиаторах. Изменено 23 Июня, 2015 в 05:45 пользователем felix Ссылка на комментарий Поделиться на другие сайты Поделиться
Datagor Опубликовано 23 Июня, 2015 в 07:17 Жалоба Поделиться Опубликовано 23 Июня, 2015 в 07:17 felix, имя добавьте в профиле. Чтобы возникло желание разбираться с платой, вам нужно, как минимум, подписать позиционные обозначения деталей согласно приведённой схеме (типа R2, C10 и т.д.), а также точки внешних подключений - что куда. Ссылка на комментарий Поделиться на другие сайты Поделиться
Yamazaki Опубликовано 23 Июня, 2015 в 17:02 Жалоба Поделиться Опубликовано 23 Июня, 2015 в 17:02 felix, вы хотите прям каждую детальку выходного каскада подключить на проводах? Недачная концепция, по многим причинам. Самая очевидная из них - кошмарная куча проводов, торчащих во все стороны! Обычно вопрос решают, выводя все детали, которые должны крепиться к радиатору, в один ряд: Или в одну плоскость: Корпуса диодов не очень-то удобно крепить на радиатор, поскольку они (д220) круглые, стеклянные и не имеют крепежных отверстий. Нужно городить крепление. и их надо сразу четыре штуки соединять. Для макета может быть и годится, но в законченном изделии гораздо красивее и надежнее будет смотреться транзистор, включенный соответствующим образом. Смотрите картинку 1, вот он, маленький, в середине торчит. Стабилизировать ток покоя будет не хуже, но насколько все аккуратнее получается! Никаких соплей. Ещё немного о соплях: Если соединения деталей на плате соответствуют схеме, это ещё ничего не значит. В суровой реальности к ним добавляются сопротивления и индуктивности и взаимоиндуктивности проводов, паразитные емкости. Задача инженера - все эти неприятные явления свести к минимуму, чтобы схема готового изделия на самом деле соответствовала той схеме, которую мы нарисовали на бумаге. Когда вы вешаете детали на проводах, все эти явления становится гораздо сложнее учитывать. В ламповом мире навесной монтаж считается вполне приемлемым, но, тем не менее, он тоже выполняется по определенным правилам. В вашем случае лучше сделать все на одной печатке, выведя транзисторы на край или вниз. Попробуйте с этого начать, а там посморим более детально. В данный момент я не имею возможности очень детально все расписывать, это тема для многих статей или даже книг, в одном посте просто не поместится. Но, для примера, зацените вот эту однослойную печатку, она мне очень нравится. нарисовал Ispytatel(с) Конденсаторы питания и выходной каскад расположены вплотную друг к другу, ток идёт по контуру очень небольшой площади. Силовая часть разведена не тонкими дорожками, а широченными полигонами с очень низким сопротивлением и индуктивностью. Можно быть уверенным, что выходной каскад будет работать так, как задумано. Ссылка на комментарий Поделиться на другие сайты Поделиться
Yamazaki Опубликовано 23 Июня, 2015 в 17:29 Жалоба Поделиться Опубликовано 23 Июня, 2015 в 17:29 Кстати, подозрительно знакомая схема. Недавно в мультисим именно её загонял. Случайно, не вы про неё спрашивали недавно? Ссылка на комментарий Поделиться на другие сайты Поделиться
vitivsev Опубликовано 23 Июня, 2015 в 19:07 Жалоба Поделиться Опубликовано 23 Июня, 2015 в 19:07 Прошу проверить... расположение и обозначение деталей несколько не традиционное, может вам подойдет родной вариант? Все детали, кроме диодов VD1 —VD4 и транзисторов VT3, VT4. Плата рассчитана на установку резисторов МЛТ, конденсаторов КМ-6 и операционного усилителя КР1408УД1 в пластмассовом корпусе. Ссылка на комментарий Поделиться на другие сайты Поделиться
Datagor Опубликовано 24 Июня, 2015 в 08:33 Жалоба Поделиться Опубликовано 24 Июня, 2015 в 08:33 Виталий, спасибо! Если владеете информацией, напомните аудитории, откуда "ноги растут" - имя, год, номер журнала, название статьи, страница. Ссылка на комментарий Поделиться на другие сайты Поделиться
Yamazaki Опубликовано 24 Июня, 2015 в 09:19 Жалоба Поделиться Опубликовано 24 Июня, 2015 в 09:19 https://forum.datagor.ru/index.php?showtopic=10287 точняк, симулировал. Ссылка на комментарий Поделиться на другие сайты Поделиться
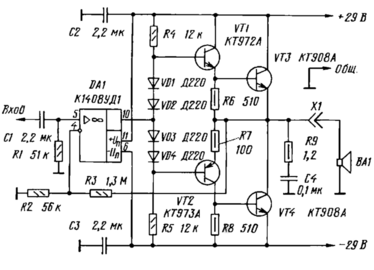
vitivsev Опубликовано 24 Июня, 2015 в 10:56 Жалоба Поделиться Опубликовано 24 Июня, 2015 в 10:56 (изменено) РЕКУНОВ Н. ПРОСТОЙ УМЗЧ РАДИО 2000г. №11,стр 58 _https://www.radioway.ru/images/big/2000/11/_2000_11_58.gif _https://www.chipinfo.ru/literature/radio/200402/p50.html p/s в аттач(печатная плата) этот файл имеет полное название :smile: Изменено 24 Июня, 2015 в 10:59 пользователем vitivsev Ссылка на комментарий Поделиться на другие сайты Поделиться
Datagor Опубликовано 25 Июня, 2015 в 03:48 Жалоба Поделиться Опубликовано 25 Июня, 2015 в 03:48 СПАСИБО! :smile: Добавил в заголовок, так легче нужная тема находится в поисковиках. Ссылка на комментарий Поделиться на другие сайты Поделиться
Рекомендуемые сообщения
Для публикации сообщений создайте учётную запись или авторизуйтесь
Вы должны быть пользователем, чтобы оставить комментарий
Создать учетную запись
Зарегистрируйте новую учётную запись в нашем сообществе. Это очень просто!
Регистрация нового пользователяВойти
Уже есть аккаунт? Войти в систему.
Войти