Гость neo_work Опубликовано 14 Июня, 2015 в 10:30 Жалоба Поделиться Опубликовано 14 Июня, 2015 в 10:30 Доброго всем времени, уважаемые радиолюбители! Не сочтите за трудность посоветовать совсем начинающему схему лабораторного блока питания, в которой можно было бы использовать трансформатор ТН57-127/220-50. Валяется у меня эта штука, абсолютно новый, и не знаю как бы его применить с пользой... Ринулся в интернет, но либо я криворукий и не умею искать, либо этот трансформатор не подходит для блоков питания... Заранее всем огромное спасибо за советы! Ссылка на комментарий Поделиться на другие сайты Поделиться
aleks8845 Опубликовано 14 Июня, 2015 в 11:34 Жалоба Поделиться Опубликовано 14 Июня, 2015 в 11:34 Ринулся в интернет, но либо я криворукий и не умею искать Пост #11: https://forum.datagor.ru/index.php?showtopi...mp;#entry134513 Ссылка на комментарий Поделиться на другие сайты Поделиться
Гость neo_work Опубликовано 14 Июня, 2015 в 11:47 Жалоба Поделиться Опубликовано 14 Июня, 2015 в 11:47 Не совсем корректно видимо сформулировал вопрос... характеристики трансформатора найти не трудно... Я просил подсказать схему регулируемого по напряжению и току блока питания в которой можно было бы этот трансформатор использовать... Как-то так... Ссылка на комментарий Поделиться на другие сайты Поделиться
aleks8845 Опубликовано 14 Июня, 2015 в 18:14 Жалоба Поделиться Опубликовано 14 Июня, 2015 в 18:14 Я просил подсказать схему регулируемого по напряжению и току блока питания в которой можно было бы этот трансформатор использовать... Собственно в чем сложность тогда? Схем огромное количество в сети, есть на форуме Датагора ветка по источникам питания, есть портал на сайте ,где так-же много авторских статей по источникам питания. Попробуйте поиском по сайту и форуму, раз уж Вы не уточняете самих параметров нужного блока питания, то видимо они Вам известны и характеристики имеющегося трансформатора Вам подходят? Ссылка на комментарий Поделиться на другие сайты Поделиться
TANk Опубликовано 14 Июня, 2015 в 19:50 Жалоба Поделиться Опубликовано 14 Июня, 2015 в 19:50 https://datagor.ru/practice/power/1997-labo...3v-0002-3a.html Единственное ограничение в связи с используемым трансформатором, ток максимальный будет не более 1.5А (так как одна из обмоток трансформатора рассчитана на 2А а их придется включить все последовательно. Ссылка на комментарий Поделиться на другие сайты Поделиться
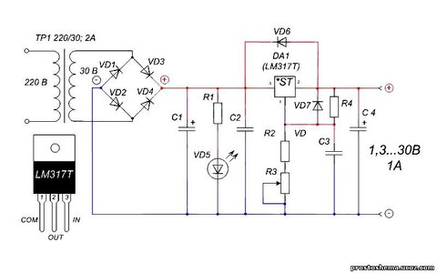
Гость neo_work Опубликовано 16 Июня, 2015 в 07:39 Жалоба Поделиться Опубликовано 16 Июня, 2015 в 07:39 (изменено) А если ТН57-127/220-50 использовать вот в такой вот простой конструкции, он справиться? И вообще насколько такой БП плох или наоборот хорош? То что он безумно прост это я понимаю :smile: Изменено 16 Июня, 2015 в 07:58 пользователем neo_work Ссылка на комментарий Поделиться на другие сайты Поделиться
alfaed Опубликовано 16 Июня, 2015 в 10:47 Жалоба Поделиться Опубликовано 16 Июня, 2015 в 10:47 Тогда ограничение тока добавить, как в этой схеме: Ссылка на комментарий Поделиться на другие сайты Поделиться
aleks8845 Опубликовано 16 Июня, 2015 в 10:52 Жалоба Поделиться Опубликовано 16 Июня, 2015 в 10:52 А если ТН57-127/220-50 использовать вот в такой вот простой конструкции, он справиться? Справится вполне. И вообще насколько такой БП плох или наоборот хорош? Получите регулируемый ,стабилизированный по напряжению БП, практически без защит, надеется, что встроенная в МС защита сработает не стоит, либо качество Мс будет невысоким, либо откровенная подделка, но работать будет.Прочтите информацию в сети по блокам питания на LMках, вариантов много:smile: Добавлено после раздумий: Тогда ограничение тока добавить, как в этой схеме: Что будет со второй LMкой при КЗ выхода? Ссылка на комментарий Поделиться на другие сайты Поделиться
Datagor Опубликовано 16 Июня, 2015 в 11:06 Жалоба Поделиться Опубликовано 16 Июня, 2015 в 11:06 Павел, привет! Старайтесь не тиражировать схемы с неподписанными номиналами деталей из непонятных источников. Если вы хотите применить интегральный стабилизатор типа 78хх или LM317 и иже с ними, вам не нужно ничего, кроме схемы из даташита производителя. Наберите в Гугле - LM317.pdf, скачайте и изучайте. Да, ваш трансформатор можно "подружить" с LM317. Рассуждать "плох или хорош" можно, только зная для чего. Как говориться, кому и кобыла - невеста. Чип всем хорош, честно отрабатывает всё, что пообещали производители. Мне нравится. Добавлено после раздумий: Что будет со второй LMкой при КЗ выхода?Какая из них вторая?По-моему, ничего плохого не будет. Имеем внутри чипа: Internal Short-Circuit Current Limiting. Не используйте подделки в работе. Смысл городить стабилизатор тока фиксированной величины (определяется сопр. резистора из формулы на схеме) мне мало понятен. Опять же, мы пока не знаем назначение предполагаемого автором топика БП. Ссылка на комментарий Поделиться на другие сайты Поделиться
alfaed Опубликовано 16 Июня, 2015 в 12:18 Жалоба Поделиться Опубликовано 16 Июня, 2015 в 12:18 Смысл городить стабилизатор тока фиксированной величины (определяется сопр. резистора из формулы на схеме) мне мало понятен. Согласен, смысла нет. Но, рассчитав по формуле, можно поставить переменный проволочный резистор с последовательно включенным постоянным, рассчитанным на максимальный ток. Ссылка на комментарий Поделиться на другие сайты Поделиться
aleks8845 Опубликовано 16 Июня, 2015 в 14:54 Жалоба Поделиться Опубликовано 16 Июня, 2015 в 14:54 По-моему, ничего плохого не будет. Имеем внутри чипа: Internal Short-Circuit Current Limiting. Не используйте подделки в работе. Игорь, полностью с Вами согласен, только не часто в наших региональных магазинах попадаются оригинальные чипы:smile: Опять же, мы пока не знаем назначение предполагаемого автором топика БП. Этот вопрос-загадка стоит с первого поста :smile: Ссылка на комментарий Поделиться на другие сайты Поделиться
Гость neo_work Опубликовано 17 Июня, 2015 в 03:11 Жалоба Поделиться Опубликовано 17 Июня, 2015 в 03:11 (изменено) Этот вопрос-загадка стоит с первого поста :smile:Ну прям засмущали... на самом деле все просто... Есть трансформатор ТН57-127/220-50, который уже два года валяется без дела и измозолил мне все глаза... Вот и интересуюсь, какая схема стабилизированного блока питания (желательно с регулировкой выходного напряжения и ограничения по току) будет оптимальна для этого трансформатора и для очень очень неопытного, но ужасно любопытного дяденьки, который хочет стать радиолюбителем... Опять же, мы пока не знаем назначение предполагаемого автором топика БП.Это тоже не однозначно...автор топика в принципе пока не особо понимает, той силы тока (около 1.5 А) и того напряжения (около 24-25 Вольт на выходе), что можно получить на данном трансформаторе, путем соединения вторичных обмоток для чего может хватить? Для питания каких радиолюбительских конструкций? Или данный трансформатор можно выбросить и забыть все свои устремления к прекрасному как страшный сон? Как-то так :smile: Изменено 17 Июня, 2015 в 03:14 пользователем neo_work Ссылка на комментарий Поделиться на другие сайты Поделиться
Рекомендуемые сообщения
Для публикации сообщений создайте учётную запись или авторизуйтесь
Вы должны быть пользователем, чтобы оставить комментарий
Создать учетную запись
Зарегистрируйте новую учётную запись в нашем сообществе. Это очень просто!
Регистрация нового пользователяВойти
Уже есть аккаунт? Войти в систему.
Войти