vitivsev Опубликовано 1 Мая, 2015 в 07:26 Жалоба Поделиться Опубликовано 1 Мая, 2015 в 07:26 Мир, Труд, Май! С праздником ребята! Завтра разгрузочный день, а после продолжим не спеша, если я вас не запарил) Может пригодится... Намотаны два выходных трансформатора экспериментально с неполными слоями до победного с сохранением кол-ва витков. для на схемы Marshall 18W с разными напряжениями на анодах. 6П14П +U=350Вольт; По результату гитарный звук дали хороший, мах. по замерам ~12 ватт; Грянул хорошо но лампы прожили недолго ~2 мес.!!! и EL84 +U=400Вольт; отработали оба трансформатора отлично и тот и другой дали хороший звук на кабинет 2х12" celestion seventy 80 Ожидаемая мах. мощность ~18Вт получилась на EL84; ОСМ-0,063 (6смкв.) - нижняя расчетная 51Гц I-3000Витк (к.т.р - 30 Ra-a=7200 Ом) II-100Витк(8Ом) D1-0,2мм по меди D2-0,57 мм (3 в параллель) В-П-В-П-В ОСМ-0,063 - нижняя 56,8Гц I-3500Витк.(к.т.р. - 30,82 Ra-a=7540 Ом) II-112 Витк.(8Ом) D1-0,2мм по меди D2-0,57 мм по меди 2 в параллель, третий слой вторичной не намотан специально для исследования температурного режима при мах. токе... В-П-В-П Присоединяюсь к поздравлениям! Даздраперма! Ссылка на комментарий Поделиться на другие сайты Поделиться
Гость РусичЪ Опубликовано 3 Мая, 2015 в 00:00 Жалоба Поделиться Опубликовано 3 Мая, 2015 в 00:00 (изменено) Замечу только одно - первичная обмотка состояла из четырёх секций, а вторичная из трёх. Секционирование вертикальное; П-В-П-В-П-В-П. Секции первичной обмотки соединены последовательно, секции вторичной - параллельно. Правда, мотался трансформатор только под одну нагрузку - 8 Ом. Как скажите, возьмем 4 секции. По формуле (из брашуры с первой страницы темы) для частоты 30Hz получаю первичку 3277 витков. Вторичка для 8 Ом - 104 витка, отвод для 4 Ома - на 73 витке. Прошу проверить, т.к. могут врать эти брашурки. Теперь осталось разобраться сколько мотать в каждую секцию витков и можно резюмировать заказ! :smile: Может пригодится... Спасибо, будет полезно, если попадется осм железо :smile: Изменено 3 Мая, 2015 в 00:02 пользователем РусичЪ Ссылка на комментарий Поделиться на другие сайты Поделиться
Гость kdtp Опубликовано 3 Мая, 2015 в 13:25 Жалоба Поделиться Опубликовано 3 Мая, 2015 в 13:25 Резюмировать? Не-а..., рановато. Если хотите получить "достойный" выходной трансформатор, то Вам придётся, не просто "резюмировать", а составить подробную технологическую карту, сиречь подробную "инструкцию" по намотке этого трансформатора. Для начала. Выходной трансформатор для гитарного усилителя, можно (нужно) рассчитывать от 40 Герц..., это для Вашего железа, с "габариткой" 60 Ватт.... Для" железа" на 40 - 45 Ватт, эти расчёты ведутся от 60 - 70 Герц. Допустим, что Вы сделали перерасчёт.... Что ещё нужно знать (иметь) для составления "инструкции"? Во-первых - у Вас нет расчётов по диаметру намоточного провода! Допустим, что его Вы тоже посчитали.... Далее, надо знать какой провод (точнее, его "марку") будет использован при намотке и знать РАЗМЕРЫ КАТУШКИ, на которой будут располагаться все наши "витки", слои и секции. Напоминаю - у различных "марок" намоточных проводов, разный размер (∅) по лаку! Зачем нам знать ∅ провода по лаку? Затем, что бы рассчитать, какое количество витков уместиться в одном слое на НАШЕЙ КАТУШКЕ! Эти данные (количество витков в одном слое) надо сопоставить с общим количеством витков, которые Вы получили при расчёте. Для чего? Для того, что бы полностью (от "щёчки" до "щечки") уместить все витки в слоях. Может случиться так, что все витки не умещаются в слоях, от "щёчки" до "щечки", тогда надо уменьшить или увеличить общее количество рассчитанных витков, что бы достичь этого результата! Это не всё ..., это только начало! Напоминаю, что у нас четыре секции первичной обмотки. Эти секции должны содержать равное количество витков. Почему равное? Потому что, эта даст нам возможность при коммутировании достичь, более или менее равного активного сопротивления двух половинок первичной обмотки! Как надо коммутировать? Да очень просто; первая и последняя секции - это одна половинка первички, две внутренние секции - это вторая половинка первички. "Поскакали" дальше. Например, Вы рассчитали, что первичка будет содержать 3000 Витков. Значит у Вас будет четыре секции по 750 Витков каждая. Зная ∅ намоточного провода по лаку, Вы должны рассчитать количество витков в одном слое первичной обмотки. Предположим, что у Вас с одном слое помещается 145 Витков.... 750 Витков : 145 Витка = 5,17 Слоёв. Что это значит? Это значит, что надо уменьшить количество Витков в секции, чтобы уместить пять слоёв в секции. Что имеем .... 145 Витков х 5 Слоёв = 725 Витков в секции, или 725 Витков х 4 Секции = 2900 Витков - общее количество витков в первичной обмотке. Хорошо это или плохо? И не то, и не другое..., для "гитарного" выходного трансформатора (читай, для "гитарного звука") это не существенно! И это ещё не всё.... Далее - вторичная обмотка . Получив новый результат количества витков первичной обмотки, пересчитываем количество витков во вторичке. Что считать? С читаем витки для нагрузки на 4 Ома, и для нагрузки на 8 Ом. Посчитали? Хорошо. Теперь надо посмотреть (рассчитать) - какой ∅ провода нужен для этой обмотки? Как считать? Считаем, как будто у нас всего одна секция вторички. Посчитали? Ага..., теперь, зная что у нас будет три таких секции..., делим величину диаметра намоточного провода на квадратный корень из трех (три секции). Если будет (предположим) пять секций, то надо делить на квадратный корень из пяти (пять секций)..., и т.д. После всей этой "арифметики" будем знать ∅ намоточного провода для одной (из трёх или пяти) секции вторичной обмотки.... Не-е-е-е-е-..., это ещё не всё. ... Теперь зная количество всех слоёв в первичной обмотке и количество слоёв во вторичной обмотки..., посчитаем (исходя из диаметра проводов в лаке) толщину (высоту) всей обмотки. Прибавим к этой толщине (высоте) толщину всех бумажных прокладок (межслойных и межсекционных). Посчитали? Теперь посмотрим - уместиться весь этот "пирог" по высоте на нашей катушке? ЧТО..., НЕ ПОМЕЩАЕТСЯ!? Тогда всё начинаем сначала.... Кстати, у меня есть интересное предложение по вторичной обмотке. Можно имея только обмотки на 4 Ома и 8 Ом..., организовать 16-ти Омное подключение. Но, это опосля..., Вы сначала разберитесь с Вашей, первоначальной "версией" намотки трансформатора. Вот такие, брат, дела.... Да..., если хотите, то упрощённый расчёт выходного "гитарного" трансформатора можно посмотреть "адресу" https://forum.datagor.ru/index.php?showtopic=8278 ....Вот теперь, когда Вы с "ЭТИМ" разберётесь..., получите "удобоваримый" результат..., несколько раз всё проверите..., ТОГДА, можете приступать к составлению "резюмированной" инструкции для заказа намотки выходного трансформатора. Должна быть подробная такая "инструкция"..., начиная от общего количества витков в обмотках, ∅ намоточных проводов.... и закачивая слоями и секциями, и с их "правильным" расположением на катушке выходного трансформатора (желательно, со схемой намотки)! Ссылка на комментарий Поделиться на другие сайты Поделиться
Гость РусичЪ Опубликовано 6 Мая, 2015 в 14:49 Жалоба Поделиться Опубликовано 6 Мая, 2015 в 14:49 (изменено) Резюмировать? Не-а..., рановато. Такс :smile: Пока не могу добиться размеров каркаса ТПА-60, молчат как партизаны) Давайте пока проясним основные ньюансы: 1. Площадь сердечника 10 см2 нам будет за глаза? При площади окна 4,68 см2 ? 2. Витков первички для 40Hz по брошюре выше у меня получились 2185, это по 546 витков на слой. Вторичка - 69 витков на 8 ом нагрузки (49 виток - отвод на 4 ом). А теперь такая мысль: а можем мы плясать от обратного? Сказать, что нам нужно на ТПА-60 столько-то витков первички в 4 равных слоя и 3 секции вторички (рисунок секций намотки им приложим). При этом дадим им условие рассчитать толщину провода так, чтобы он не был тоньше допустимой толщины (0,18 для первички и 0.65 для вторички?) и чтобы каркас не был заполнен более чем на 90%? Изменено 6 Мая, 2015 в 14:53 пользователем РусичЪ Ссылка на комментарий Поделиться на другие сайты Поделиться
Гость Batualo Опубликовано 6 Мая, 2015 в 17:35 Жалоба Поделиться Опубликовано 6 Мая, 2015 в 17:35 Извиняюсь, что вклиниваюсь. Может кто подскажет. Есть два одинаковых транса от импортной техники на железе близком к ШЛ16х32. По габаритной мощности для ПП на 6п14п вроде маловато(для выходника). А нельзя соединить два железа, склеив их, а катушки обьединив сделав из двух одну? Теоретически вроде можно, а вот на практике, может кто пробовал. Ссылка на комментарий Поделиться на другие сайты Поделиться
Гость РусичЪ Опубликовано 6 Мая, 2015 в 19:15 Жалоба Поделиться Опубликовано 6 Мая, 2015 в 19:15 (изменено) Извиняюсь, что вклиниваюсь. Может кто подскажет. Есть два одинаковых транса от импортной техники на железе близком к ШЛ16х32. По габаритной мощности для ПП на 6п14п вроде маловато(для выходника). А нельзя соединить два железа, склеив их, а катушки обьединив сделав из двух одну? Теоретически вроде можно, а вот на практике, может кто пробовал. Вот тут кто-то пробовал radiokot.ru/lab/hardwork/101/ сам недавно хотел твз спарить, но сказали, что это если уже дела совсем швах Изменено 6 Мая, 2015 в 19:15 пользователем РусичЪ Ссылка на комментарий Поделиться на другие сайты Поделиться
vitivsev Опубликовано 6 Мая, 2015 в 19:48 Жалоба Поделиться Опубликовано 6 Мая, 2015 в 19:48 (изменено) Вот тут кто-то пробовал radiokot.ru/lab/hardwork/101/ сам недавно хотел твз спарить, но сказали, что это если уже дела совсем швахИльдар имел ввиду на ШЛ расширить боковинку, тем самым развить площадь...у меня есть тоже пара+1 таких и мысли такие же были, пока не решился экспериментировать... Изменено 6 Мая, 2015 в 20:06 пользователем vitivsev Ссылка на комментарий Поделиться на другие сайты Поделиться
Гость Batualo Опубликовано 6 Мая, 2015 в 20:07 Жалоба Поделиться Опубликовано 6 Мая, 2015 в 20:07 Да, Виталий, вы правы. Я так и хотел сделать. А по поводу двух ТВЗ(встык), да я читал и делал как то, но что то мне не понравилось, уже не помню что. Правда я делал из двух ТВЗ-Ш. Ш-образное обьединял как хочу сейчас, из двух каркасов сделав один. Получилось хорошо, работает на пару 6п3с. А вот с ШЛ не пробовал. Ссылка на комментарий Поделиться на другие сайты Поделиться
vitivsev Опубликовано 6 Мая, 2015 в 20:26 Жалоба Поделиться Опубликовано 6 Мая, 2015 в 20:26 (изменено) ...из двух каркасов сделав один. Получилось хорошо, работает на пару 6п3с. А вот с ШЛ не пробовал.Sc = 1,6x(3,2+3,2) = 10,24 см кв. для расчета отнять немного скажем чистого железа 8-9 см кв.режим 2х6П14П по образу и подобию 12Ватт... 40Гц нижняя расчетная для 10 см кв. Ra-a = 8кОм; I - 2434 Витка II - 79Витк. (8Ом) к.п.д.0,95% Высота борта катушки 13 мм х 31мм, если проводом 0,22 мм по лаку прикинуть по 140 витков впритык 17-18 слоев ~ 10 мм и для вторички, наверное получится... надо будет как то попробовать :smile: Изменено 6 Мая, 2015 в 20:27 пользователем vitivsev Ссылка на комментарий Поделиться на другие сайты Поделиться
Гость РусичЪ Опубликовано 6 Мая, 2015 в 23:16 Жалоба Поделиться Опубликовано 6 Мая, 2015 в 23:16 (изменено) Да..., если хотите, то упрощённый расчёт выходного "гитарного" трансформатора можно посмотреть "адресу" https://forum.datagor.ru/index.php?showtopic=8278 Спасибо Виктор! Вы извините, что я туплю, и слои с секциями путаю, исправлюсь) :smile: Пока с ТПА-60 жду размеров, появилось желание по вашей ссылке выше чуть помотать самостоятельно для данной схемы усилителя. Вот такое железо (привет из ДДР середины прошлого века): Дабы не перепечатывать все формулы с той темы, просто буду писать результаты. S сердечника = 3.2x2=6.4 см2 S окна = 3х2 = 6 см2 P макс = 1.3х(6.4 в квадрате)/1.69= 32 вт. Поскольку для гитарного транса берут мощность в 4 раза больше, то 32 делим на 4 = 8 вт гитарного звука, для дома вполне! Коэффициент трансформации = (корень из( 0.95х8000))/8 = 30.8 Витки первички W1= (22000000х корень из (8х8000))/40х6.4х7000= 3100 витков. (4 секции по 775 витков) Витки вторички W2= W1/Ктр. = 3100/30.8 = 100 витков. (3 секции по 33 витка) ∅ первички d1= 0.022х... эм.. и тут я не понял Imax и Ig2 какое значение брать, сумму анодного тока и сумму токов второй сетки по паспорту? типа 100ma и 14ma для двух 6п14п? тогда получается 0.23 по меди. d2 = 1.27 и учитывая 3 секции = 0.73 по меди Сойдет? :smile: Изменено 6 Мая, 2015 в 23:31 пользователем РусичЪ Ссылка на комментарий Поделиться на другие сайты Поделиться
vitivsev Опубликовано 7 Мая, 2015 в 06:24 Жалоба Поделиться Опубликовано 7 Мая, 2015 в 06:24 (изменено) ∅ первички d1= 0.022х... эм.. и тут я не понял Imax и Ig2 какое значение брать Для расчета диаметра берется сумма токов(Ia+Ig2) одной лампы для одной половинки первичной обмотки трансформатора. Если поискать компромисс для намотки, то это примерно для 52,7Гц I-3080Витк. D-0,22 ЛАК(можно тоньше) II-100 Витк. по 50 в слой - последовательно(100) и так три раза-в параллель для 8 Ом, D - 0,5 ЛАК между слоями первичной обмотки. Изменено 7 Мая, 2015 в 06:39 пользователем vitivsev Ссылка на комментарий Поделиться на другие сайты Поделиться
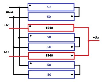
vitivsev Опубликовано 7 Мая, 2015 в 07:11 Жалоба Поделиться Опубликовано 7 Мая, 2015 в 07:11 (изменено) как вариант Изменено 7 Мая, 2015 в 07:15 пользователем vitivsev Ссылка на комментарий Поделиться на другие сайты Поделиться
Рекомендуемые сообщения
Для публикации сообщений создайте учётную запись или авторизуйтесь
Вы должны быть пользователем, чтобы оставить комментарий
Создать учетную запись
Зарегистрируйте новую учётную запись в нашем сообществе. Это очень просто!
Регистрация нового пользователяВойти
Уже есть аккаунт? Войти в систему.
Войти