Перейти к содержанию

Не всё то золото... Ламповый усилитель 6Н9С + 6П3С. Разбор ошибок и доработка


Рекомендуемые сообщения

Днями один мой знакомый попросил посмотреть купленный через интернет однотакт, поскольку его звучание вызывало определённые сомнения. Я согласился и, как результат, была принесена вот такая конструкция.

 

post-7425-1428686223_thumb.jpg post-7425-1428686241_thumb.jpg

 

post-7425-1428686255_thumb.jpg

 

Не хочется обсуждать дизайн, но "позолота" и одиноко торчащий посреди шасси конденсатор меня, лично, не порадовали.

Вскрытие показало не очень красивый монтаж, сделанный, тем не менее, с некоторой претензией на фэншуй. Все "ключевые", с точки зрения звука, электролиты были зашунтированы металлобумажными конденсаторами.

 

post-7425-1428686472_thumb.jpg

 

Но, это чисто визуальные впечатления.

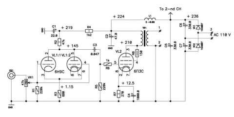
Срисовал схему с монтажа и замерял режимы

 

post-7425-1428687094_thumb.png

 

Несложно видеть, что претензии на "ламповое качество" прослеживаются и здесь - 6П3С в псевдотриоде и нет ООС.

 

Однако, выходные и, особенно, силовой, трансформаторы наводят на мысль о технологии "Я тебя слепила из того, что было".

 

В качестве анодной применена обмотка на 110 Вольт, скорее всего, использовавшаяся для питания ЭПУ в какой нибудь транзисторной радиоле. Почему транзисторной? Да потому, что накальные обмотки явно самодельно домотаны поверх заводских обмоток, а родные вывода вторичных обмоток просто заизолированы. Столь низкое напряжение обмотки заставило автора применить выпрямитель с удвоением, что, само по себе, даёт повышенные пульсации. Это компенсируется применением электролитов весма значительной ёмкости и дросселей в цепях питания.

К стати, забавно - в подвале обнаружилось ещё три конденсатора, аналогичных торчащему на шасси. Почему ему не нашлось места внутри - известно только "создателю". :smile:

 

Перейдём к анализу режимов.

6П3С - I катода 46 мА, U а-к 200 Вольт, мощность, рассеиваемая анодом - 9 Ватт. Режим явно заниженный, как в смысле возможностей лампы, так и в смысле оптимальности анодного напряжения для псевдотриодного режима.

Необходимость параллелить триоды 6Н9С тоже не очень понятна. Без проблем можно было бы использовать одну лампу на два канала.

 

Выходной трансформатор трансформирует 4 Ома примерно в 4 кОма Ra.

 

Замеры выходной мощности показали явную её недостаточность, чтобы не сказать убогость. Всего 0,5 Ватта при К.Н.И. в 3%

В сущности, можно было получить и рекомендуемый стандартом 1% искажений, но при исчезающе малой мощности.

 

В общем, "создатель" этого чуда, скорее уповал на веру в интернет ппубликации, где рекомендуют скрещивать 6П3С с ТВЗ1-9, чем на анализ результатов, реально получаемых в данной констукции.

 

В общем, за внешней позолотой, оказался усилитель, весьма далёкий не только от стандартов Hi -End'а, но и от каких либо стандартов вообще.

 

Вторым этапом стала попытка сделать из, с позволения сказать, "золота" конфетку, с жёстким ограничением заказчика не перематывать трансформаторы и, вообще, обойтись малой кровью.

 

Итак, поскольку 6П3С явно не на своём месте, надо её чем то заменить. Первое, что приходит на ум - 6П6С, с тем же цоколем и цокоёвкой. Соответственно, первым шагом меняем выходную лампу, подобрав новое сопротивление смещения и смотрим результат. При одинаковом входном напряжении усилителя 6П6С показала 0,18 Ватт при К.Н.И в 1,7% против 0,57 Ватта и 3% искажений для 6П3С при сопоставимых АЧХ

 

post-7425-1428692184_thumb.png

 

Не очень то обнадёживает. Переведём 6П6С в обычный тетрод, благо приведенное к аноду сопротивление близко к рекомендуемому по паспорту. Итог - 1,2 Ватта при 4,6% искажений при том же входном напряжении или 0,6 Ватта при искажениях в 3%. Вроде, вернулись к показателям 6П3С. Нам же требуется получить мощность побольше, а искажения поменьше. Самое время вспомнить об ООС.

 

Для начала применим катодную ООС в выходном каскаде, изменив включение выходной обмотки. Результат обнадёживающий - 1,17 Ватта при 3% искажений. Но особенно порадовало влияние вновь введенной ООС на АЧХ

 

post-7425-1428692576_thumb.png

 

В сущности, на этом можно было бы и остановиться - поряка 60 Гц полосы по НЧ - всьма неплохой результат для конструкции такого уровня, особенно учитывая размер выходного трансформатора. Но товарищ видел будушее усилителя, в частонсти, как усилителя для наушников. Тут стоит "подвинуться" вниз. Переделывать выходной трансформатор запрещено, стадо быть выход один - всё та же ООС.

Но, есть одна проблема - применение ООС снижает усиление и, как следствие, чувствтительность. Стало быть, надо где то разжиться "избыточным" усилением. Частично, мы его уже получили, переведя 6П6С в тетрод. И частично "съели" катодной ООС.

Обратим свой взор на входной каскад. Там аж два триода с высоким усилением. Что можно сделать из них? Вроде бы, самое логичное - "распараллелить" и превратить в два резистивных каскада. Это даст прибавку более 30-ти дБ, которую можно использовать для ООС. Беда в том, что столь глубокая величина ООС в комбинации с трансформатором невысокого качества, легко может вызвать самовозбуждение. Поэтому, обойдёмся малым - переделаем каскад в SRPP. Это даст +6 дБ усиления, что тоже деньги.

И, наконец, собственно цепь ООС. Исходя из фаз сигналов для данной схемы, она может быть только параллельной.

 

Окончательный вариант модернизированной схемы.

 

post-7425-1428693742_thumb.png

 

и его АЧХ в сравнении с исходным, на 6П3С

 

post-7425-1428693804_thumb.png

 

Выходная мощность тоже подросла - 2,5 Ватта при 1-м % искажений. Нектороые измерения промежуточных и окончательного вариантов можно найти в таблице.

 

post-7425-1428693938_thumb.png

 

В общем, как мы видим, цель данной суеты была достигнута - мощность существенно подросла, искажения уменьшились до более приемлимого уровня, полоса частот тоже расширилась.

 

Тут надо сделать лирическое отступление. Хотя усилитель и обеспечивает АЧХ от 20-ти Гц по -3 дБ, могут быть проблемы при воспроиведении НЧ с высоким уровнем через колонки из за малости размера выходного трансформатора. При работе на наушники таких проблем, естественно, не будет. Вновь введенный конденсатор С8 как раз и призван ограничить полосу на НЧ вместе с уменьшенной ёмкостью С3. Без этого спад на 20-ти Герцах не превашает 0,5 дБ! Но нас интересуют не "хорошесть" цифр, а отсутствие проблем, которые могут быть, если стремиться тоько к цифрам. Аналогичную функцию, но для ВЧ, выполняет С9. В сущности, усилитель устойчив и без него, но в районе 60 - 70 кГц начинаются нехорошие "прыжки" АЧХ, коих я и избежал путём его установки.

 

Мораль сей басни - даже из случайного набора деталей можно получить приемлемый результат. Но не случайным образом, а путём измерений, доработок на их основе и снова измерений. Посему - не ленитесь мерять. Получить работоспособную конструкцию на лампах, чаще всего, не сложно. Но не всякий полученный результат надо тут же гордо называть "ламповым звуком".

 

В моём представлении усилители делятся на "собранные на лампах" и "ламповые". Пояснять не буду, думаю принцип деленя на классы интуитивно понятен. :smile:

Ссылка на комментарий
Поделиться на другие сайты

Очень познавательно! Спасибо!

Какого типа конденсатор С9?

Не рассматривалась возможность шунтирования R3 для достижения бОльшего усиления?

Ссылка на комментарий
Поделиться на другие сайты

Какого типа конденсатор С9?

post-7425-1428773944_thumb.jpg

 

Не рассматривалась возможность шунтирования R3 для достижения бОльшего усиления?

Шунтировал. Добавляет доли дБ и даёт "горбик" АЧХ на НЧ. Так что без него.

На самом деле, в многокаскадных усилителях, на частотах 10 - 50 Гц, при наличии общей ООС, даже величина конденсаторов фильтра анодного питания и гасящих резисторов начинает влиять на АЧХ.

Ссылка на комментарий
Поделиться на другие сайты

Работа проведена КАЧЕСТВЕННАЯ. И результат конечно на лицо. Интересно только за СКОКА в интернете такую конструкцию продают? Я бы усилитель с такими исходными параметрами даже на обсуждение постыдился бы выставлять...

Ссылка на комментарий
Поделиться на другие сайты

Интересно только за СКОКА в интернете такую конструкцию продают?

Честно - не знаю. Да и выяснять не хочу. Аппарат был куплен относительно давно и без моего участия.

Я бы усилитель с такими исходными параметрами даже на обсуждение постыдился бы выставлять...

Далеко не каждый способен или будет эти самые параметры измерять. Подход, популяризируемый нашими интернетовскими "ламповыми гуру" - собрать в кучу то, что сможешь достать, не забыть шунтировать электролиты, убрать ООС - и вот он, ламповый звук! Многие, получив принципиально работоспособный аппарат, на этом и останавливаются.

 

Человек, чаще всего, не будет одевать что попало. Он потратит время, подбирая вещи, подходящие по размеру, сочетающиеся по цвету и фасону, добиваясь "чтобы костюмчик сидел". Почему к лампам надо относится иначе? Тем не менее, как мы видим, относятся.

Ссылка на комментарий
Поделиться на другие сайты

Для публикации сообщений создайте учётную запись или авторизуйтесь

Вы должны быть пользователем, чтобы оставить комментарий

Создать учетную запись

Зарегистрируйте новую учётную запись в нашем сообществе. Это очень просто!

Регистрация нового пользователя

Войти

Уже есть аккаунт? Войти в систему.

Войти
  • Последние посетители   0 пользователей онлайн

    • Ни одного зарегистрированного пользователя не просматривает данную страницу
×
×
  • Создать...