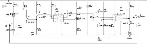
Гость zztop1967 Опубликовано 20 Марта, 2015 в 21:06 Жалоба Поделиться Опубликовано 20 Марта, 2015 в 21:06 Помогите довести до ума схему контроллера заряда\разряда АКБ Компоненты точно не расчитаны. Сопротивления поставлены на глазок. Это моя первая конструкция подобного рода после перерыва около 20ти лет... Так что сильно не пинайте ногами :smile: Схема разрабатывалась в Multusim 11 и изначально там висели контрольные приборы, убрав которые из экспорта в jpeg, она приобрела неакуратный вид. Схема задумывалась следующим образом: Батарея V1 - это некий источник, например блок питания. Батарея V2 - автомобильный АКБ. Сопротивление R8 - нагрузка. Необходимым условием работы контроллера является рабочий АКБ V2 с минимально возможным зарядом. Напряжение с источника питания V1 подается на нагрузку через диод шотки D3. Сопротивление R22 запирает компаратор U3(Контроллер разряда). При пропадании напряжения на V1, Компаратор открывает транзистор Q4 и напряжение с АКБ V2 подается на нагрузку. По достижении минимального заряда АКБ V2 компаратор должен нагрузку отключить. Компаратор U1 должен поддерживать АКБ V2 в постоянном заряженом состоянии.(Контроллер заряда) 1. С контроллером разряда еще более\менее понятно, нужно только правильно подобрать сопротивления, что бы компоненты работали в правильных режимах и она, по идее, должна работать. 2. С контроллером заряда у меня затык. Кроме того, что нужно подобрать сопротивления, меня терзают смутные сомнения, что транзистр Q1 будет работать должным образом. Помогите пожалуста с расчетом параметров и оптимизацией схемы, а то я чувствую, что на сегодняшнем этапе своих воспоминаний прошлых знаний, один не справлюсь :smile: Ссылка на комментарий Поделиться на другие сайты Поделиться
Гость zztop1967 Опубликовано 23 Марта, 2015 в 17:41 Жалоба Поделиться Опубликовано 23 Марта, 2015 в 17:41 Кхм... Неужели схема настолько неправильная, что никому не хочется ничего сказать по ее поводу... :smile: Ссылка на комментарий Поделиться на другие сайты Поделиться
if33 Опубликовано 24 Марта, 2015 в 13:05 Жалоба Поделиться Опубликовано 24 Марта, 2015 в 13:05 Советую ознакомиться со статьей на сайте datagor https://datagor.ru/practice/power/2536-avto...mulyatorov.html а также "Умная" зарядка предложенная на форуме _https://radiokot.ru/forum/viewtopic.php?f=25&t=23&start=420 Обе схемы выполнены без микроконтроллеров и представляют несомненный интерес, как для повторения, так и для создания своих устройств. Ссылка на комментарий Поделиться на другие сайты Поделиться
ivan_by Опубликовано 24 Марта, 2015 в 19:07 Жалоба Поделиться Опубликовано 24 Марта, 2015 в 19:07 (изменено) если Вы хотите делать именно свою схему, то как мне кажется наминалы резисторов очень завышены, так как чем больше сопротивление, тем меньше помеха устойчивость, Вы хотите на компараторах собрать, тут считать нужно всё... (на глазок не получится). Транзистор Q1 не могу понять как будет работать в вашей схеме(или схема как то неправильно нарисована-что скорее всего ), резистор R8 будет выделять в тепло около 2-х ватт , Q2 - также непонятен (через 100Ком....) если хотите свою схему делать то разделите в начале на 2 части и по отдельности на заряд и разряд, или присмотритесь к тому что Вам посоветовал if33 Изменено 24 Марта, 2015 в 19:08 пользователем ivan_by Ссылка на комментарий Поделиться на другие сайты Поделиться
Гость zztop1967 Опубликовано 26 Марта, 2015 в 16:36 Жалоба Поделиться Опубликовано 26 Марта, 2015 в 16:36 Советую ознакомиться со статьей на сайте datagorhttps://datagor.ru/practice/power/2536-avto...mulyatorov.html а также "Умная" зарядка предложенная на форуме _https://radiokot.ru/forum/viewtopic.php?f=25&t=23&start=420 Обе схемы выполнены без микроконтроллеров и представляют несомненный интерес, как для повторения, так и для создания своих устройств. Спасибо большое! Схему с датагора, я изучил подробнейшим образом. Автор все разжевал по полочкам. Весьма полезная статья. и тут дело не в том, что она мне не подходит. Подходит, и даже очень. Мне просто хотелось попробовать вспомнить стародавние времиена и "изобрести" немножечко самому. А с этим, как Вы наверняка заметили, у меня проблемы :smile: Ссему с радиокота я видел. Вообще, L200 - давольно удобная мелкосхема. Правда я нашол чуть по интересней вот тут _https://serp1.ru/index/zarjadnoe_na_mikroskheme_l200/0-123. грубо говоря, это "самое то", что мне и нужно. Разьве что добавить силовой транзистр, что бы можно было автомобильные АКБ заряжать :smile: примерно вот так как тут: _https://www.qrz.ru/schemes/contribute/power/l200.shtml И, я думаю, что по ней и попробую собрать устройство. Однако, что бы научиться, хотелось бы и свою схемку довести до рабочего состояния :smile: Ссылка на комментарий Поделиться на другие сайты Поделиться
Гость zztop1967 Опубликовано 26 Марта, 2015 в 16:53 Жалоба Поделиться Опубликовано 26 Марта, 2015 в 16:53 (изменено) если Вы хотите делать именно свою схему, то как мне кажется наминалы резисторов очень завышены, так как чем больше сопротивление, тем меньше помеха устойчивость, Вы хотите на компараторах собрать, тут считать нужно всё... (на глазок не получится). Транзистор Q1 не могу понять как будет работать в вашей схеме(или схема как то неправильно нарисована-что скорее всего ), резистор R8 будет выделять в тепло около 2-х ватт , Q2 - также непонятен (через 100Ком....) если хотите свою схему делать то разделите в начале на 2 части и по отдельности на заряд и разряд, или присмотритесь к тому что Вам посоветовал if33 Дело в том, что я подглядел идею вот тут: _https://el-shema.ru/publ/pitanie/kontroller_zarjada_solnechnoj_batarei/5-1-0-28 Правда там компаратор другой, и у него конечно свои режимы работы. Но, транзистры то такие же. и номиналы сопротивлений. Контроллер разряда не так уж и замудрен. Я вроде как с ним разобрался. С контроллером заряда запутался и попробовал изобрести сам. С компаратором вроде тоже самое, а вот с силовым транзистром - затык. То, как я его расположил в схеме, по моему работать не будет. А как правильно - сообразить не могу. В принципе, с компаратора можно бы управлять и релюшкой, но хотелось попробовать с транзистром. Там и номиналы сопротивлений выставлены неправильно, на них пока не смотрим, по тому, что сначала надо с принципом разобраться, а уж потом режимы считать :smile: Помогите кто может... Кто может помогите... (с) Тайна трейтьей планеты Да, чуть не забыл! Я эту схему крутил\вертел в программе Multisim 11.0. Там очень удобно можно подключать приборы(вольтметры, амперметры, и т.д.) и смотреть что происходит. Контроллер разряда - работает как часы. Компаратор в контроллере заряда и управляющие транзистры тоже срабатывают как надо. Но вот силовой транзистор как мне надо не работает. По тому, что я его неправильно включаю. Резистр R8 - это просто некая нагрузка, что бы программа могла хоть как то работать. В реальной схеме его не должно быть. Изменено 26 Марта, 2015 в 17:10 пользователем zztop1967 Ссылка на комментарий Поделиться на другие сайты Поделиться
Chugunov Опубликовано 26 Марта, 2015 в 17:21 Жалоба Поделиться Опубликовано 26 Марта, 2015 в 17:21 Кхм... Неужели схема настолько неправильная, что никому не хочется ничего сказать по ее поводу... :smile: Александр! Вы хотите для разрядки АВТОМОБИЛЬНОГО (!!) аккумулятора использовать резистор R8=100 Ом? А вы прикидывали хотя бы сколько времени займёт такая разрядка? :smile: Посчитаем на пальцах. Ток разрядки грубо 0,12...0,14 А. Пусть 0,1 А (так проще). Пусть ёмкость батареи 48 А*час. Тогда время разрядки 480 часов или 20 суток. Это вас устроит? Нужно что-то обсуждать? Понятно почему желающих особо нет? Я сделал разрядное устройство для малюсенького аккумулятора 7 А*час, на сайте есть моя статья. Не читали? Даже при токе разрядки 1 А (оптимальном для крохотного аккумулятора, а для автомобильного 1 А маловато будет) возникла проблема с рассеиванием тепла. Для автоаккумуляторов мощность рассеяния будет ватт 60, для этого применяют автолампы соответствующей мощности, но никак не дохленькие резисторы. Зарядные и разрядные устройства неоднократно описывались в литературе (им я доверяю больше, в интеренте есть грамотные статьи и авторы, которые помогут вам и отвечают за свои конструкции, а есть безграмотные "каляки", примеры таких каляк есть, увы, и здесь). Ссылка на комментарий Поделиться на другие сайты Поделиться
Гость zztop1967 Опубликовано 26 Марта, 2015 в 18:11 Жалоба Поделиться Опубликовано 26 Марта, 2015 в 18:11 (изменено) Александр!Вы хотите для разрядки АВТОМОБИЛЬНОГО (!!) аккумулятора использовать резистор R8=100 Ом? конструкции, а есть безграмотные "каляки", примеры таких каляк есть, увы, и здесь). Извините меня пожалуста,я, опять не правильно описал ситуацию. Т.е. предназначение данной схемы. По тому и непонятки. Схема предназначена для работы с реальными потребителями, например лампочкой. Тут R8 - это как раз и есть эта самая лампочка. и мне нужно, что бы при наличии внешнего питания эта лампочка работала от бы от него, а при пропадании этого питания - лампочка должна работать от аккумулятора. Если я пользуюсь лампочкой - аккумулятор тратится, если нет - то практически нет. Питание самой схемы не очень большое, так что пока его рассматривать не будем. Если внешнего питания нет слишком долго, то контроллер разряда должен лампочку(нагрузку) отключить, что бы не убить аккумулятор. (Программа multisim, в которой я моделировал схему, что бы хоть что то показать, должна иметь некую нагрузку. Вот я и поставил 100 ом.) Как только внешнее питание восстанавливается, то лампочка снова питается от него, а аккумулятор начинает заряжаться. Как только аккумулятор зарядится, контроллер заряда должен заряд прекратить. Сейчас увидил еще одну свою оплошность. Когда убирал со схемы приборы, перед экспортом в jpg напортачил с подключением транзистора Q2... Сейчас исправлю. Изменено 26 Марта, 2015 в 18:27 пользователем zztop1967 Ссылка на комментарий Поделиться на другие сайты Поделиться
Chugunov Опубликовано 26 Марта, 2015 в 18:41 Жалоба Поделиться Опубликовано 26 Марта, 2015 в 18:41 Иными словами, аккумулятор работает в буферном режиме. На мой взгляд, лучше указать реальную, а не вымышленную нагрузку. Надо знать ток потребления. Неплохо бы знать и назначение сего устройства, условия эксплуатации (это важно). Если, например, это освещение где-то в подвале, очень стоит призадуматься о замене лампы на специальные светодиоды. Со светодиодами время автономной работы, возможно, будет несколько суток, а это другой расклад, чем несколько часов. Или может сгодится маленький стандартный аккумулятор от UPS - он герметичен, намного менее требователен в эксплуатации. Вы не излагаете полностью условия задачи, значит и ответы могут быть такими же неопределенными. Может быть вам нужна такая схема (рисовать не буду). Сетевой блок питания + аккумулятор+2 диода, один вывод диода к питанию, свободные выводы диодов объединены и подключены через предохранитель к нагрузке. От этого же сетевого БП к аккумулятору подключить зарядное устройство (ЗУ), ток может быть небольшим, хоть 1 А, но при достижении заданного напряжения, ток резко падает до буферного режима, когда ток зарядки только компенсирует саморазряд. Это обеспечивают многие ЗУ, в том числе на специализированных микросхемах. Компаратор отслеживает напряжение батареи и при снижении напряжения (пусть 11 В) отключает нагрузку, лучше с помощью реле. Схему компаратора, например, на TL431 найти нетрудно. Можно сюда добавить и сигнализацию и всё что угодно. Я считаю, что никакие симуляторы тут и нахрен не нужны, а нужен предварительный расчет, буквально на пальцах, нужно макетирование. Нужно брать готовые испытанные узлы. Можете изобретать велосипеды, если чувствуете в себе силы. Чувствуете? Ссылка на комментарий Поделиться на другие сайты Поделиться
Гость zztop1967 Опубликовано 27 Марта, 2015 в 02:19 Жалоба Поделиться Опубликовано 27 Марта, 2015 в 02:19 (изменено) Иными словами, аккумулятор работает в буферном режиме.На мой взгляд, лучше указать реальную, а не вымышленную нагрузку. Надо знать ток потребления. Неплохо бы знать и назначение сего устройства, условия эксплуатации (это важно). Назначение: Бесперебойник для питания ноутбука, настольной лампы(светодиодная), роутер D-Link DIR620. Может быть еще что то будет подключаться, но общая нагрузка не должна превышать 100Вт. Или около того. Может быть вам нужна такая схема (рисовать не буду). Да, конечно, Вы правы, вот примерно такую схему я накидал. За основу взял схемы, ссылки на которые привел чуть выше. Подключение: Х1,Х5 - питание контроллера заряда Х2,Х5 - Аккумулятор Х2,Х4 - нагрузка Х2,Х3 - Основное питание Это приблизительная схема, но уже ближе к тому, что думаю собирать. Номиналы еще проставить не успел. Но принципиальных грубых ошибок вроде нет... Как Вы думаете? Управлять нагрузкой можно и с помощью реле, но мне, для тренировки, хотелось попробовать транзистры. Я считаю, что никакие симуляторы тут и нахрен не нужны, а нужен предварительный расчет, буквально на пальцах, нужно макетирование. Нужно брать готовые испытанные узлы. Тут вот какое дело. Для меня симулятор необходим, что бы избежать совсем уж грубых ошибок. Что бы проверить идею, прежде чем считать реальную схему. Это нечто вроде тренажора для летчиков. Можете изобретать велосипеды, если чувствуете в себе силы. Чувствуете? Конечно, готовый велик купить проще. Но иной раз интересно изобрести самому. Подскажите пожалуста, по моей исходной, исправленой схеме, разобраться с подключением транзистра Q1. Так, как он установлен у меня, мне кажется неправильно. А как правильно, разобраться не могу. Конечно, проще туда поставить релюшку. Но мне хочется научиться с подкючением транзистра. В чисто образховательных целях. Спасибо! Изменено 27 Марта, 2015 в 02:27 пользователем zztop1967 Ссылка на комментарий Поделиться на другие сайты Поделиться
Chugunov Опубликовано 27 Марта, 2015 в 12:14 Жалоба Поделиться Опубликовано 27 Марта, 2015 в 12:14 1 Конечно, готовый велик купить проще. Но иной раз интересно изобрести самому. 2 общая нагрузка не должна превышать 100Вт 3 Для меня симулятор необходим, что бы избежать совсем уж грубых ошибок. Подскажите пожалуста, по моей исходной, исправленой схеме, разобраться с подключением транзистра Q1. Так, как он установлен у меня, мне кажется неправильно. 1 Речь не о покупке. Где я об этом писал? А про использование готовых отработанных схемных решений. 2 Хорошо хоть не 1000 ватт. Значит нужен ток более 8 А, при подзаряде аккумулятора хотя бы 1 А, будет почти 10 А. У вас уже есть блок питания, который будет точно выдавать нужное напряжение при таком токе? Вы пробовали практически, а не в симуляторе подключать низковольтную нагрузку при таком токе? Одно дело - чайник или даже пылесос, ну упадет на проводах несколько вольт, будет, например, не 220, а 215, никто и не заметит, а вот 14 и 10 - большая разница. Кроме того, обычно ноутбук требует 18 В. Вы снова возвращаетесь к идее низковольтной разводки на большие расстояния. Боюсь, так просто и гладко не получится. 3 Симулятор показывет, что схема работает? Тогда в чем проблема? Могу ошибаться, но вы взяли достаточно сложную задачу, в первую очередь по току, и хотите решить её сразу и хорошо. Боюсь, сразу гладко всё не выйдет. Потребуется макетирование и проверка, и не на симуляторе, а вживую - вылезут проблемы и подводные камни. Что я посоветовал бы. - Проверить имеющийся сетевой блок питания на его способность отдавать до 10 А без падения напряжения, в том числе на проводах нагрузки реальной длинны, - проверить, что ноутбук будет нормально работать от этого блока питания, опять-таки с реальной длинной проводов, - сделать ЗУ для аккумулятора и убедиться в нормальном функционировании при полной внешней нагрузке и без неё. Когда всё заработает, станет ясно что и как надо доработать. Обращаю внимание, что реальная задача оказалась совсем иной, чем в названии темы... Ссылка на комментарий Поделиться на другие сайты Поделиться
Гость s237 Опубликовано 27 Марта, 2015 в 12:36 Жалоба Поделиться Опубликовано 27 Марта, 2015 в 12:36 "Вы снова возвращаетесь к идее низковольтной разводки на большие расстояния." Я об этом в той теме так и говорил. Здесь разговор на долго. Я опять выключаюсь из темы, но буду наблюдать, а при возможности - помогу. Ссылка на комментарий Поделиться на другие сайты Поделиться
Рекомендуемые сообщения
Для публикации сообщений создайте учётную запись или авторизуйтесь
Вы должны быть пользователем, чтобы оставить комментарий
Создать учетную запись
Зарегистрируйте новую учётную запись в нашем сообществе. Это очень просто!
Регистрация нового пользователяВойти
Уже есть аккаунт? Войти в систему.
Войти