Перейти к содержанию

uvk15

Камрад
  • Постов

    79
  • Зарегистрирован

  • Посещение

Репутация

11

Информация о uvk15

  • День рождения 18.09.1954

Расширенная информация

  • Имя
    Юрий
  • Моя страна
    Россия
  • Моя локация
    Моршанск

Посетители профиля

Блок последних пользователей отключён и не показывается другим пользователям.

  1. Да, Александр, есть такая цепочка. И на вышеприведенной схеме тоже есть. Я только думал что она на входе питания стоит. Получается корпус по-любому не должен висеть в воздухе. Ну я уже посоветовал хозяину соединить усилок с корпусом машины. Будем дальше посмотреть, сколько он протянет. Спасибо.
  2. Осцилл - простенький, С1-49, запитан от сети. Пользуюсь им очень часто, если хотите сказать что у него сеть пробило на общий провод, то нет. Усь всё тот-же KICX GT 4.100, запитан от бортсети. (аккумулятор) После того как он сгорел, его отсоединили и этим же осциллографом проверили напряжение на концах питания - ничего не случилось. Это у него энергетика вредная, не иначе. Есть ведь такие люди, у которых ломается любая техника.
  3. Берется откуда-то... Приезжаем на работу, в пути 10 минут, выходим из машины, водителя бьет током, меня нет. Причем хорошо так бьет, щелчок искры слышно с другой стороны машины. Подержались за руки перед выходом чтобы уравновесить потенциалы, и все равно его бьет, меня нет. Вот откуда? На мысль о статике навел совсем вон выходящий случай. Решили осциллографом проверить стабильность питающего напряжения в разных режимах - на холостом, при запуске, под нагрузкой, без нагрузки и т.п. Я только успел прикоснуться общим проводом щупа к минусовой клемме усилителя - раздался щелчок и из усилителя повалил дым. В итоге все восемь полевиков в утиль. Что это могло быть? И из вашего опыта-практики, должен ли корпус усилителя соединяться с корпусом авто?
  4. Ну понятно. Только для меня это тёмный лес. Вплотную никогда не занимался. А насчет статики и заземления корпуса что думаете?
  5. Спасибо за ответ. Думал уж никто не отзовется...Не понимаю, в чем опасность пониженного напряжения? На "стенде", на столе в смысле, после ремонта напряжение поднимал постепенно, от 8 В, правда без сигнала, ничего не сгорело и даже не нагрелось. Если бы я на нем ездил... Но мне его привозят уже дохлый. С развалившимися полевиками и отгоревшими ногами. Понимаете, когда он работает, он работает. У хозяина даже защита от перегрева на нем срабатывала. А потом, в другой раз - хлоп, и готов. И из "показаний" владельца я ничего определить не могу. Может надо более мощные полевики попробовать - те же IRF3205 например? 90 ампер против 60? Сколько раз его можно перепаивать, скоро и дорожки боюсь отвалятся. Была одна шальная мысль, что его пробивает статикой. В машине много есть чего сильно электризующегося. Может как-то попадает на цепи питания или на корпус... Корпус этого усилителя гальванически не связан ни с минусом питания, ни с общим проводом входов. И у чела он в машине прикручен к спинке заднего сидения, со стороны багажника. С "массой" автомобиля не связан никак. Скажите, должен ли он заземляться? Отдельной клеммы "заземления" на корпусе нет, и в мануале ни слова про это не сказано. Больше уже не знаю что думать...
  6. Здравствуйте. История такова - товарищ поставил в машину усилок KICX GT 4.100. Как по мне - это полная дурь, запихивать в коробочку 2х3 метра 400 Вт, ну да ладно, дело хозяйское. Проработал он где-то месяц, потом сгорел, вылетели полевики на преобразователе. Заменил, больше ничего не пострадало, работал ещё месяц, и опять сгорел. Ситуация повторялась ещё два или три раза, уже со счета сбился. Сгорает без видимых причин, хозяин клянется что не насиловал усилитель, регуляторы выставлены на половину уровня, коротышей в нагрузке или передавленных проводов нет. Колонки MOREL, 4 Ома. Схему на него не нашел, единственно что попалось - более-менее подходящий по компонентам фрагмент преобразователя. Где-то в обсуждениях проскакивало, что преобразователи летят при пониженном питании, так ли это? Согласен, если у него сделана стабилизация вторичных напряжений, нагрузка на полевики увеличится при низком питании. Но есть ли стабилизация - неизвестно. Машина у него хорошая, новая, напряжение в бортовой сети в норме, при запуске только просаживается на два вольта, ну так это у всех так. Посоветовал пока не включать усилитель при запуске, но... это на уровне алхимии, причина то не выявлена. Кто что может подсказать, какие есть соображения по этому непонятному явлению, подскажите. Спасибо.
  7. Показалось. Маркировка невнятная, но не краска. Пробовал смыть растворителем - не смылась. Хотя Р5 довольно крутой растворитель. Питание - на холостом ходу 35, под нагрузкой просаживается до 31, синхронно, оба полюса. Схема отличается от той, что в шите одним непонятным конденсатором 220пф между входами.
  8. Да, всё так. Сам мотал. Провод на первичке 0.35, на вторичке 0.8. Микра маркирована краской. Всё, пора на работу бежать . Вечером отпишусь.
  9. Вольтодобавка 50 μF. Остальное срисую сегодня. Блок питания - тр-р 100 Вт наверное, может побольше. Диодный мост монолитный, 25А, емкости фильтра по 5000. Просадка под нагрузкой вольта 3-4, а вот как садятся по отдельности плюс и минус не проверял. Сегодня выясню. Меня больше всего напрягает, почему ограничивается только одна полуволна. Может в этом и причина недобора мощности? Такая же картина наблюдалась и при питании от другого источника (+/_15), тоже одностороннее ограничение, Только максимальная амплитуда естественно меньше.
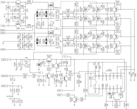
  10. 14 вольт - это напряжение на выходе уся, на пороге ограничения, при нагрузке 8 ом и питании +/_ 35В. На вход подавался синус 1 кГц. Может схема что-то прояснит. Кроме странного входа всё остальное вроде стандартно. Номиналы деталей ещё не проставлены, не обращайте внимания.
  11. Не понял вопроса. Ограничивается положительная полуволна, напряжение на нагрузке при этом 14 В. Или о чем вы?
  12. Здравствуйте, уважаемые. Давно собирался собрать усилитель на 7293, даже микросхемы купил, но всё как-то руки не доходили. А тут на али увидел подобный, уже собранный и дешево... Приобрел. Работает, но заявленную мощность не выдает. На нагрузке 8 ом и питании 35 В всего 25 Вт. По даташиту в таком режиме должно быть 60. Что это - микра фуфлыжная или со схемой что-то не так? Схема к изделию не прилагалась, срисовать ещё не успел. Да, и ещё один признак - при увеличении сигнала ограничение синусоиды происходит с одной стороны, со стороны положительной полуволны. Видимо дешевизна того стоит, и чипы придется таки менять. Как думаете?
  13. Вот я и предлагал свезти его к "доктору". Осциллограф, а не динамик. Если починится, он вам не раз ещё может пригодится. Вещь нужная.
×
×
  • Создать...