Dimonos Опубликовано 13 Января, 2015 в 22:34 Жалоба Поделиться Опубликовано 13 Января, 2015 в 22:34 Человек пишет.... Прошу прощения, а какой усилитель описывает человек? На этой МС, или какой то другой? Ссылка на комментарий Поделиться на другие сайты Поделиться
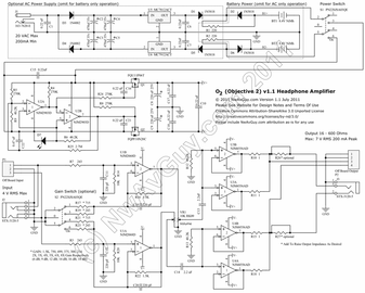
Гость basilevscom Опубликовано 14 Января, 2015 в 03:46 Жалоба Поделиться Опубликовано 14 Января, 2015 в 03:46 (изменено) человек описывает усилитель O2, поищите "objective 2 headphone amplifier", схемку прилагаю на мой взгляд ничего необычного (кроме схемы блока питания), 600 милливатт на 32 омах и 88 на 600 (Хотя я лично склонялся бы больше в сторону TPA6120) Изменено 14 Января, 2015 в 03:50 пользователем basilevscom Ссылка на комментарий Поделиться на другие сайты Поделиться
Гость mickel52 Опубликовано 17 Января, 2015 в 17:14 Жалоба Поделиться Опубликовано 17 Января, 2015 в 17:14 Простите, уведомления на почту не приходили, решил сразу написать Понятно, что все эти Ватты в наушники не "закачиваются". Но иметь десяток - другой дециБелл запаса по перегрузке никогда не мешало Да-Да все наверно на микшере видели на фэйдерах разлинееные по децибелам обозначения. Может для кого то секрет, но для хорошего качества нужно их ставить в ноль db(а gain чуть меньше две трети от перегрузки по каналу) в итоге подключаем к уселителюи получаем всего 30% от мощности, которую уселитель может воспроизвести от искажений(уселитель тоже ставим на 0 db) TPA6120a2 (просто TPA6120 что-то не вижу) конечно очень хорошая микруха, напряжения она не боится, но что то немного смущают габаритные размеры(как на нее радиатор лепить?), и честно говоря прошу помочь разобраться с графиком мощности. Например интересно сколько она выдаст на 36 Ом при максимальном напряжении, написано 80mW на 600 ом при +,-12V. Тогда на 36 ом вроде ка на 1,3W при ±12В? и да кстати, еще вопрос, конструкция разъемов миниджек может предусматривать кратковременное короткое замыкание, и вообще, если лепить резистор в конце, то на выходной каскад уже не получиться посадить землю через подстроечный резистор? Ссылка на комментарий Поделиться на другие сайты Поделиться
Yamazaki Опубликовано 17 Января, 2015 в 17:39 Жалоба Поделиться Опубликовано 17 Января, 2015 в 17:39 как на нее радиатор лепить? Никак. В качестве радиатора используется сама печатная плата. Снизу у микросхемы есть металлическая теплорассеивающая площадка "термалпад", она припаивается к полигону на печатной плате. Если плата многослойная, этот полигон переходными отверстиями соединяется с полигонами в остальных слоях платы. Чем больше площадь полигонов и чем больше слоёв с этими полигонами на плате, тем лучше охлаждение микросхемы. Ещё вариант описан здесь: https://datagor.ru/amplifiers/chipamps/2528...me-tpa6120.html Просто сверлится дырка в плате и некое подобие радиатора припаивается к термалпаду микросхемы. Кстати, есть и другие похожие функционально микросхемы, у которых возможно нормальное крепление к радиатору винтами. Например, AD815AYS. Версия AYS снята с производства, но на складах ещё приличный запас остался, купить вполне реально. Также LT1210CT7 и LT1206CT7 в корпусе TO220 Ссылка на комментарий Поделиться на другие сайты Поделиться
Гость mickel52 Опубликовано 18 Января, 2015 в 16:08 Жалоба Поделиться Опубликовано 18 Января, 2015 в 16:08 www.lynxaudio.net/%D0%BF%D0%BE%D0%BB%D1%83%D0%BF%D1%80%D0%BE%D0%B2%D0%BE%D0%B4%D0%BD%D0%B8%D0%BA%D0%BE%D0%B2%D1%8B%D0%B5-%D0%B0%D0%BD%D0%B0%D0%BB%D0%BE%D0%B3%D0%BE%D0%B2%D1%8B%D0%B5-%D1%83%D1%81%D1%82%D1%80%D0%BE%D0%B9%D1%81%D1%82%D0%B2%D0%B0/%D1%83%D1%81%D0%B8%D0%BB%D0%B8%D1%82%D0%B5%D0%BB%D0%B8-%D0%B4%D0%BB%D1%8F-%D0%BD%D0%B0%D1%83%D1%88%D0%BD%D0%B8%D0%BA%D0%BE%D0%B2/ автор хвалит около 5 собранных собственноручно конструкций среди которых есть AD815AYS но характеристики к сожалению указаны не все Вообщем видимо придется покупать микрухи и делать самому, и экспериментировать с навесным монтажом и экранированием, так как меня размеры не устраивают, потому как ко всему этому будет еще питание из крон AD815AYS пока что мне понравился больше всех Ссылка на комментарий Поделиться на другие сайты Поделиться
Yamazaki Опубликовано 18 Января, 2015 в 16:45 Жалоба Поделиться Опубликовано 18 Января, 2015 в 16:45 автор хвалит около 5 собранных собственноручно конструкций среди которых есть AD815AYSно характеристики к сожалению указаны не все Это действительно очень качественные и продуманные конструкции. Lynx лаптей не вяжет. Только вот печатки он не публикует, а это немаловажная часть конструкции. Тут надо самому что-то придумать. Навесной монтаж скорее всего не прокатит, AD815, как и TPA6120 - очень быстрые микросхемы, поэтому требования к монтажу у них довольно высокие. Вот LM1875 запросто можно навесом включить, но это всё-таки не совсем то. Ссылка на комментарий Поделиться на другие сайты Поделиться
Гость mickel52 Опубликовано 18 Января, 2015 в 16:56 Жалоба Поделиться Опубликовано 18 Января, 2015 в 16:56 Это действительно очень качественные и продуманные конструкции. Lynx лаптей не вяжет. Только вот печатки он не публикует, а это немаловажная часть конструкции. Тут надо самому что-то придумать. Навесной монтаж скорее всего не прокатит, AD815, как и TPA6120 - очень быстрые микросхемы, поэтому требования к монтажу у них довольно высокие. Вот LM1875 запросто можно навесом включить, но это всё-таки не совсем то. хотелось бы теперь найти литературу, которая объяснит все тонкости работы этой микросхемы (AD815ays), заказал ее, и на всякий LM1875 вдруг все таки не получиться Ссылка на комментарий Поделиться на другие сайты Поделиться
Гость mickel52 Опубликовано 15 Февраля, 2015 в 20:24 Жалоба Поделиться Опубликовано 15 Февраля, 2015 в 20:24 Добавлено два файла, уже собрал запчасти, хочу сделать трех слойную плату, спрятав элементы либо на уровне платы, либо над, разместить между ними термостойкий и не передающий тепло материал и экранирование. Трехслойной хочу сделать потому, что мне нужно заполнить объем, сделать максимально миниатюрным. Можете что-нибудь посоветовать. Если надо создам отдельную тему Уже создаю модель 3d, выложу ее на всеобщее одобрение, а также свою печатку, Я в курсе, что придется немного изменить значения конденсаторов. Ссылка на комментарий Поделиться на другие сайты Поделиться
Гость mickel52 Опубликовано 15 Марта, 2015 в 16:21 Жалоба Поделиться Опубликовано 15 Марта, 2015 в 16:21 Вот хочу похвастаться, удалось уместить все это чюдо с идеальным источником питания, осталось только кое-где подрезать! Добавлено после раздумий: Вот еще картинки Добавлено после раздумий: И еще Ссылка на комментарий Поделиться на другие сайты Поделиться
Рекомендуемые сообщения
Для публикации сообщений создайте учётную запись или авторизуйтесь
Вы должны быть пользователем, чтобы оставить комментарий
Создать учетную запись
Зарегистрируйте новую учётную запись в нашем сообществе. Это очень просто!
Регистрация нового пользователяВойти
Уже есть аккаунт? Войти в систему.
Войти