Гость toliakorg Опубликовано 5 Декабря, 2014 в 21:23 Жалоба Поделиться Опубликовано 5 Декабря, 2014 в 21:23 (изменено) Надо сделать курсач: взять схемку с транзисторами и пресчитать все номинали резисторов и кондесаторов с нуля. Знакомый старшекурсник росказывал что нашел в инете уже росчитаную и просто впарил ее! Вот на подобе такой схемки мне надо... можно по проще. Изменено 5 Декабря, 2014 в 21:33 пользователем toliakorg Ссылка на комментарий Поделиться на другие сайты Поделиться
andrew_spb Опубликовано 5 Декабря, 2014 в 22:42 Жалоба Поделиться Опубликовано 5 Декабря, 2014 в 22:42 Мда... наверное вы все-таки не на тот ресурс обратились. Любителей "впаривать" здесь не любят. А для вашей схемы посчитайте постоянные времени цепи корреции для разных типов лент, так, для тренировки... Ссылка на комментарий Поделиться на другие сайты Поделиться
Datagor Опубликовано 6 Декабря, 2014 в 03:07 Жалоба Поделиться Опубликовано 6 Декабря, 2014 в 03:07 Простите за мой французский! Я не понимаю, ну нахера учиться тому, чего ты не любишь, не понимаешь и не хочешь понимать? Ведь это бесполезно, не в коня корм. Зачем терять драгоценное время? Анатолий, идите сразу в менеджеры. Вы ведь даже не просите растолковать конкретный вопрос, вам нужно всё готовое, чтобы сразу "впарить", не напрягая "моск". Ссылка на комментарий Поделиться на другие сайты Поделиться
игорь джан Опубликовано 6 Декабря, 2014 в 04:03 Жалоба Поделиться Опубликовано 6 Декабря, 2014 в 04:03 Я тихо дурею.... :smile: Ссылка на комментарий Поделиться на другие сайты Поделиться
Wal Опубликовано 6 Декабря, 2014 в 04:49 Жалоба Поделиться Опубликовано 6 Декабря, 2014 в 04:49 Сколько там...пять лет вычеркнутых из жизни? Но офисный планктон готов! :smile: Ссылка на комментарий Поделиться на другие сайты Поделиться
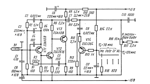
Chugunov Опубликовано 6 Декабря, 2014 в 09:21 Жалоба Поделиться Опубликовано 6 Декабря, 2014 в 09:21 Похоже, в приведенной схеме опечатка - номинал R13=220k завышен во много раз. Эта схема - перепечатка в "Радио" из японского журнала, и такое случалось нередко. Ссылка на комментарий Поделиться на другие сайты Поделиться
Рекомендуемые сообщения