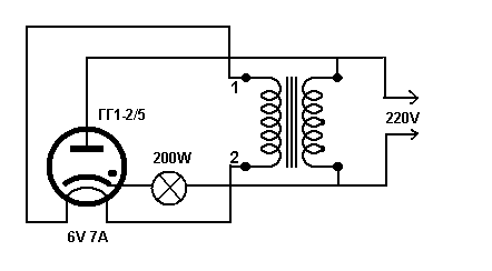
Гость Freddie Опубликовано 2 Декабря, 2014 в 06:41 Жалоба Поделиться Опубликовано 2 Декабря, 2014 в 06:41 Вот еще одна красивая лампа. Газоторон (газонаполненный выпрямитель) ГГ1-2/5 Максимальный выпрямленный ток 2А максимальное напряжение до 5кВ. напряжение накала 6.3в ток накала 7А. Наполнет ксеноном под низким давлением. Выпрямляет напряжение из розетки. В качестве нагрузки осветительная лампа 200Вт В темноте очень красиво выглядит. Оранжевый свет от нити накала и голубовато-бирюзовое свечение газа. Извините,а какова схема подключения в Вашем случае? Есть пара таких ламп,хочется побаловаться :smile: Ссылка на комментарий Поделиться на другие сайты Поделиться
TANk Опубликовано 2 Декабря, 2014 в 14:51 Жалоба Поделиться Опубликовано 2 Декабря, 2014 в 14:51 В данном случае все очень просто. Ссылка на комментарий Поделиться на другие сайты Поделиться
Гость Freddie Опубликовано 2 Декабря, 2014 в 23:26 Жалоба Поделиться Опубликовано 2 Декабря, 2014 в 23:26 В данном случае все очень просто. Спасибо за схему. Лет 5 назад занимался конструирование ламповых схем.Они мне по "духу" ближе.Почитал ваши статьи и комменты и очень много полезного узнал.Скажите пожалуйста:у меня есть возможность приобрести заводские усилители УО13 и ЗУ-430 (вроде как от КИНапа). Что лучше подойдет для конструкции на их основе хорошего усилителя (к сожалению почти вся моя "элементная" база с годами утрачена) и приходится пользоваться малым.Спасибо заранее) Ссылка на комментарий Поделиться на другие сайты Поделиться
TANk Опубликовано 3 Декабря, 2014 в 12:22 Жалоба Поделиться Опубликовано 3 Декабря, 2014 в 12:22 ЗУ-430 - практически готовый гитарный усилитель. Вот его схема. УО-13 - Рассчитан на трансляционную линию. К нему просто так динамики не подключить. Силовой трансформатор имеет жуткий ток покоя - порядка 300-400мА и даже на холостом ходу греется. Его мне пришлось перематывать. Я перемотанный силовой использовал в усилителе на ГУ-50. На это шасси в принципе можно смонтировать усилитель на ГУ-50 и панельки от 6Р3С для ГУ-50 подходят. Но в остальном переделка серьезная предстоит. Ссылка на комментарий Поделиться на другие сайты Поделиться
Гость Freddie Опубликовано 3 Декабря, 2014 в 22:42 Жалоба Поделиться Опубликовано 3 Декабря, 2014 в 22:42 ЗУ-430 - практически готовый гитарный усилитель. Вот его схема. УО-13 - Рассчитан на трансляционную линию. К нему просто так динамики не подключить. Силовой трансформатор имеет жуткий ток покоя - порядка 300-400мА и даже на холостом ходу греется. Его мне пришлось перематывать. Я перемотанный силовой использовал в усилителе на ГУ-50. На это шасси в принципе можно смонтировать усилитель на ГУ-50 и панельки от 6Р3С для ГУ-50 подходят. Но в остальном переделка серьезная предстоит. Тогда,наверное,стоит поработать с ЗУ-430. Тем более у меня есть оригинальные старые 6L6 RCA (говорят очень хорошие и редкие лампы) Подскажите мне-какие первые шаги стоит предпринять в модернизации схему от ЗУ-430? (в том числе и замену старых элементов монтажа на новые) Ссылка на комментарий Поделиться на другие сайты Поделиться
Гость kdtp Опубликовано 4 Декабря, 2014 в 13:40 Жалоба Поделиться Опубликовано 4 Декабря, 2014 в 13:40 Прежде чем начать «ковырять» усилитель ЗУ-430, определитесь – что Вы хотите получить «в сухом остатке». Если по-простому – что Вы хотите из него сделать; гитарный усилитель или усилитель для «музыку послушать»? Ссылка на комментарий Поделиться на другие сайты Поделиться
Гость Freddie Опубликовано 7 Декабря, 2014 в 02:39 Жалоба Поделиться Опубликовано 7 Декабря, 2014 в 02:39 Прежде чем начать «ковырять» усилитель ЗУ-430, определитесь – что Вы хотите получить «в сухом остатке». Если по-простому – что Вы хотите из него сделать; гитарный усилитель или усилитель для «музыку послушать»? В сухом остатке хотелось бы получить из него усилитель для прослушивании музыки) Ссылка на комментарий Поделиться на другие сайты Поделиться
Гость Freddie Опубликовано 7 Декабря, 2014 в 05:42 Жалоба Поделиться Опубликовано 7 Декабря, 2014 в 05:42 В сухом остатке хотелось бы получить из него усилитель для прослушивании музыки) Очень жду советов,друзья Ссылка на комментарий Поделиться на другие сайты Поделиться
Гость avals Опубликовано 31 Декабря, 2014 в 19:14 Жалоба Поделиться Опубликовано 31 Декабря, 2014 в 19:14 Подскажите мне-какие первые шаги стоит предпринять в модернизации схему от ЗУ-430? (в том числе и замену старых элементов монтажа на новые) Очень сложно в разы улучшить серийный усилитель, схема, монтаж и режимы которого откатаны годами. Замена ламп на импорт, конденсаторов и резисторов на "фэншуй", безусловно, даст положительный эффект, но, вряд ли пропорциональный затратам. Прежде всего поймите для себя - по силам ли Вам намотать качественный трансформатор. Сможете ли Вы правильно сделать статическую и динамическую балансировку выходного каскада, подобрать пары ламп и режим их работы, грамотно развести землю усилителя. Если все ответы - "да", то смело беритесь за дело. И вряд ли Вам понадобятся чьи то советы. Если, хотя бы, половина - "нет", не тратьте время на ожидание подсказок. Возьмите пару ЗУ-430. Это добротный усилитель, уже достаточно качественный и мощный. Замените электролиты питания на что нибудь посовременнее и помикрофараднее. При этом не забудьте заменить мост из Д226Б на что нибудь типа KBL410. И, главное. Выходной трансформатор расчитан на 2.5 Ома. Надо аккуратно его разобрать и домотать поверх катушки 20 витков жгута в три провода ∅ 0,8 мм. Все три провода паяются в параллель и полученная обмотка соединяется последовательно с выходной для нагрузки в 4 Ома. Если надо сделать 8 Ом, то без полной перемотки выходника не обойтись. В плане модернизации схемы - прежде всего подумать как организовать одновременную регулировку громкости и тембра, чтобы не крутить двумя руками ручки на моноблоках. Лучше бы сделать предусилитель с коммутатором в отдельном корпусе, а ЗУ-430 поставить как и положено, около колонок. Вот такие вот пироги с котятами. Ссылка на комментарий Поделиться на другие сайты Поделиться
Samura Опубликовано 17 Апреля, 2020 в 22:47 Жалоба Поделиться Опубликовано 17 Апреля, 2020 в 22:47 а как из него гитарнный сделать? Ссылка на комментарий Поделиться на другие сайты Поделиться
Рекомендуемые сообщения
Для публикации сообщений создайте учётную запись или авторизуйтесь
Вы должны быть пользователем, чтобы оставить комментарий
Создать учетную запись
Зарегистрируйте новую учётную запись в нашем сообществе. Это очень просто!
Регистрация нового пользователяВойти
Уже есть аккаунт? Войти в систему.
Войти