Гость 20142015 Опубликовано 23 Ноября, 2014 в 05:42 Жалоба Поделиться Опубликовано 23 Ноября, 2014 в 05:42 ищу схему от искатела електро праводов стене памагите пожалуста Ссылка на комментарий Поделиться на другие сайты Поделиться
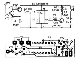
Гость borisz Опубликовано 23 Ноября, 2014 в 08:40 Жалоба Поделиться Опубликовано 23 Ноября, 2014 в 08:40 ищу схему от искатела електро праводов стене памагите пожалуста Очень простая схема искателя скрытой проводки Принцип действия предлагаемого искателя чрезвычайно прост - вокруг проводов электрической сети существует электромагнитное поле с частотой сети 50 Гц, которое можно зарегистрировать чувствительным прибором. поиск скрытой проводки. Датчиком-антенной прибора служит короткий (2...5 см) отрезок провода, изолированного или нет — безразлично. Через защитный резистор R1 он соединен с затвором полевого транзистора VT1, обладающего очень высоким входным сопротивлением. По этой причине даже через небольшую емкость между датчиком и проводами сети на затворе наводится заметное напряжение. Ток транзистора оказывается промодулированным колебаниями с частотой сети. Эти колебания усиливаются по току вторым транзистором VT2, включенным по схеме эмиттерного повторителя, и подводятся к телефону BF1. Непосредственная связь между транзисторами обеспечивает хорошую передачу низкочастотных колебаний к телефону. Хотя последний и плохо воспроизводит частоту 50 Гц, сетевая наводка всегда имеет искаженную форму, т. е. сопровождается гармониками основной частоты, которые хорошо слышны. Транзисторы VT1 и VT2 можно заменить на КПЗОЗВ и КТ3102Е соответственно, изменив при этом полярность источника питания. Рекомендуется выбирать полевые транзисторы с небольшим напряжением отсечки, чувствительность прибора при этом повышается. Искатель питается от одного "пальчикового" элемента (типа 316 или АА) напряжением 1,5 В. Можно использовать и дисковый аккумулятор. Желательно, чтобы телефон BF1 имел сопротивление не ниже 50 Ом, чтобы ограничить максимальный ток, потребляемый устройством. Допустимо применить наушники от плейера или другие головные телефоны. Оба капсюля включаются последовательно. Радио 2002'1 Ссылка на комментарий Поделиться на другие сайты Поделиться
Гость jank5 Опубликовано 23 Ноября, 2014 в 10:12 Жалоба Поделиться Опубликовано 23 Ноября, 2014 в 10:12 (изменено) На фоне простоты чувствительность / избирательность схемы никакие. =https://cxem.net/house/1-86.php =https://www.payatel.ru/398-shema-iskatelya-skrytoy-provodki.html =https://cxembl.net/avtomatika/elektrika/iskatel-skry-toj-provodki/ Изменено 23 Ноября, 2014 в 10:18 пользователем jank5 Ссылка на комментарий Поделиться на другие сайты Поделиться
Dm4 Опубликовано 24 Ноября, 2014 в 00:12 Жалоба Поделиться Опубликовано 24 Ноября, 2014 в 00:12 _https://youtu.be/8ekFZQ5f-fs под видео есть ссылка на схему, сам хотел повторить но все ни как руки не доходят Ссылка на комментарий Поделиться на другие сайты Поделиться
Рекомендуемые сообщения
Для публикации сообщений создайте учётную запись или авторизуйтесь
Вы должны быть пользователем, чтобы оставить комментарий
Создать учетную запись
Зарегистрируйте новую учётную запись в нашем сообществе. Это очень просто!
Регистрация нового пользователяВойти
Уже есть аккаунт? Войти в систему.
Войти