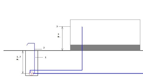
Гость maks-azov Опубликовано 3 Ноября, 2014 в 08:46 Жалоба Поделиться Опубликовано 3 Ноября, 2014 в 08:46 Добрый день! Ребята, может не в тему, но прошу помочь!!! Дом находится в сельской местности, во дворе общий водопровод! На картинке показано несколько отметок: 1 и 2 отметка - это уровень воды в летнее время, после 22.00 поднимается да уровня чтоб набрать с дворовой колонки!!! А осенью, зимой и весной до мая напор воды нормальный!!! Я знаю что есть насосы повышающие давление!!! Возможность поставить насос только в яме, куда входит главная труба, т.е. габариты не большие. UPA 15-90, Wilo PB 088 EA, CL15GRS-15 - может кто-то сталкивался с данными модэлями??? Что модно сделать чтоб вода достигала в летнее время отметки 3 ??? Ссылка на комментарий Поделиться на другие сайты Поделиться
andrew_spb Опубликовано 3 Ноября, 2014 в 09:34 Жалоба Поделиться Опубликовано 3 Ноября, 2014 в 09:34 Задачка на курс физики 9го класса. Вы путаете термины, вам повышать давление ни к чему. Для решения задачи, кроме любого опускаемого насоса вам потребуется также промежуточная емкость на уровне 3. Это может быть старая ванна, бак ПЭТФ и так далее. И некий минимум автоматики, чтобы насос не качал воздух. Но если расход воды у вас больше прихода - то как только так сразу....потому промежуточный бак берите поболее. Ссылка на комментарий Поделиться на другие сайты Поделиться
Гость jank5 Опубликовано 3 Ноября, 2014 в 12:15 Жалоба Поделиться Опубликовано 3 Ноября, 2014 в 12:15 И еще проще - обыкновенный БЦН, установленный ниже отметки 1, в идеале - ниже подающей магистрали. Ссылка на комментарий Поделиться на другие сайты Поделиться
Гость Georg Опубликовано 4 Ноября, 2014 в 04:52 Жалоба Поделиться Опубликовано 4 Ноября, 2014 в 04:52 Макс, действительно, вас спасёт промежуточная ёмкость. У вас не хватает не давления, а расход на магистрали слишком велик. Установить насос в приямке - это самое простое. Только не очень законно. В идеале, вам нужно собираться всей улицей (посёлком и т.п.) и решать вопрос о замене трубопровода или повышения производительности насосов. Хотя, всё это требует немалых вложений средств. Беда с подачей воды летом из-за того, что жители поливают огороды питьевой водой. Если уровень грунтовых вод рядом, почему бы не пробурить скважины для полива? Видимо, использование водопроводной воды не по назначению давно вошло в практику. И не контролирует никто. У меня так же на даче - многие "умные" соседи ставят на свой отвод от магистрали центробежный насос, и часто получается так, что вода вообще не доходит, а иной раз выкачивается из ёмкости, если шланг был опущен до уровня воды. В газовой столице Узбекистана Ургенче, в частном секторе, людям приходится ставить аналогичные насосы, но только на газ. Как-то переделывают из автомобильных мембранных насосов. Жить хочется всем... Так что, этот вопрос более широкий, чем кажется. А если решить проблему здесь и сейчас - то насос в приямке. Ссылка на комментарий Поделиться на другие сайты Поделиться
Рекомендуемые сообщения
Для публикации сообщений создайте учётную запись или авторизуйтесь
Вы должны быть пользователем, чтобы оставить комментарий
Создать учетную запись
Зарегистрируйте новую учётную запись в нашем сообществе. Это очень просто!
Регистрация нового пользователяВойти
Уже есть аккаунт? Войти в систему.
Войти