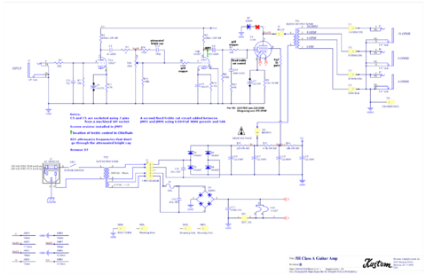
Гость blazhik81 Опубликовано 10 Сентября, 2014 в 12:10 Жалоба Поделиться Опубликовано 10 Сентября, 2014 в 12:10 Всем привет! Заранее оговорюсь что в вопросах электроники профан полный, но в особой тупости вроде не замечен, так что объяснения понять в силах). А теперь собственно говоря суть вопроса. Есть гитарный усилитель-голова Kustom 5H (5 Ватт) схема прикреплена. Проблема в том что он в некоторых случаях тиховат и не хватает запаса чистого звука. Насколько я понимаю вопрос в малой мощности. Так вот, профессионалы, подскажите как увеличить мощность сего девайса? Только не советуйте купить другой или выкинуть этот. Есть и другой и третий. Вопрос стоит не зачем а КАК? Заранее всем спасибо) Ссылка на комментарий Поделиться на другие сайты Поделиться
Yamazaki Опубликовано 10 Сентября, 2014 в 12:46 Жалоба Поделиться Опубликовано 10 Сентября, 2014 в 12:46 Если ставить вопрос таким образом, то никак :smile: EL84 в однотакте даёт пять ватт, и больше из неё не выжать. Наверняка и питание там впритык сделано. Так что минимальными переделками не обойтись никак. Можно разве что попробовать добавить туда ещё один усилитель на микрухе, если сделать аккуратно, он места много не займет. Переключаться между ними по потребности. Добавлено после раздумий: Кстати, а динамик, к которому его подключают, потянет дополнительную мощность? А то мало ли... Ссылка на комментарий Поделиться на другие сайты Поделиться
Гость blazhik81 Опубликовано 10 Сентября, 2014 в 12:51 Жалоба Поделиться Опубликовано 10 Сентября, 2014 в 12:51 Если ставить вопрос таким образом, то никак :smile: EL84 в однотакте даёт пять ватт, и больше из неё не выжать. Наверняка и питание там впритык сделано. Так что минимальными переделками не обойтись никак. Можно разве что попробовать добавить туда ещё один усилитель на микрухе, если сделать аккуратно, он места много не займет. Переключаться между ними по потребности. Добавлено после раздумий: Кстати, а динамик, к которому его подключают, потянет дополнительную мощность? А то мало ли... Динамик 60 Вт, так что потянет) А можно поподробнее про усилитель на микрухе? Ссылка на комментарий Поделиться на другие сайты Поделиться
Yamazaki Опубликовано 10 Сентября, 2014 в 17:44 Жалоба Поделиться Опубликовано 10 Сентября, 2014 в 17:44 Такой? Вон там сколько свободного места! Если найдёте трансформатор достаточной мощности (скажем, ватт 30-40), который по габаритам туда влезет, можно будет дальше думать. Ссылка на комментарий Поделиться на другие сайты Поделиться
Chugunov Опубликовано 10 Сентября, 2014 в 17:48 Жалоба Поделиться Опубликовано 10 Сентября, 2014 в 17:48 Есть гитарный усилитель-голова Kustom 5H (5 Ватт)Проблема в том что он в некоторых случаях тиховат и не хватает запаса чистого звука. Насколько я понимаю вопрос в малой мощности. подскажите как увеличить мощность сего девайса? Невразумительно написано. Неполнятно что такое "в некоторых случаях". Возможно два варианта: 1. Усилитель-голова работает в штатном режиме на своей максимальной громкости. В этом случае лучше ничего не делать - замену динамика, переделку схемы не рассматриваем. 2. Усилитель-голова не развивает своей обычной максимальной мощности, скорее всего от того, что сигнал на входе по каким-то причинам (скорее всего от другого источника звука) слабоват. Звук чистый, перегрузки нет, хотелось бы погромче, но регулятор громкости на максимуме. Это решаеиая ситуация. Но это будет не увеличение мощности, а увеличение чувствительности. Ссылка на комментарий Поделиться на другие сайты Поделиться
Гость blazhik81 Опубликовано 11 Сентября, 2014 в 10:14 Жалоба Поделиться Опубликовано 11 Сентября, 2014 в 10:14 (изменено) Невразумительно написано. Неполнятно что такое "в некоторых случаях".Возможно два варианта: 1. Усилитель-голова работает в штатном режиме на своей максимальной громкости. В этом случае лучше ничего не делать - замену динамика, переделку схемы не рассматриваем. 2. Усилитель-голова не развивает своей обычной максимальной мощности, скорее всего от того, что сигнал на входе по каким-то причинам (скорее всего от другого источника звука) слабоват. Звук чистый, перегрузки нет, хотелось бы погромче, но регулятор громкости на максимуме. Это решаеиая ситуация. Но это будет не увеличение мощности, а увеличение чувствительности. " Некоторые случаи" это случаи когда нужна большая громкость на чистом звуке. Вообще усилитель работает по принципу - от 0 до 30 процентов громкости чистый звук, дальше прибавляется не громкость а появляется перегруз. И чем правее ручка тем он сильнее. В принципе так и должно быть в штатном режиме работы сего девайса. Вопрос именно в том чтобы увеличить этот самый запас чистой громкости и поднять уровень общей громкости. Добавлено после раздумий: Такой? Вон там сколько свободного места! Если найдёте трансформатор достаточной мощности (скажем, ватт 30-40), который по габаритам туда влезет, можно будет дальше думать. Трансформатор найду какой надо, в принципе можно заказать. Давайте думать дальше))) Шкаф в любом случае планируется новый так что место не проблема. Изменено 11 Сентября, 2014 в 10:16 пользователем blazhik81 Ссылка на комментарий Поделиться на другие сайты Поделиться
Yamazaki Опубликовано 12 Сентября, 2014 в 16:30 Жалоба Поделиться Опубликовано 12 Сентября, 2014 в 16:30 Сколько ватт вам надо? Допустим, LM1875 вам выдаст до 20 ватт, но надо продумать, как её охлаждать, и откуда брать сигнал для неё. Нужно же сохранить ламповый перегруз, верно? Насколько я понимаю, он получается вследствие перегрузки второй лампы сигналом с первой. Значит, надо брать сигнал после второй лампы, через делитель конечно. Думаю, можно сделать так: размещаете радиатор охлаждения на задней стенке в районе выходного трансформатора, плату усилителя вертикально, микросхема крепится к радиатору через отверстие в корпусе. Силовой транс на свободное место по центру Что думаете? Ссылка на комментарий Поделиться на другие сайты Поделиться
TANk Опубликовано 12 Сентября, 2014 в 17:49 Жалоба Поделиться Опубликовано 12 Сентября, 2014 в 17:49 А если параллельно одной ЕЛ84 подключить вторую? 2 лампы параллельно дадут примерно в полтора-два раза больше мощности. Единственное что потребуется для согласования - это переключить динамик. Если родной динамик 8 омный, то его надо будет включить на выход 16 ом трансформатора. Судя по габаритам трансформаторов еще одну лампу они должны выдержать без проблем. Ссылка на комментарий Поделиться на другие сайты Поделиться
Yamazaki Опубликовано 12 Сентября, 2014 в 17:56 Жалоба Поделиться Опубликовано 12 Сентября, 2014 в 17:56 А питание потянет? Ссылка на комментарий Поделиться на другие сайты Поделиться
Chugunov Опубликовано 12 Сентября, 2014 в 19:33 Жалоба Поделиться Опубликовано 12 Сентября, 2014 в 19:33 усилитель работает по принципу - от 0 до 30 процентов громкости чистый звук, дальше прибавляется не громкость а появляется перегруз. Вопрос именно в том чтобы увеличить этот самый запас чистой громкости и поднять уровень общей громкости. Теперь ясно - проблема действительно в мощности, а не в чувствительности усилителя. Учитывая ...в вопросах электроники профан полный... напрашивается ответ: нужен другой, более мощный усилитель, попытки переделать этот усилитель, скорее всего, приведут к его неработоспособности. Ссылка на комментарий Поделиться на другие сайты Поделиться
Гость blazhik81 Опубликовано 13 Сентября, 2014 в 16:08 Жалоба Поделиться Опубликовано 13 Сентября, 2014 в 16:08 Теперь ясно - проблема действительно в мощности, а не в чувствительности усилителя.Учитывая напрашивается ответ: нужен другой, более мощный усилитель, попытки переделать этот усилитель, скорее всего, приведут к его неработоспособности. Ну вот, началось))) Писал ведь что есть и более мощный и мощнее более мощного)) Вопрос именно в переделке ЭТОГО усилитиеля. Добавлено после раздумий: Сколько ватт вам надо? Допустим, LM1875 вам выдаст до 20 ватт, но надо продумать, как её охлаждать, и откуда брать сигнал для неё. Нужно же сохранить ламповый перегруз, верно? Насколько я понимаю, он получается вследствие перегрузки второй лампы сигналом с первой. Значит, надо брать сигнал после второй лампы, через делитель конечно.Думаю, можно сделать так: размещаете радиатор охлаждения на задней стенке в районе выходного трансформатора, плату усилителя вертикально, микросхема крепится к радиатору через отверстие в корпусе. Силовой транс на свободное место по центру Что думаете? Звучит заманчиво. Ссылка на комментарий Поделиться на другие сайты Поделиться
Chugunov Опубликовано 13 Сентября, 2014 в 17:17 Жалоба Поделиться Опубликовано 13 Сентября, 2014 в 17:17 Ну вот, началось))) Писал ведь что есть и более мощный и мощнее более мощного)) Вопрос именно в переделке ЭТОГО усилитиеля. Здесь много пишут, и чаще всего невнятно. Начинаешь допрос, и только тогда всплывают детали, часто противоположные написанному ранее. Промышленные конструкции часто делают без запаса по мощности, размерам и т. п. потому что запас - "выброшенные на ветер деньги". В силу этого надо убедиться, что блок питания выдержит удвоение по мощности (может повезти, если взят типовой трансформатор более мощный т. к. типовой менее мощный не потянул). Лампы работают в классе А т. е. потребляют максимальную мощность постоянно (тонкости отбросим), это не транзисторные усилители класса АВ с "музыкальной" мощностью. Кроме того, придется лазать в ящике с высокими напряжениями, что небезопасно, хотя спалить ламповый усилитель сложнее транзисторного. Советы советами, но тут и навык нужен. Поэтому мы стремимся давать рациональные советы доступные спрашивающему. И не надо так быстро раздражаться и дерзить людям, которые хотят вам помочь. Надо иметь такт и терпение. Ссылка на комментарий Поделиться на другие сайты Поделиться
Рекомендуемые сообщения
Для публикации сообщений создайте учётную запись или авторизуйтесь
Вы должны быть пользователем, чтобы оставить комментарий
Создать учетную запись
Зарегистрируйте новую учётную запись в нашем сообществе. Это очень просто!
Регистрация нового пользователяВойти
Уже есть аккаунт? Войти в систему.
Войти