Гость rudik Опубликовано 9 Июня, 2014 в 12:04 Жалоба Поделиться Опубликовано 9 Июня, 2014 в 12:04 В схеме "звучат" не только лампы. Есть трансформаторы и прочие паразитные емкости и индуктивности. Для начала освойте такую полезную программу как RMAA - тогда можно говорить о некоторых вещах объективно - обычный график АЧХ, ФЧХ и проверка усилителя прямоугольными импульсами покажет кто там "вперед зарывается". И вам станет многое понятнее - кроме того увидите обратную связь от своих действий. [/quote Спасибо за подсказку, скачал программку эту. У меня вот такие выходы и входы на компе, выход с усилителя подключать на линей вход аудио карты или на микрофон? Добавлено после раздумий: 1 Мкф/350-400 вольт, где то были у меня такие в банках марка БМ если я не ошибаюсь, подойдут? прочел вашу статью, интересно спору нет, возможно, я повторю Ваше творение, но хотелось бы сначала разобраться с тем что есть!) резисторов у меня сейчас нет таких, поеду в магазин куплю, а насчет трансформаторов :smile: думаю китаец Линь и там постарался на славу!))) вскроем, посмотрим) Ссылка на комментарий Поделиться на другие сайты Поделиться
vladimirm2 Опубликовано 9 Июня, 2014 в 12:21 Жалоба Поделиться Опубликовано 9 Июня, 2014 в 12:21 (изменено) 1. И еще, попробуйте не использовать в качестве источника комп. Что-то сомневаюсь, что готовый усилитель имеет такой уровень шумов, пусть даже китайский. Попробуйте для начала любой другой, но хороший источник, например любой двд или сд плеер и обязательно оригинальный диск двд или сд, может все не так и плохо будет! Может все дело у Вас вообще в источнике, попробуйте. 2. На худой конец комп, но только с программой foobar2000, громкость везде должна в компе быть выставлена на максимум, а все украшательства звука отключены (эквалайзер и пр.). И взять музыку только в формате лосслес. А уж после этого грешить на усилитель. 3. Попробуйте просто без кабелей входных закоротить входные разъемы усилителя и послушать, будет ли при этом шум, если нет, то межблочный кабель менять и источник менять! Изменено 9 Июня, 2014 в 12:26 пользователем vladimirm2 Ссылка на комментарий Поделиться на другие сайты Поделиться
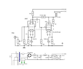
TANk Опубликовано 9 Июня, 2014 в 12:36 Жалоба Поделиться Опубликовано 9 Июня, 2014 в 12:36 Прежде всего нужна схема и карта напряжений на выводах ламп. До ее появления на всеобщее обозрение ничего паять, менять, переделывать не рекомендую. Ссылка на комментарий Поделиться на другие сайты Поделиться
andrew_spb Опубликовано 9 Июня, 2014 в 15:17 Жалоба Поделиться Опубликовано 9 Июня, 2014 в 15:17 У меня вот такие выходы и входы на компе, выход с усилителя подключать на линей вход аудио карты или на микрофон? Нормальный у вас набор выходов. Вам нужен Линвход для измерений - Голубой. Ну и Лин выход - зеленый... А также эквивалент нагрузки с делителем напряжения - два резюка а канал - чтобы подогнать уровень и не спалить вход. Ссылка на комментарий Поделиться на другие сайты Поделиться
al ex Опубликовано 9 Июня, 2014 в 16:51 Жалоба Поделиться Опубликовано 9 Июня, 2014 в 16:51 1 Мкф/350-400 вольт, где то были у меня такие в банках марка БМ если я не ошибаюсь, подойдут? Не советую! На крайний случай пока оставьте родные, можно поискать К40У-9 хотя бы 0,68 мкФ. Ссылка на комментарий Поделиться на другие сайты Поделиться
Chugunov Опубликовано 9 Июня, 2014 в 18:22 Жалоба Поделиться Опубликовано 9 Июня, 2014 в 18:22 (изменено) Слушал старую ламповую радиолу, так там звук как живой… а на этом что то не понятное, такое ощущение когбудто бы каждая частота пытается вырваться вперед (что то такое непонятное и странное) Рома! Динамики (акустические системы) - это главное звено в звуковоспроизведении. В "старых ламповых радиолах" обычно были неплохие бумажные динамики, которые работали в оформлении "открытый ящик" (это тоже очень важно). Эти динамики (кроме некоторых приемников-радиол высокого класса) не воспроизводили самые высокие и низкие частоты (это было не нужно т. к. их просто не было от источника сигналов) , но соблюдался частотный баланс и главные (средние) частоты звучали хорошо, общий звук был "мягким". На такой акустике плохо будет звучать "современная" музыка, а инструменты и особенно голос могут звучать хорошо. Короче, для лампового усилителя я бы посоветовал "ламповую" акустику. Ну уж по крайней мере динамики без резиновых подвесов и пластиковых диффузоров. У последних, даже при ровной АЧХ может быть "неинтересный", ненатуральный и неживой звук (не всегда, но бывает). К сожалению, по моему малокомпетентному мнению, ламповому усилителю нужна акустика в "больших ящиках" и открытого типа. В том, что хорошо будут звучать компрессионные АС малой чувствительности и в малом объеме, я сомневаюсь. Что делать? Как проверить без больших затрат денег? Попробуйте найти-приобрести бумажные широкополосники (не надо престижные и дорогие, можно барахло типа 4ГД-28), установитьих во временный ящик из отбросов, без обработки и полировки. Послушать. Если вдруг понравится, можно пилить дрова и придавать им внешний вид. P.S. Вы не написали - с какими АС вы слушали свой ламповый усилитель??? Изменено 9 Июня, 2014 в 18:24 пользователем chugunov Ссылка на комментарий Поделиться на другие сайты Поделиться
Гость rubenlukin Опубликовано 9 Июня, 2014 в 20:56 Жалоба Поделиться Опубликовано 9 Июня, 2014 в 20:56 Динамики (акустические системы) - это главное звено в звуковоспроизведении. Сергей chugunov, камрады... Человек обозначил в головном посте, что напрягает фон переменного тока (ну да, немного криво сформулировал). Обозначил, что ухом в колонку. А ему в ответ -- "как обустроить домашнюю прослушку в городе". На такой вопрос (которого топ-стартер не задавал) у меня одна формула -- ехать далеко, убить соседей и животных в радиусе километра. Забрасывайте контраргументами. Если нарушил -- банами. Ссылка на комментарий Поделиться на другие сайты Поделиться
vladimirm2 Опубликовано 10 Июня, 2014 в 03:47 Жалоба Поделиться Опубликовано 10 Июня, 2014 в 03:47 (изменено) Уже написаны несколько советов по проверке и настройке, но нет Рудика с ответами. Будут ответы, тогда еще что-то посоветуем, а пока пауза, так немного и от темы отошли. )) Но все советы по делу. Еще хочу добавить, что EL34 мощная и сильная лампа. Я использовал свой усилитель с разной по мощности и чувствительности акустикой не менее пар пяти, и могу сказать, что мощности хватает раскачать любые динамики. Эту лампу не рекомендуют использовать в однотактнных усилителях, но добавление обратной отрицательной связи с анода выходной лампы на анод драйвера через резистор 300-500к выравнивает ВАХи EL34 (это уже для маньяков), что существенно влияет на звук. Но и без ООС усилитель работает отлично! Изменено 10 Июня, 2014 в 05:43 пользователем vladimirm2 Ссылка на комментарий Поделиться на другие сайты Поделиться
Chugunov Опубликовано 10 Июня, 2014 в 17:25 Жалоба Поделиться Опубликовано 10 Июня, 2014 в 17:25 Сергей chugunov, камрады... Человек обозначил в головном посте, что напрягает фон переменного тока (ну да, немного криво сформулировал). Обозначил, что ухом в колонку. А ему в ответ -- "как обустроить домашнюю прослушку в городе". Забрасывайте контраргументами. Если нарушил -- банами. Контраргумент: обозначено две проблемы. 1. Фон. Справиться с этой проблемой - дело техники (если будут вменяемые ответы) и вполне реально. 2. "Старые ящики звучали хорошо, поэтому купил ламповый усилитель (думая, что дело только в нём), а он звучит, мягко говоря, не очень". Все стали отвечать по первой проблеме, я попытался помочь со второй. При чём здесь "домашняя прослушка в городе"? Речь, насколько я понял, о чисто "домашней прослушке", не для выступлений. Ссылка на комментарий Поделиться на другие сайты Поделиться
Рекомендуемые сообщения
Для публикации сообщений создайте учётную запись или авторизуйтесь
Вы должны быть пользователем, чтобы оставить комментарий
Создать учетную запись
Зарегистрируйте новую учётную запись в нашем сообществе. Это очень просто!
Регистрация нового пользователяВойти
Уже есть аккаунт? Войти в систему.
Войти