Гость rudik Опубликовано 7 Июня, 2014 в 13:36 Жалоба Поделиться Опубликовано 7 Июня, 2014 в 13:36 Купил я себе вот такого красавца, ламповый китайский усилитель. Предварительный усилитель: 6N9P , выходные: EL34B, выпрямитель : 5Z3PJ. все бы ничего, но вот фоновый постоянный шум все портит. фон постоянный не зависит от уровня громкости, помогите пожалуйста настроить это чудо!!! если конечно, это возможно!) вскрыл крышку и показалось мне ,что тут не хватает как минимум фильтров... очень мало радиодеталь, это конечно моё личное мнение, в радиоламповых усилителях не силен по этому прошу о помощи знатоков!)буду очень благодарен. Ссылка на комментарий Поделиться на другие сайты Поделиться
andrew_spb Опубликовано 7 Июня, 2014 в 15:19 Жалоба Поделиться Опубликовано 7 Июня, 2014 в 15:19 Рома! Коль скоро вы его уже распотрошили - берите стило и начинайте рисовать его схему. Потому как без нее вам помочь будет трудно. Ссылка на комментарий Поделиться на другие сайты Поделиться
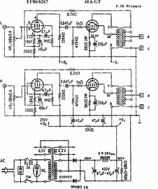
anatolevd Опубликовано 7 Июня, 2014 в 16:32 Жалоба Поделиться Опубликовано 7 Июня, 2014 в 16:32 Добрый вечер, Роман. Думаю, что правильным решением было бы снятие схемы усилителя и размещение её на сайте. Было бы проще подсказывать. Скорее всего схема не будет сильно отличаться от этой: Вместо пентода EF86/6Ж32П двойной триод 6N9P (аналог нашей лампы 6Н9С) включённый (моё предположение) как параллельно управляемый двухламповый усилитель (SRPP), выходная лампа EL34B в ультралинейном режиме. Заявленная мощность, наверное, около 10-12 Ватт. У меня домашний усилитель собран по выше указанной схеме. Но у меня полупроводниковые диоды, а в твоём случае кенотрон. Первый конденсатор не должен быть большой ёмкости. Чем больше его ёмкость, тем больше пульсации тока на вторичной обмотке трансформатора и сильнее наводки на выходные трансформаторы. Дроссель, судя по фото, расположен неудачно, под выходным трансформатором и будет давать наводки. Размеры дросселя кажутся скромными. В моём случае дроссель по размерам сопоставим с выходным трансформатором. Дроссель должен быть рассчитан на ток не менее 150 мА. В противном случае его индуктивность может сильно уменьшиться и ухудшится фильтрация переменной составляющей. Последний конденсатор фильтра в моём случае 470 мкФ, на фото не видна ёмкость, только рабочее напряжение 450V. Если судить по размеру, наверное, 220 мкФ. Я бы попробовал следующее: Определить ёмкость первого конденсатора фильтра питания, если более 47 мкФ, уменьшить. Отсоединить дроссель от корпуса и вынести его от выходного трансформатора на какое то расстояние, если фон уменьшится, искать новое место для дросселя. Увеличить ёмкость второго конденсатора фильтра питания исправным конденсатором ёмкостью ~220 мкФ. Создать искусственную среднюю точку обмотки накала резисторами 100 -220 Ом и соединить эту точку с землёй через конденсатор 1-2,2 мкФ (катоды первой лампы скорее всего под разными потенциалами) на землю. Ссылка на комментарий Поделиться на другие сайты Поделиться
Гость rudik Опубликовано 7 Июня, 2014 в 18:43 Жалоба Поделиться Опубликовано 7 Июня, 2014 в 18:43 спасибо за советы, выходная мощность заявленная 12 Вт. схема да похожа , отсутствуют правда несколько элементов. вот еще пару фоток. Ссылка на комментарий Поделиться на другие сайты Поделиться
vladimirm2 Опубликовано 7 Июня, 2014 в 19:37 Жалоба Поделиться Опубликовано 7 Июня, 2014 в 19:37 Почитайте тему по этому усилителю на Аудиопортале _https://www.audioportal.su/showthread.php/6233-EL-34/page5?highlight=EL34 В этой теме, с топика №116, описан мой проект построения и настройки этого усилителя. Надеюсь, что Вам это поможет и будет интересно тем, кто хочет попробовать эту замечательную лампу в однотакте. Ссылка на комментарий Поделиться на другие сайты Поделиться
TANk Опубликовано 8 Июня, 2014 в 05:28 Жалоба Поделиться Опубликовано 8 Июня, 2014 в 05:28 Рома, в первую очередь срисуйте и покажите блок питания. Я вижу кенотрон, дроссель и большой голубой электролит после дросселя, а где конденсаторы перед дросселем? Какой емкости они стоят. Может китаесы забыли или сэкономили? Ссылка на комментарий Поделиться на другие сайты Поделиться
Гость rubenlukin Опубликовано 8 Июня, 2014 в 05:53 Жалоба Поделиться Опубликовано 8 Июня, 2014 в 05:53 По цепи(ям) накала подстроечные резисторы 100 Ом ... 1 кОм, средний вывод на общий / массу, крайние на накал. Ссылка на комментарий Поделиться на другие сайты Поделиться
Гость rudik Опубликовано 9 Июня, 2014 в 07:52 Жалоба Поделиться Опубликовано 9 Июня, 2014 в 07:52 Спасибо большое за советы, есть план работы 1- срисовать схему, 2 - поставить резисторы на накал. Есть маленький вопрос, а эти лампы могут звучать? Слушал старую ламповую радиолу, так там звук как живой… а на этом что то не понятное, такое ощущение когбудто бы каждая частота пытается вырваться вперед (что то такое непонятное и странное) Ссылка на комментарий Поделиться на другие сайты Поделиться
andrew_spb Опубликовано 9 Июня, 2014 в 09:24 Жалоба Поделиться Опубликовано 9 Июня, 2014 в 09:24 ...такое ощущение когбудто бы каждая частота пытается вырваться вперед (что то такое непонятное и странное) В схеме "звучат" не только лампы. Есть трансформаторы и прочие паразитные емкости и индуктивности. Для начала освойте такую полезную программу как RMAA - тогда можно говорить о некоторых вещах объективно - обычный график АЧХ, ФЧХ и проверка усилителя прямоугольными импульсами покажет кто там "вперед зарывается". И вам станет многое понятнее - кроме того увидите обратную связь от своих действий. Ссылка на комментарий Поделиться на другие сайты Поделиться
vladimirm2 Опубликовано 9 Июня, 2014 в 09:45 Жалоба Поделиться Опубликовано 9 Июня, 2014 в 09:45 (изменено) Есть маленький вопрос, а эти лампы могут звучать? Еще раз Вас направлю к описанию моего усилителя, если такой вопрос задали, то явно не прочли. У меня усилитель на этих лампах, при помощи Манакова А., настроен так, что переигрывает многие усилители и мощнее, и покруче. _https://www.audioportal.su/showthread.php/6233-EL-34/page5?highlight=EL34 В этой теме, с топика №116, описан мой проект построения и настройки этого усилителя. Надеюсь, что Вам это поможет и будет интересно тем, кто хочет попробовать эту замечательную лампу в однотакте. Еще я бы посоветовал избавится от печатного монтажа и собрать все навесным, при желании конечно, но начать нужна с потенциометра на накал о чем уже писали, скорее всего это решит Вашу проблему. Или вот так: два резистора 150 Ом 2 ватта. С накала на землю. Изменено 9 Июня, 2014 в 10:19 пользователем vladimirm2 Ссылка на комментарий Поделиться на другие сайты Поделиться
TANk Опубликовано 9 Июня, 2014 в 10:24 Жалоба Поделиться Опубликовано 9 Июня, 2014 в 10:24 Да, кстати сейчас обратил внимание на межкаскадный конденсатор (между ламповыми панельками кирпично-красный). Судя по всему это конденсатор лавсановый с нелучшими параметрами для звукового применения. Можно подумать о его замене на более качественный полипропилен или бумагу. Но сначала надо срисовать схему, потом тестером измерить напряжения на аноде/катоде/сетке всех ламп в схеме и выложить на всеобщее обозрение. Может лампы работают в каком нибудь неправильном режиме, оттого и не звучат. ЕЛ34 вообще говоря, способна выдать теплый ласковый звук, как раз как у старой радиолы. Некоторые эту лампу как раз и ругают за излишнюю "жирность" "слащавасть" "теплоту" в звуке и тут же говорят, что если вам нравится звук бабушкиной радиолы то эта лампа для вас. Приобретенный усилитель - это очень хороший набор "сделай сам ламповый усилитель" в этом наборе есть лампы, панельки, трансформаторы и самое главное - красивый корпус. А схемы ламповых усилителей очень простые. Умея держать в руках паяльник, и имея этот набор деталей его можно спаять за вечер. На второй вечер попробовать несколько вариантов включения входных и выходных ламп и выбрать лучшее для своих ушей, а не ушей дядюшки Ляо, который этот усилитель собирал не для себя, а для того чтобы повыгоднее продать. Ссылка на комментарий Поделиться на другие сайты Поделиться
vladimirm2 Опубликовано 9 Июня, 2014 в 10:45 Жалоба Поделиться Опубликовано 9 Июня, 2014 в 10:45 Да, кстати сейчас обратил внимание на межкаскадный конденсатор (между ламповыми панельками кирпично-красный). Судя по всему это конденсатор лавсановый с не лучшими параметрами для звукового применения. Можно подумать о его замене на более качественный полипропилен или бумагу. И это ОЧЕНЬ ВАЖНО! Если хорошие выходные трансформаторы, смело поставить на 1 Мкф/350-400 вольт. Ссылка на комментарий Поделиться на другие сайты Поделиться
Рекомендуемые сообщения
Для публикации сообщений создайте учётную запись или авторизуйтесь
Вы должны быть пользователем, чтобы оставить комментарий
Создать учетную запись
Зарегистрируйте новую учётную запись в нашем сообществе. Это очень просто!
Регистрация нового пользователяВойти
Уже есть аккаунт? Войти в систему.
Войти