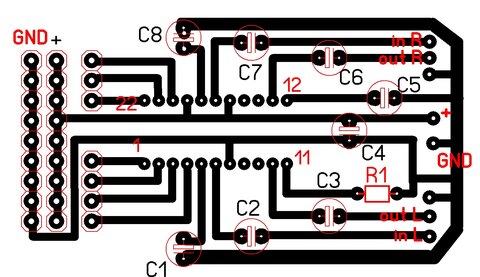
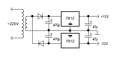
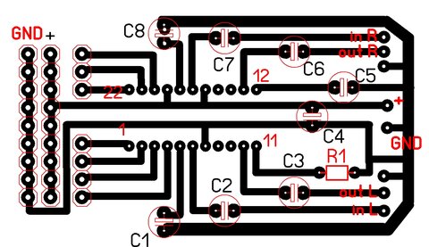
Гость vlad2906 Опубликовано 10 Декабря, 2008 в 19:44 Жалоба Поделиться Опубликовано 10 Декабря, 2008 в 19:44 Речь пойдет о 5-ти полосный стерео эквалайзер с регулеровкой громкости, и тембра на МС CXA1352AS я собирал ее для двух МС ТДА7294, о них я тож пом напишу) так вот эта микросхема требует для хорошей работы: 1)ОБЯЗАТЕЛЬНО Делитель на входе 10ком на сигнал, и 510ом на общий, и с соединения между 10ком и 510ом снимаем сигнал(НА РИСУНКЕ НИЖЕ ПАРАМЕТРЫ НЕ ПРАВЕЛЬНЫ СТАВЬТЕ 510ом и 10Ком, НО ТАКОЙ ПРИНЦИП ВКТЮЧЕНИЯ) БЕЗ НЕГО МОЖНО ИСПОРТИТЬ МИКРУХУ она очень чувствительна. 2)ОБЯЗАТЕЛЬНО ставьне стабилизацию по питанию на Микросхемах типа КРЕН, 7805 и 7905...... на 5 вольт! (НИЖЕ СХЕМА НА 7812 и 7912, смело заменяйто на 7805и 7905!) 3)ЭКРАНИРУЙТЕ все входные, и выходные сигналы(оч чувствительна, у меня даже ловила какойто молдованское радио))! 4)ОБЯЗАТЕЛЬНО Делайте как можно короче провода(если они навесные) на регуляторы) 5) СМЫВАЙТЕ ФЛЮС(это оочень плохо сказывается на звуке!) ниже схема проверенная лично мной, печатка в *.LAY формате не вылаживается, ЕСЛИ ЧТО ОБРАЩАЙТЕСЬ)) ЕСТЬ ПЕЧАТКА НА СТАБИЛИЗАЦИЮ И САМ ТЕМБРОБЛОК!! Дерзайте) В этот же усилитель я запихнул светодиодную индикацию вх сигнала под ручками регуляторов нв МС LM3915N-1, люмисцентный индикатор вх сигнала со старого усилителя Radiotehnika, а также автомат включения, и выключения кулера) Ссылка на комментарий Поделиться на другие сайты Поделиться
Datagor Опубликовано 6 Февраля, 2009 в 19:30 Жалоба Поделиться Опубликовано 6 Февраля, 2009 в 19:30 Влад, шапку нужно дополнить! Написал тебе в личку. Ссылка на комментарий Поделиться на другие сайты Поделиться
Гость vlad2906 Опубликовано 8 Апреля, 2009 в 19:31 Жалоба Поделиться Опубликовано 8 Апреля, 2009 в 19:31 вот схемы TDA7294.rar __________.rar Ссылка на комментарий Поделиться на другие сайты Поделиться
Гость radiotehnik Опубликовано 26 Мая, 2013 в 05:27 Жалоба Поделиться Опубликовано 26 Мая, 2013 в 05:27 можно мне печатку в lay формате Ссылка на комментарий Поделиться на другие сайты Поделиться
Рекомендуемые сообщения
Для публикации сообщений создайте учётную запись или авторизуйтесь
Вы должны быть пользователем, чтобы оставить комментарий
Создать учетную запись
Зарегистрируйте новую учётную запись в нашем сообществе. Это очень просто!
Регистрация нового пользователяВойти
Уже есть аккаунт? Войти в систему.
Войти