Гость pavelsky Опубликовано 29 Ноября, 2013 в 23:32 Жалоба Поделиться Опубликовано 29 Ноября, 2013 в 23:32 Помогите пожалуйста ребята, уже замучился с ним.Купил новый бп и сразу не проверил на работоспособность, и попал на деньги. Теперь пытаюсь исправить ситуацию. Перепроверив под лупу на сопли, ничего не обнаружил.Проверил так-же электролиты входной и ускоряющий, а так-же обвязку шим-контроллера.Дежурка при этом 3,7v. Ссылка на комментарий Поделиться на другие сайты Поделиться
logvoleg Опубликовано 30 Ноября, 2013 в 05:11 Жалоба Поделиться Опубликовано 30 Ноября, 2013 в 05:11 Простите, а схему приложить, или (на худой конец) состав БП описать? Нам всем предоставляется право поискать самим? Берите даташит на шим и проверяйте все внимательно, в таких БП включения обычно ни чем не отличается от типового. Проверьте PFC если есть. Дежурка формируется через ШИМ вообще? Если БП новый что помешало вернуть его продавцу? Ссылка на комментарий Поделиться на другие сайты Поделиться
TANk Опубликовано 30 Ноября, 2013 в 18:48 Жалоба Поделиться Опубликовано 30 Ноября, 2013 в 18:48 Схемы скорее всего не найти. Поэтому разбираться придется по даташитам на впаянные в него микросхемы. Сам внешний и внутренний вид БП есть тут _https://www.easycom.com.ua/power/seasonic_ss-350et/ Ссылка на комментарий Поделиться на другие сайты Поделиться
alex n Опубликовано 30 Ноября, 2013 в 20:01 Жалоба Поделиться Опубликовано 30 Ноября, 2013 в 20:01 Если не будет нормальной дежурки, то БП работать тоже не будет. Необходимо проверить все конденсаторы на ESR и "беременность", а так же выпрямительные диоды 12 и 5в в той же дежурке. Чаще всего "болеет" маленький электролит в цепи ОС ... :angry: Ссылка на комментарий Поделиться на другие сайты Поделиться
Гость pavelsky Опубликовано 2 Декабря, 2013 в 20:29 Жалоба Поделиться Опубликовано 2 Декабря, 2013 в 20:29 конденсаторы в норме, диоды тоже целые, обвязка 0165R тоже вроде в порядке. Может сама 0165R с каким дефектом, или такого не бывает(все-таки большие токи, разорвало -бы к чертям) Ссылка на комментарий Поделиться на другие сайты Поделиться
ivan_by Опубликовано 3 Декабря, 2013 в 18:21 Жалоба Поделиться Опубликовано 3 Декабря, 2013 в 18:21 если у Вас дежурка выдает 3.7 при измерении тестером, то в этом варианте я бы повесил на нее нагрузку (большой резистор)чтобы нагрузка была в около номинала 1,5-2А, и просмотреть проседает ли эти ваши 3.7 вольта или нет, если не проседает значит микросхема в порядке, надо смотреть обвязку её обратной связи, если не держит нагрузку то также можно посмотреть стабилитрон 15в (стекляшка ) стоит между 1 и 2 ножкой, микросхемы. Ссылка на комментарий Поделиться на другие сайты Поделиться
Гость pavelsky Опубликовано 4 Декабря, 2013 в 21:06 Жалоба Поделиться Опубликовано 4 Декабря, 2013 в 21:06 под нагрузкой 2,15А напряжение упало на 0,1в, а так-же проверил еще раз обвязку шим. Нашел странный кондер в цепи синхронизации, он включен паралельно диоду и делителю на резисторах, который емкостью 1-2pF. А какой должен стоять я не знаю потому-как не могу найти схему от данного бп или ему подобного. Может кто знает, нормальная-ли емкость у данного конденсатора? К сожалению больше ничего в схеме не нашел, пока. Ссылка на комментарий Поделиться на другие сайты Поделиться
ivan_by Опубликовано 5 Декабря, 2013 в 19:23 Жалоба Поделиться Опубликовано 5 Декабря, 2013 в 19:23 (изменено) проверь оптопару, и отпояй и проверь стабилитрон (о котором я выше писал),, не поможет-меняй микросхему, темболее ана не дорого стоит. PS: смотри акуратно пока находится БП в дежурке на входном электролите 315-325 вольт, как только заводиться ККМ (активный PCF) то напряжение подыматься до 375 в идеале или 400(не в идеале) вольт Изменено 5 Декабря, 2013 в 19:26 пользователем ivan_by Ссылка на комментарий Поделиться на другие сайты Поделиться
Гость pavelsky Опубликовано 5 Декабря, 2013 в 20:40 Жалоба Поделиться Опубликовано 5 Декабря, 2013 в 20:40 оптопара целая, на стабилитроне 17,6v, так-же проверил конденсатор обратной связи.Пока его отпаивал отвалилась контактная группа от него, пришлось поставить вместо смд обычный пленочный(panasonic) на 47нф. Ничего страшного что пленку вместо керамики? И величину емкости брал с даташита от Q0365R Ссылка на комментарий Поделиться на другие сайты Поделиться
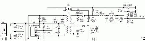
Chugunov Опубликовано 6 Декабря, 2013 в 15:55 Жалоба Поделиться Опубликовано 6 Декабря, 2013 в 15:55 Схема дежурки часом не такая? Ссылка на комментарий Поделиться на другие сайты Поделиться
Гость pavelsky Опубликовано 6 Декабря, 2013 в 20:54 Жалоба Поделиться Опубликовано 6 Декабря, 2013 в 20:54 К сожалению нет Ссылка на комментарий Поделиться на другие сайты Поделиться
logvoleg Опубликовано 7 Декабря, 2013 в 05:22 Жалоба Поделиться Опубликовано 7 Декабря, 2013 в 05:22 Так у Вас на чем БП собран? на 0165R (как в сообщении 5) или на Q0365R (как в сообщении 11) Говорил же, нет схемы опишите на чем БП собран. Если на FSQ0365R проверьте KA431 в цепи оптопары, и лучше заменой. И вообще обвязку оптопары. Ссылка на комментарий Поделиться на другие сайты Поделиться
Рекомендуемые сообщения
Для публикации сообщений создайте учётную запись или авторизуйтесь
Вы должны быть пользователем, чтобы оставить комментарий
Создать учетную запись
Зарегистрируйте новую учётную запись в нашем сообществе. Это очень просто!
Регистрация нового пользователяВойти
Уже есть аккаунт? Войти в систему.
Войти