amitabsha Опубликовано 17 Ноября, 2013 в 08:50 Жалоба Поделиться Опубликовано 17 Ноября, 2013 в 08:50 (изменено) Здравствуйте уважаемые датагорцы. Прошу вашего совета и помощи по изготовлению двух пар акустических систем. Хочу сделать двух полосную акустику на динамиках Visaton. Оформление низкочастотное лабиринт. В наличие имеются динамики вч. G25FFL 8om. 2-30кГц рез. частота 1500гц чувст. 90дб www.audiomania.ru/tweeter/visaton/visaton_g_25_ffl-8.html. Нч. W 200S/8 до 5кГц рез. частота 29гц, чувств. 88дб, доброт. 0,33, VAS 70. www.audiomania.ru/woofer/visaton/visaton_w_200_s-8.html. Можно ли на этих динамиках создать небольшую систему с оформлением лабиринт? У меня нет прог. по расчету фильтров и оформления. Копаться сейчас в статьях по акустике пока нет времени. Вторая пара колонок на которую не жалко потратиться /в рвзумных пределах/ планируется для однотактных усей по этому должна быть чвуствительностью не менее 92дб. Хочу повторить ситемы Лотус СЕ. Низкочатотный бокс ЗЯ средне высокочастотный находится сверху в панели без оформления . Дипольное включение. Пока в наличии сч/ нч. Beyma 10BR60 250мм, 8Ом, 100Вт, чувст. 91,5дб, 30-5000гц, рез. частота 45гц, добр. 0,47, VAS 47. www.audiomania.ru/pro_midbass_drivers/beyma/beyma_10br60.html. В качестве среднечастотника , широкополосник Visaton BG17 8om VAS9,7, добр. 0,64, полоса пропускания 80-20000гц, резон. частота 110гц, 40Вт, чувствит. 93дб. www.audiomania.ru/dinamiki/visaton/visaton_bg_17-8.html. Подскажите пожалуйста подойдут ли динамики к тому что я задумал? Порекомендуте если данные динамики не пдходят что нибудь взамен. Я не разбираюсь в графиках может что то есть и лучше в пределах 10тыс.р. Буду очень признателен если предложите схемы фильтров. Намотать катушки наверное и сам смогу если подскажите как намотать. Фото лотусов прилагаю. Самое главное забыл. Подбираю к данной акустики высокочастотник . Пока ничего не выбрал, предложите что можно выбрать. Изменено 17 Ноября, 2013 в 08:56 пользователем amitabsha Ссылка на комментарий Поделиться на другие сайты Поделиться
andrew_spb Опубликовано 17 Ноября, 2013 в 13:15 Жалоба Поделиться Опубликовано 17 Ноября, 2013 в 13:15 Отвечу по первому вопросу - можно сделать лабиринт на двух динах... но! Его чувствительность будет не выше 88, а чувст ВЧ придется загрублять... А по второму - не советую пока ни браться ни думать про - такие АС достаточно сложны во всех смыслах, пока не наберетесь понимания и инструментов для обьективного контроля - лучше тему не поднимать. Ссылка на комментарий Поделиться на другие сайты Поделиться
amitabsha Опубликовано 17 Ноября, 2013 в 14:20 Автор Жалоба Поделиться Опубликовано 17 Ноября, 2013 в 14:20 Отвечу по первому вопросу - можно сделать лабиринт на двух динах... но! Его чувствительность будет не выше 88, а чувст ВЧ придется загрублять... А по второму - не советую пока ни браться ни думать про - такие АС достаточно сложны во всех смыслах, пока не наберетесь понимания и инструментов для обьективного контроля - лучше тему не поднимать. Пока согласен и так. Двухполосную потом дочке отдам. Оборудование, то есть, пользоваться не умею. Есть измерительная станция осталось микрофон купить и вперед. Не подумайте что от лени прошу готовые советы. Занялся выход трансами на торах. Мотать много , вариантов уйма. Мотаю вручную, вот для замеров и купил станцию со всеми приблудами, анализаторами и прочим. Материал выложу обязательно.А так все статьи по акустике собраны и ждут своего часа. Буду очень признателен если поможете со схемой и лабиринтом. Ссылка на комментарий Поделиться на другие сайты Поделиться
Dimonos Опубликовано 17 Ноября, 2013 в 14:43 Жалоба Поделиться Опубликовано 17 Ноября, 2013 в 14:43 Действительно, то, что Вы просите-это рассчитать почти весь проект, а за Вами останется только сборка. Я могу прикинуть Вам схемы фильтров, если не найдете готового. Для предварительного расчета мне надо: 1-сопротивление динамиков на постоянном токе (Re) 2-очень желательно индуктивность звуковой катушки 3-чуствительность динамиков 4- выбранные Вами частоты раздела Все данные ищите сами выкладывайте сюда. Ссылка на комментарий Поделиться на другие сайты Поделиться
amitabsha Опубликовано 17 Ноября, 2013 в 16:30 Автор Жалоба Поделиться Опубликовано 17 Ноября, 2013 в 16:30 Согласен с вами. Могу на сайте визатона инфу взять. Между моталками скачаю. Фильтры там тоже представлены только я засомневался , там дин представлен 170мм, а у меня 200 . Подойдет? Если подойдет тогда и возьму за основу. Спасибо за ответ. Я прогами по расчету ни разу не пользовался, думал что проще рассчитать по ним. Извините если не так. Ссылка на комментарий Поделиться на другие сайты Поделиться
amitabsha Опубликовано 19 Ноября, 2013 в 03:37 Автор Жалоба Поделиться Опубликовано 19 Ноября, 2013 в 03:37 Извините за не скорый ответ. Работу еще не отменяли. НЧ. сопротивление по постоянному току 6,0 Ом индуктивность звуковой катушки 2,2мГн частота раздела 2000Гц Я в графиках не очень понимаю но как мне кажется на этой частоте АЧХ ровнее. ВЧ сопротивление по постоянному току 5,6 Ом индуктивность звуковой катушки. 0,05мГн Если поможете хотя бы с фильтрами, это уже очень хорошо. А с лабиринтом позже попытаюсь сам разобраться. И в ЗЯ поиграют. И все же по тихоньку начну пробоать диполь собирать.Хотя бы в макете,а там и станцией научусь пользоваться и микрофоном разживусь. Спасибо всем кто ответил. Ссылка на комментарий Поделиться на другие сайты Поделиться
Dimonos Опубликовано 19 Ноября, 2013 в 07:18 Жалоба Поделиться Опубликовано 19 Ноября, 2013 в 07:18 Извините за не скорый ответ. Работу еще не отменяли.НЧ. сопротивление по постоянному току 6,0 Ом индуктивность звуковой катушки 2,2мГн частота раздела 2000Гц Я в графиках не очень понимаю но как мне кажется на этой частоте АЧХ ровнее. ВЧ сопротивление по постоянному току 5,6 Ом индуктивность звуковой катушки. 0,05мГн Если поможете хотя бы с фильтрами, это уже очень хорошо. А с лабиринтом позже попытаюсь сам разобраться. И в ЗЯ поиграют. И все же по тихоньку начну пробоать диполь собирать.Хотя бы в макете,а там и станцией научусь пользоваться и микрофоном разживусь. Спасибо всем кто ответил. Нифига не понял, что с чем связано. Если уже что то считать, надо бы быть уверенным, что это именно то, что надо. Дайте нормальные ссылки на этот НЧ и ВЧ. Я сам посмотрю. Ссылка на комментарий Поделиться на другие сайты Поделиться
Yamazaki Опубликовано 19 Ноября, 2013 в 10:54 Жалоба Поделиться Опубликовано 19 Ноября, 2013 в 10:54 www.visaton.de/en/chassis_zubehoer/tiefton/w200s_8.html www.visaton.de/en/chassis_zubehoer/ht_kalotten/g25ffl_8.html Басовик в фазоинвертер просится, имхо. Кстати, АЧХ, которую приводит Visaton в даташитах обычно сильно сглаженная, как и график импеданса. Реально там бывают всякие нехорошести за пределами поршневого диапазона, так что надо проверить ачх динамика, возможно понадобится добавить режекторный фильтр чтобы заткнуть ненужные резонансы. Ссылка на комментарий Поделиться на другие сайты Поделиться
amitabsha Опубликовано 19 Ноября, 2013 в 16:24 Автор Жалоба Поделиться Опубликовано 19 Ноября, 2013 в 16:24 www.visaton.com/en/chassis_zubehoer/tiefton/w200s_8.html www.visaton.com/en/chassis_zubehoer/ht_kalotten/g25ffl_8.html Вы просили параметры на дины. Я вам сообщил те параметры которые вы указали. Я пишу с планшета, извините что не могу дать прямые ссылки. А с динами неужели все так плохо? Вроде как немецкий производитель. Ссылка на комментарий Поделиться на другие сайты Поделиться
Dimonos Опубликовано 19 Ноября, 2013 в 17:45 Жалоба Поделиться Опубликовано 19 Ноября, 2013 в 17:45 www.visaton.com/en/chassis_zubehoer/tiefton/w200s_8.htmlwww.visaton.com/en/chassis_zubehoer/ht_kalotten/g25ffl_8.html Вы просили параметры на дины. Я вам сообщил те параметры которые вы указали. Я пишу с планшета, извините что не могу дать прямые ссылки. А с динами неужели все так плохо? Вроде как немецкий производитель. Я уже посмотрел. Те ссылки, что были, с планшета открыть не смог. Дать то дали, параметры, но на какие безымянные динамики... С динами не плохо, дины хорошие. В погоне за низкими, Вы выбрали динамик, который не совсем подходит для 2-полоски. К тому же с его параметрами ему не место в закрытом ящике. Это ничего, Вы сделайте, это лучше чем ничего, и послушайте. Пока не обзавелись техникой для измерений. Добавлено после раздумий: www.visaton.de/en/chassis_zubehoer/tiefton/w200s_8.htmlwww.visaton.de/en/chassis_zubehoer/ht_kalotten/g25ffl_8.html Басовик в фазоинвертер просится, имхо. Кстати, АЧХ, которую приводит Visaton в даташитах обычно сильно сглаженная, как и график импеданса. Реально там бывают всякие нехорошести за пределами поршневого диапазона, так что надо проверить ачх динамика, возможно понадобится добавить режекторный фильтр чтобы заткнуть ненужные резонансы. Спасибо. Сергей, как по вашему w200s-8 подходит для двухполоски? По моему не очень. Во первых размер великоват для стыка с пищалкой в физическом смысле. Это можно обойти, но конструкция усложнится. Во вторых при разделе 2кГц пила, что повыше подавиться слабовато. И думаю, что дин все таки тяжеловат для СЧ диапазона. Вот на частоту раздела 1 кГц и ниже он бы подошёл лучше. Я не знаю как он звучит на средних, может и хорошо. Ссылка на комментарий Поделиться на другие сайты Поделиться
amitabsha Опубликовано 19 Ноября, 2013 в 18:07 Автор Жалоба Поделиться Опубликовано 19 Ноября, 2013 в 18:07 Вы правы это лучше чем ничего. Я поэтому и хотел лабиринт попробовать.При покупке смотрел на графики. Вроде по ним на 2000Гц все должно быть гладко. А сфильтрами подмогнете? Если можно то порекомендуйте что лучше для двух полосника. Ссылка на комментарий Поделиться на другие сайты Поделиться
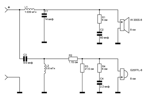
Dimonos Опубликовано 19 Ноября, 2013 в 18:12 Жалоба Поделиться Опубликовано 19 Ноября, 2013 в 18:12 (изменено) Не очень сложный, 2 порядка. Частота раздела около 2 кГц. Каждая индуктивность с активным сопротивлением по 0.5 ом. Так было по умолчанию, я менять не стал. Без цепи компенсации для вч можно обойтись, придется чуть изменить номиналы, куда, надо смотреть. Без цепи на нч не обойтись никак. Т.е я не знаю как. Делитель уровня для вч на 2 дб. Изменено 19 Ноября, 2013 в 20:07 пользователем dimonos Ссылка на комментарий Поделиться на другие сайты Поделиться
Рекомендуемые сообщения
Для публикации сообщений создайте учётную запись или авторизуйтесь
Вы должны быть пользователем, чтобы оставить комментарий
Создать учетную запись
Зарегистрируйте новую учётную запись в нашем сообществе. Это очень просто!
Регистрация нового пользователяВойти
Уже есть аккаунт? Войти в систему.
Войти