Перейти к содержанию

ПротивоЭДС ДПТ


Гость axe

Рекомендуемые сообщения

Зравствуйте уважаемые товарищи! Стольнулся со следующей проблемой. Двигателем постоянного тока 900Вт с постоянным магнитом Б/У управляю с помощью тиристорной схемы:

post-615-1384631938_thumb.jpg

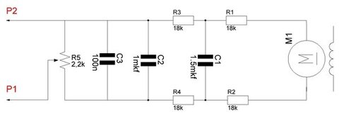
Обороты контролирую измеряя микроконтроллером противоЭДС двигателя. ПротивоЭДС снимаю с двигателя через двойной ФНЧ тем самым пропуская и нормируя для подачи на АЦП постоянную состовляющую и частично забиваю переменную, такое решение конечно будет вносить погрешность но большая точность и не требуется

:post-615-1384632154_thumb.jpg

Проблема заключается в том, что после закрытия тиристоров противоЭДС отсутствует поределенный промежуток времени:

post-615-1384632495_thumb.jpg

post-615-1384632567_thumb.jpg

должно быть так:

post-615-1384632620.jpg

 

Буду очень благодарен если поможете разобраться почему отсутствует противоЭДС, и как сделать чтобы противоЭДС не проподал после закрытия тиристора.

post-615-1384633766_thumb.jpg

Изменено пользователем axe
Ссылка на комментарий
Поделиться на другие сайты

ПротивоЭДС пропадать не может. Она остаётся в катушке, а вот чем снимается сигнал противоЭДС? Щётками?

Ссылка на комментарий
Поделиться на другие сайты

ПротивоЭДС пропадать не может. Она остаётся в катушке, а вот чем снимается сигнал противоЭДС? Щётками?

Да с коллектора противоЭДС снимается щетками.

Ссылка на комментарий
Поделиться на другие сайты

Идёт разрыв сигнальной цепи коллектор-щётка, зашунтировать этот разрыв невозможно. Как статор включен?

Ссылка на комментарий
Поделиться на другие сайты

Идёт разрыв сигнальной цепи коллектор-щётка, зашунтировать этот разрыв невозможно. Как статор включен?

Статор из постоянных магнитов. Но если бы это был разрыв то он бы на осциллограме появлялся бы в разных местах относительно пропущенного тиристором куска синусоиды. На осциллограммах видно что противоЭДС никогда не появляется после закрытия тиристоров, даже при изменении оборотов. Ведь прохождение щеткой места разрыва не может же быть настолько синхронно относительно импульса напряжения пропускаемого синусоидой... Если я не прав пожалуйста поправте.

 

Добавлено после раздумий:

Статор из постоянных магнитов? Тогда надо городить таходатчик...

Нету возможности утановить тахогенератор, так как устройство делается для станка. И установка тахогенератора затруднительна в механическом плане.

Изменено пользователем axe
Ссылка на комментарий
Поделиться на другие сайты

Тиристор выключается как при переходе полуволны через ноль, так и при разрыве цепи щётка коллектор.

Ссылка на комментарий
Поделиться на другие сайты

Тиристор выключается как при переходе полуволны через ноль, так и при разрыве цепи щётка коллектор.

Но в таком случае противоэдс иногда бы проскакивало после закрытия тиристора.

 

Добавлено после раздумий:

Но в таком случае противоэдс иногда бы проскакивало после закрытия тиристора.

Да и по поводу разрва сигнальной цети щетка-коллектор если устройство выключить, то пока двигатель вращается каких либо разрывов на осциллограмме не наблюдается идет чистое постоянное напряжение.

Изменено пользователем axe
Ссылка на комментарий
Поделиться на другие сайты

Евгений, я конечно не специалист в электроприводе, но вот пара замечаний:

1. Схема измерения с ФНЧ - фактически просто измеряет среднее напряжение на двигателе, вам не кажется?

2. Якорь двигателя имеет еще и индуктивность, поэтому осциллограмма тока будет сдвинута относительно напряжения, то есть в момент закрытия тиристоров при переходе тока через ноль на якоре будет какое то напряжение. Или говоря по другому, тиристор закрывается совсем не в тот момент, где на ваших осциллограммах напряжение становится нулевым. Возможно поэтому они так и выглядят.

Что могу посоветовать - можно снимать контроллером мгновенное значение противо ЭДС в момент, когда оно реально есть, синхронизировав контроллер с сетью или просто не открывать тиристор в момент измерения, скажем раз в секунду.

Ссылка на комментарий
Поделиться на другие сайты

Для публикации сообщений создайте учётную запись или авторизуйтесь

Вы должны быть пользователем, чтобы оставить комментарий

Создать учетную запись

Зарегистрируйте новую учётную запись в нашем сообществе. Это очень просто!

Регистрация нового пользователя

Войти

Уже есть аккаунт? Войти в систему.

Войти
  • Последние посетители   0 пользователей онлайн

    • Ни одного зарегистрированного пользователя не просматривает данную страницу
×
×
  • Создать...