shursh Опубликовано 11 Ноября, 2013 в 07:03 Жалоба Поделиться Опубликовано 11 Ноября, 2013 в 07:03 (изменено) Может стоит убрать из схемы R5 ??? Нечто подобное я использвал в УМЗЧ на STK, вход был +\- 60В, выход +\- 45... Давно это было... Но помно, что силовые транзисторы я ставил с диодом в К-Э, стабилитроны шунтировал кондерами (всегда так делаю). Да, и само главное! На входе не надо "накручивать" ёмкость... Хватит и 4700 мкФ! Добавлено после раздумий: После моста стоит 12000 μF.. Зачем так много??? Изменено 11 Ноября, 2013 в 07:00 пользователем shursh Ссылка на комментарий Поделиться на другие сайты Поделиться
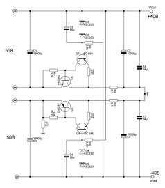
Гость goga62 Опубликовано 12 Ноября, 2013 в 14:43 Жалоба Поделиться Опубликовано 12 Ноября, 2013 в 14:43 Теперь схема выглядит так: Все работает. Всем Спасибо! Ссылка на комментарий Поделиться на другие сайты Поделиться
ads Опубликовано 12 Ноября, 2013 в 17:07 Жалоба Поделиться Опубликовано 12 Ноября, 2013 в 17:07 А можно (для тех, кто в танке) все-таки объяснить - в чем косяк был? И, уж если есть готовое и работающее, выложить плату и фото. Ссылка на комментарий Поделиться на другие сайты Поделиться
sstvov Опубликовано 12 Ноября, 2013 в 18:12 Жалоба Поделиться Опубликовано 12 Ноября, 2013 в 18:12 А можно (для тех, кто в танке) все-таки объяснить - в чем косяк был? Собрал первоначальную схемку в симуляторе и поставил на выходе конденсаторы на 10000μF. Транзисторы правда другие, но это не принципиально думаю. И вот что получилось, мощность выделяемая на силовом транзисторе в момент запуска стабилизатора. Всего лишь несколько миллисекунд, но видимо достаточно чтоб спалить транзистор. В изменённой схеме, с конденсаторами параллельно стабилитронам, пик мощности на транзисторе всего до 30 ватт. Ссылка на комментарий Поделиться на другие сайты Поделиться
Гость klon_kz Опубликовано 12 Ноября, 2013 в 20:06 Жалоба Поделиться Опубликовано 12 Ноября, 2013 в 20:06 Видимо из-за примененных составных транзисторов с высоким коэффициентом усиления. Ссылка на комментарий Поделиться на другие сайты Поделиться
Гость goga62 Опубликовано 13 Ноября, 2013 в 11:50 Жалоба Поделиться Опубликовано 13 Ноября, 2013 в 11:50 А можно (для тех, кто в танке)... Так я такой-же «танкист» :angry: - только по готовым схемам могу! Видимо удвоенные напряжения, по сравнению с оригиналом, и большая емкость на выходе делали свое черное дело. А если принять во внимание, что мощные транзисторы выписаны из Китая, по причине цены в наших магазинах по 200 рублей с хвостиком за штуку, то еще не известно на корпусах от чего стоит маркировка 2N628X! Печатную плату приводить смысла нет – во первых она элементарная, во вторых, со всеми переделками, пока вот в таком виде: Ну и детали и возможности у всех разные. У меня будет выглядеть вот так: «Силовые дорожки» как можно толще и короче (у меня они усилены медным проводом на 2,5 мм.кв.), общий провод у меня организован из медной же шины сечением 2х8 мм. В мостах диоды IDT16S60C из карбида кремния. После мостов 12000 μFх71в Nichicon(CE). На выходе металл/бумага 64 μF, тесла из старого бп компьютера + 10000 μF Nichicon(FW). Соединения с платой усилителя по возможности более толстыми и короткими проводниками. Непосредственно у ввода на плату шунтирование электролитами – эпкос на 2700 μF. Ну тут я америки в общем не открыл - стандартные рекомендации, а может где то и не прав. Ссылка на комментарий Поделиться на другие сайты Поделиться
drummer Опубликовано 13 Ноября, 2013 в 15:03 Жалоба Поделиться Опубликовано 13 Ноября, 2013 в 15:03 Если верить книжкам, то ёмкости на выходе компенсационных стабилизаторов ставят минимальные. Ёмкость в базовой цепи регулирующего транзистора, включенного ОЭ, может привести к проникновению пульсаций и их усилению... Ссылка на комментарий Поделиться на другие сайты Поделиться
mcnelly Опубликовано 15 Ноября, 2013 в 12:22 Жалоба Поделиться Опубликовано 15 Ноября, 2013 в 12:22 Транзисторы сильно смахивают на шиклаи/дарлингтоны. Может готовые сборки использовать ? Ссылка на комментарий Поделиться на другие сайты Поделиться
Datagor Опубликовано 18 Ноября, 2013 в 19:55 Жалоба Поделиться Опубликовано 18 Ноября, 2013 в 19:55 Тезка, пожалуйста по схеме: • для всех резисторов - мощность, • для всех конденсаторов - напряжения, • итоговая допустимая токовая нагрузка? • какие элементы и как сильно греются в работе? • сохранилась ли (работает ли) описанная в старой статье защита от КЗ? Ссылка на комментарий Поделиться на другие сайты Поделиться
vladiv Опубликовано 22 Ноября, 2013 в 14:22 Жалоба Поделиться Опубликовано 22 Ноября, 2013 в 14:22 С выхода убрать электролитические конденсаторы большой величины.Оставить только металлобумажные. Достаточно разумной ёмкости на входе. Если для УЗЧ, то наращивание ёмкостей вредит звуку - есть такое мнение у "аудиофилов". Обмотка трансформатора должна держать в узде НЧ, а не батарея ёмкостей. Этот стаб. у меня работает в усилителе с ёмкостью по 4000 мкФ На входе в плече. Ссылка на комментарий Поделиться на другие сайты Поделиться
shursh Опубликовано 24 Ноября, 2013 в 17:19 Жалоба Поделиться Опубликовано 24 Ноября, 2013 в 17:19 Этот стаб. у меня работает в усилителе с ёмкостью по 4000 мкФ На входе в плече.Вот и я про это! Аффтар! Уберите такую огромную ёмкость со хода. Я всегда ставил 4700мкФ, шунтируя их пленкой, и поверьте, полне хатает. Ссылка на комментарий Поделиться на другие сайты Поделиться
Рекомендуемые сообщения
Для публикации сообщений создайте учётную запись или авторизуйтесь
Вы должны быть пользователем, чтобы оставить комментарий
Создать учетную запись
Зарегистрируйте новую учётную запись в нашем сообществе. Это очень просто!
Регистрация нового пользователяВойти
Уже есть аккаунт? Войти в систему.
Войти