Гость drz Опубликовано 11 Сентября, 2013 в 05:29 Жалоба Поделиться Опубликовано 11 Сентября, 2013 в 05:29 Камрады, проконсультируйте, плиз. Собрал для сына "ушастый" усилок с ТБ. Схемку ТБ "выдрал" из конструкции Lynx 12 (см. картинку). Работает, но шумит, зараза. Именно шумит/шипит, фона нет. В директ режиме (коммутируется реле) в оконечнике мёртвая тишина. ОУ применены такие же, как у автора - очень малошумящие ОУ. Я вот думаю, может завышены номиналы обвязки ДА6? Токи слишком малы и шумит из-за этого. В эмуляторе проверил уменьшение R17 и R21 на порядок (15кОм, вместо 150кОм), с изменением остальных элементов - АЧХ осталась прежней, а вот уменьшится ли шум? Ссылка на комментарий Поделиться на другие сайты Поделиться
Datagor Опубликовано 11 Сентября, 2013 в 11:57 Жалоба Поделиться Опубликовано 11 Сентября, 2013 в 11:57 Схемку сами отрисовывали? Нет ли ошибки? По моему скромному мнению первый опер (DA5-1, DA5-2) как-то необычно включен. Чего там с организацией ООС? Может так имели ввиду? :smile: Я в непонятках :smile: Или может попробовать сильно уменьшить R17+R36? Ссылка на комментарий Поделиться на другие сайты Поделиться
Гость drz Опубликовано 11 Сентября, 2013 в 12:18 Жалоба Поделиться Опубликовано 11 Сентября, 2013 в 12:18 Схема из ПДФ, с сайта Дмитрия, я просто заскриншотил нужный кусок. ОУ - да, включён необычно, но в эмуляторе и в "железе" всё отлично работает и регулируется. Общий Ку равен 1. сильно уменьшить R17+R36? Игорь, я про это и спрашиваю. ПМСМ, великоваты номиналы. Если других мнений не будет, то попробую один канал "переобвязать"... Ссылка на комментарий Поделиться на другие сайты Поделиться
metrolog Опубликовано 11 Сентября, 2013 в 13:16 Жалоба Поделиться Опубликовано 11 Сентября, 2013 в 13:16 (изменено) ...шумит, зараза. ОУ... - очень малошумящие ОУ. Вот это ирония судьбы :smile: . Перенесите регулятор громкости на вход ушника - все проблемы как рукой снимет :smile: . Если у ТБ не будет хватать перегрузочной способности при непосредственной подаче сигнала, то соорудить входной делитель. Изменено 11 Сентября, 2013 в 13:18 пользователем metrolog Ссылка на комментарий Поделиться на другие сайты Поделиться
Гость drz Опубликовано 11 Сентября, 2013 в 13:22 Жалоба Поделиться Опубликовано 11 Сентября, 2013 в 13:22 (изменено) Поставьте регулятор громкости на вход ушника Этот вариант я планировал использовать, если других решений не найдётся. Понятно, что шум будет намного ослаблен, но хочется въехать, почему так шумит обычная, в общем-то схема. Это ж не микрофонный усилитель, с большим Ку... первый опер (DA5-1, DA5-2) как-то необычно включен. ЗЫ. В принципе, если закоротить R25/R32, то получится обычный повторитель с Ку=1 Изменено 11 Сентября, 2013 в 13:32 пользователем drz Ссылка на комментарий Поделиться на другие сайты Поделиться
metrolog Опубликовано 11 Сентября, 2013 в 15:33 Жалоба Поделиться Опубликовано 11 Сентября, 2013 в 15:33 Понятно, что шум будет намного ослаблен... Шум не ослабнет, а практически исчезнет, если конечно ушник не совсем уж хреновый. Если предусмотрен добавочный резистор на выходе усилителя, он тоже должен быть правильно рассчитан. ...хочется въехать, почему так шумит обычная, в общем-то схема. Это ж не микрофонный усилитель, с большим Ку... Ещё бы не шуметь... :smile: . Шум со всего тракта сливается напрямую на вход усилителя, работающего в режиме максимального усиления. Это вообще нездоровая канитель - ставить регулятор громкости на входе предварительного усилителя. Так любили делать в массовой советской аппаратуре, разумеется, хорошего здесь мало. Достаточно понять, что в принципе означает определение сигнал/шум. В твоём случае уровень шума - величина постоянная, в отличие от сигнала, поэтому такой эффект :smile:. Ссылка на комментарий Поделиться на другие сайты Поделиться
Гость drz Опубликовано 11 Сентября, 2013 в 15:44 Жалоба Поделиться Опубликовано 11 Сентября, 2013 в 15:44 Шум со всего тракта сливается напрямую на вход усилителя, работающего в режиме максимального усиления. Согласен. Но большинство схем - с таким включением (РГ-пред-УМ) Так любили делать в массовой советской аппаратуре Дмитрий Андронников - грамотный инженер, РГ в его конструкции установлен на входе, далее идёт нормирующий услитель с буфером и через релейный переключатель - ТБ. То есть перед ТБ ещё, как минимум ОУ и буферный повторитель. Кстати, у меня в японческом преде - релейный селектор -РГ-ТБ-норм. усилитель. В ушах - мертвейшая тишина. Если предусмотрен добавочный резистор на выходе усилителя, он тоже должен быть правильно рассчитан. Про это не понял. Какой резистор на выходе? Ссылка на комментарий Поделиться на другие сайты Поделиться
metrolog Опубликовано 11 Сентября, 2013 в 16:31 Жалоба Поделиться Опубликовано 11 Сентября, 2013 в 16:31 (изменено) Согласен. Но большинство схем - с таким включением (РГ-пред-УМ). И это естественно. Только из сказанного не ясно, где таки стоит регулятор громкости? Если схема с РГ на входе преда не шумит - это ОЧЕНЬ хорошее отношение сигнал/шум (при прослушивании на АС), но при прослушивании на наушники считаю это маловероятным. Про это не понял. Какой резистор на выходе? Тот резистор который правильно ограничивает мощность на наушниках (если требуется). Изменено 11 Сентября, 2013 в 16:36 пользователем metrolog Ссылка на комментарий Поделиться на другие сайты Поделиться
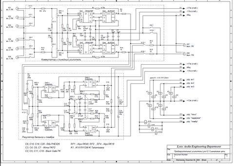
Гость drz Опубликовано 11 Сентября, 2013 в 17:10 Жалоба Поделиться Опубликовано 11 Сентября, 2013 в 17:10 (изменено) Только из сказанного не ясно, где таки стоит регулятор громкости? Дык на входе ТБ... В директе, ТБ исключается из тракта, а РГ подключается на вход усилителя. Тот резистор который правильно ограничивает мощность на наушниках (если требуется). А какая связь этого резистора с шумом ТБ? Сам усь для наушников, если включить обход ТБ выдаёт в 16-омные Байер Кастом Уан глухую тишину. Ниже - полная схема предусилителя Линкса (на всякий случай) ЗЫ. Глянул схему своего преда - да, РГ включён после ТБ... Попробую перекоммутировать, однако... Изменено 11 Сентября, 2013 в 17:13 пользователем drz Ссылка на комментарий Поделиться на другие сайты Поделиться
Рекомендуемые сообщения
Для публикации сообщений создайте учётную запись или авторизуйтесь
Вы должны быть пользователем, чтобы оставить комментарий
Создать учетную запись
Зарегистрируйте новую учётную запись в нашем сообществе. Это очень просто!
Регистрация нового пользователяВойти
Уже есть аккаунт? Войти в систему.
Войти