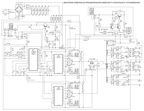
Гость pashashulga Опубликовано 28 Июля, 2013 в 13:39 Жалоба Поделиться Опубликовано 28 Июля, 2013 в 13:39 Очень понравилась схемка одного блока питания, хочу собрать! вся россыпуха вроде есть, кольцо купил (индукция насыщения магнитопровода = 0.45Тл; mэфф = 2500; D125 d79 H12), одно только непонятно, на схеме указан трансформатор TV1 (маркируется как трансформатор хотя больше смахивает на дроссель) перед первичкой силового - какова его роль в схеме? На печатной плате его либо нету (вынесен за её пределы) либо на основном силовом импульсном трансе. P.S. Я прошу прощения если эти глупые вопросы задели чью-то психику, просто не хочется выбрасывать деньги и время на ветер вытравливая, собирая и проверяя эту, возможно не рабочую, схему. 4000W.rar Ссылка на комментарий Поделиться на другие сайты Поделиться
Chugunov Опубликовано 28 Июля, 2013 в 14:16 Жалоба Поделиться Опубликовано 28 Июля, 2013 в 14:16 одно только непонятно, на схеме указан трансформатор TV1 (маркируется как трансформатор хотя больше смахивает на дроссель) перед первичкой силового - какова его роль в схеме? Странный вопрос для человека, собирающего такой мощный и сложный преобразователь (я бы за такой не взялся - у меня слишком мало опыта в ИИП). Это трансформатор тока, работает в узле защиты от перегрузок. Если чуть внимательнее посмотреть, выпрямленное напряжение с него идет на резистор R11 "ОГРАНИЧЕНИЕ ТОКА". При превышении тока срабатывает тиристор и выключает генерацию. Схема более-менее понятна, но большие токи и мощности могут принести ряд сюрпризов. Успехов! Ссылка на комментарий Поделиться на другие сайты Поделиться
Гость pashashulga Опубликовано 28 Июля, 2013 в 14:29 Жалоба Поделиться Опубликовано 28 Июля, 2013 в 14:29 Если научится собирать что-то большое и мощное, то к более приземленным параметрам будешь относится как к какому-то банальному и простому, что позволит быстро ремонтировать или настраивать девайс. Ссылка на комментарий Поделиться на другие сайты Поделиться
Chugunov Опубликовано 28 Июля, 2013 в 15:22 Жалоба Поделиться Опубликовано 28 Июля, 2013 в 15:22 Если научится собирать что-то большое и мощное, то к более приземленным параметрам будешь относится как к какому-то банальному и простому, что позволит быстро ремонтировать или настраивать девайс. Можно так, хотя традиционный путь - от простого к сложному. Ничего не имею против того, чтобы сразу хватать звёзды с небес. Вот только в этом случае слишком многое зависит от удачи, а если что-то не заладится... Ссылка на комментарий Поделиться на другие сайты Поделиться
if33 Опубликовано 28 Июля, 2013 в 16:34 Жалоба Поделиться Опубликовано 28 Июля, 2013 в 16:34 Полностью поддерживаю Сергея. А трансформатор TV1 - трансформатор тока и должен быть нагружен, иначе сердечник просто перегреется. Схема похоже сугубо теоретическая и скорее всего в работе не проверялась. Советую начать с более простых схем и меньших мощностей. Ссылка на комментарий Поделиться на другие сайты Поделиться
aleks8845 Опубликовано 28 Июля, 2013 в 17:53 Жалоба Поделиться Опубликовано 28 Июля, 2013 в 17:53 (изменено) pashashulga, Сергей и Иван полностью правы, вариант получения большой мощности с такой схемотехники интересен, но не прост в реализации, принцип здесь достаточно стандартный в ИИП на TL494, более надежный вариант работы ИИП с применением трансформаторной связи драйвера и силовых ключей, несмотря на кажущююся выгодность применения IR2110, если это первый ИИП на TLке, то смакетируйте хотя-бя с начала вариант из даташита на TLку с низковольтным питанием. При любой попытке ткнуть китайским тестером в обвязке TLки происходит срыв генерации и моментальное сгорание высоковольтных выходных ключей( При настройке придется их поменять не один раз, IRFP460 достаточно не дешевы, для отладки при малой нагрузке можно пробовать с IRF840, даташиты вам в помощь) :smile: Трансформатор тока мотается на маленьком ферритовом кольце тонким проводом витков 100 и через это кольцо пропускается один вывод первичной обмотки силового транса. Изменено 28 Июля, 2013 в 18:05 пользователем aleks8845 Ссылка на комментарий Поделиться на другие сайты Поделиться
FOLKSDOICH Опубликовано 28 Июля, 2013 в 18:43 Жалоба Поделиться Опубликовано 28 Июля, 2013 в 18:43 (изменено) Схема вроде с Интерлавки и нареканий по ней мне попадалось много. Почитай ветку по импульсникам на Паяльнике, там это уже проходили. Изменено 28 Июля, 2013 в 18:44 пользователем folksdoich Ссылка на комментарий Поделиться на другие сайты Поделиться
Lexter Опубликовано 29 Июля, 2013 в 17:09 Жалоба Поделиться Опубликовано 29 Июля, 2013 в 17:09 ...хочу собрать! ... кольцо купил (индукция насыщения магнитопровода = 0.45Тл; mэфф = 2500; D125 d79 H12),... Основная деталь в этой схеме - трансформатор TV2. Тех параметров, что вы привели - недостаточно. Нужно как минимум марку (материал) сердечника, изготовителя. Мотается тоже не в один провод и не внавал. Требований к нему довольно много, чтобы описывать их здесь, поэтому там, где вы взяли схему, найдите подробное описание его конструкции. Выложите тут. Обсудим. Ссылка на комментарий Поделиться на другие сайты Поделиться
Рекомендуемые сообщения
Для публикации сообщений создайте учётную запись или авторизуйтесь
Вы должны быть пользователем, чтобы оставить комментарий
Создать учетную запись
Зарегистрируйте новую учётную запись в нашем сообществе. Это очень просто!
Регистрация нового пользователяВойти
Уже есть аккаунт? Войти в систему.
Войти