Гость Tima182614 Опубликовано 12 Июля, 2013 в 14:06 Жалоба Поделиться Опубликовано 12 Июля, 2013 в 14:06 Привет, не вникну как доработать из 29в входного под 50в, а выход 36в. Помогите? _https://radioelectronika.ru/?mod=cxemi&sub_mod=full_cxema&id=785 Ссылка на комментарий Поделиться на другие сайты Поделиться
Yamazaki Опубликовано 12 Июля, 2013 в 14:54 Жалоба Поделиться Опубликовано 12 Июля, 2013 в 14:54 Увеличиваете номинал 1R5 и 2R7 (странно, почему-то не сделали нумерацию на нижней и на верхней половине схемы одинаковой). Это повысит выходное напряжение. Полевики, указанные на схеме, рассчитаны на напряжение 55в, так что будут на пределе. Желательно им подобрать замену. Какой ток потребления у вас планируется? Ссылка на комментарий Поделиться на другие сайты Поделиться
Гость Tima182614 Опубликовано 12 Июля, 2013 в 14:57 Жалоба Поделиться Опубликовано 12 Июля, 2013 в 14:57 (изменено) Общее 150ватт нужно вытянуть. Каждое плече по 36в и 2А. Изменено 12 Июля, 2013 в 15:02 пользователем Tima182614 Ссылка на комментарий Поделиться на другие сайты Поделиться
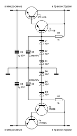
Yamazaki Опубликовано 12 Июля, 2013 в 15:13 Жалоба Поделиться Опубликовано 12 Июля, 2013 в 15:13 Тимофей, в статье уже указано, что нужно изменить в схеме, чтобы она работала от большего входного напряжения, если бы вы не поленились прочитать, то вопросов никаких не возникло бы. Несколько замечаний о том, как описываемый стабилизатор можно доработать для использования при напряжении питания +/-35...45 В. В этом случае сопротивление резистора R4 (620 Ом) нужно увеличить до 0.9...1 кОм, чтобы ток через стабилизатор DA1 (TL431CZ) не превышал половину его максимального тока 50 мА. Вместо комплементарной пары транзисторов ВС327/ВС337 (UКЭ max = 45 В, IK max = 0,8 A, PK max = 0,6 Вт) следует использовать пару с несколько большим напряжением UКЭ max, например, 2SA1284/2SC3244 (UKЭ max = 100 В, IK max = 0,5 А, РK max = 0,9 Вт). Полевые транзисторы желательно установить на теплоотводы с большой площадью охлаждения. Необходимо также добавить, что для установки нужного напряжения стабилизации потребуется изменение номиналов резисторов R5, R6 и R7. Стабилитрон желательно использовать на напряжение стабилизации 7,5 В (BZX55-C7V5). Микросхему TL431CZ рекомендую приобретать производства National Semiconductor, Texas Instruments, Vishay, Motorola. Между входом и выходом аж 50-36=14 вольт. При токе в несколько ампер тепловыделение будет очень большим. У вас наверно есть уже трансформатор, да? Лучше отмотайте лишние витки вторичной обмотки, чтобы между входом и выходом получилось вольт 5. Нагрев транзисторов уменьшится втрое при том же токе. Ссылка на комментарий Поделиться на другие сайты Поделиться
Гость Tima182614 Опубликовано 12 Июля, 2013 в 16:25 Жалоба Поделиться Опубликовано 12 Июля, 2013 в 16:25 (изменено) От 50в ланзар питаться будет, ланзар для сабба около 200-250ватт, а 36в для тда7294 8ом стерео. Я читал, но про резистор для стабилитрона 3.9к ни чего не сказано при входном напряжении высоком. Кстати, полевики параллелить можно ведь. Добавлено после раздумий: Если параллелить полевеки, надо ли выравнивающие омные резисторы ставить? Изменено 12 Июля, 2013 в 15:36 пользователем Tima182614 Ссылка на комментарий Поделиться на другие сайты Поделиться
Yamazaki Опубликовано 12 Июля, 2013 в 17:05 Жалоба Поделиться Опубликовано 12 Июля, 2013 в 17:05 Да, полевики параллелят с выравнивающими резисторами. Но тут оба транзистора уже и так держат огромный ток и допускают огромную мощность рассеивания, параллелить нет смысла. Упирается в напряжение. 55 вольт для них предельная величина. Ссылка на комментарий Поделиться на другие сайты Поделиться
Гость Tima182614 Опубликовано 12 Июля, 2013 в 18:33 Жалоба Поделиться Опубликовано 12 Июля, 2013 в 18:33 (изменено) Понятно, а подскажите какие поставить можно? С малым сопротивлением. Я перебрал все в магазине, у всех высокое сопротивление. Либо мне в добавок по входу собрать стабилизатор на 50в->40в. Изменено 12 Июля, 2013 в 18:37 пользователем Tima182614 Ссылка на комментарий Поделиться на другие сайты Поделиться
Yamazaki Опубликовано 12 Июля, 2013 в 18:49 Жалоба Поделиться Опубликовано 12 Июля, 2013 в 18:49 Сопротивление открытого канала в этой схеме никакой роли не играет! Не совсем понимаю, чем и как вы его измеряли, но это и не важно. Главное, что эта характеристика имеет смысл только в ключевом режиме, а здесь транзисторы работают в линейном режиме. Я бы воткнул пару IRFP240/9240 или IRFP140/9140 просто потому, что у них побольше корпуса, легче обеспечить хорошую теплопередачу к радиатору. Ссылка на комментарий Поделиться на другие сайты Поделиться
Chugunov Опубликовано 12 Июля, 2013 в 19:18 Жалоба Поделиться Опубликовано 12 Июля, 2013 в 19:18 Сопротивление открытого канала в этой схеме никакой роли не играет! Сергей! Товарищ Тимофей не понимает как работают линейные стабилизаторы, он считает, что если сопротивление канала полевого транзистора малО, то он и греться не будет. Ну не хочет он слышать и слушать. Пусть собирает печку. Запитывание разных мощных усилителей с разным напряжением питания от одной обмотки трансформатора - не лучшая идея. Лучше собрать на разных трансформаторах, или хотя бы на одном с разными обмотками, или хотя бы с отводами от обмоток. Пусть делает. Проблему нагрева можно решить хорошими большими теплоотводами, возможно, с вентиляторами, в принципе ничего страшного здесь нет. Попытки заставить работать элементы на предельных режимах приведут к ненадежной работе и возможен выход их из строя, но это уже будет другая история... Ссылка на комментарий Поделиться на другие сайты Поделиться
Гость Tima182614 Опубликовано 12 Июля, 2013 в 20:01 Жалоба Поделиться Опубликовано 12 Июля, 2013 в 20:01 (изменено) yamazaki спасибо. Я в технике "ни бум-бум". Как вот такая связка IRFP260N/IRF5210? Изменено 13 Июля, 2013 в 08:38 пользователем Tima182614 Ссылка на комментарий Поделиться на другие сайты Поделиться
Lexter Опубликовано 13 Июля, 2013 в 06:03 Жалоба Поделиться Опубликовано 13 Июля, 2013 в 06:03 (изменено) ...из 29в входного под 50в, а выход 36в... Не забудьте, что и конденсаторы должны быть на соответствующее напряжение. Например, выходной электролит придётся ставить на 50В. А с входным "под 50В" - это вы погорячились. Добавлю к тому, что вам уже сказали: Смысл применения этого стабилизатора - обойтись без конденсаторов очень большой ёмкости. Обратите внимание, что в исходной схеме падение напряжения на нём предполагается всего несколько вольт. Большую нестабильность входного напряжения он не компенсирует. Если "просадка" входного напряжения может быть более 10% - этот стабилизатор абсолютно бесполезен. А при такой маленькой входной ёмкости он и пульсации с выпрямителя не уберёт. Если делать большую разность между входным и выходным напряжениями - можно компенсировать большее изменение входного напряжения, но будет "печка". Вы не написали, что именно вы будете запитывать от этого стабилизатора. Если УМЗЧ, то учитывая ваше "в технике бум-бум", осмелюсь посоветовать обойтись простым выпрямителем и парой ёмкостей по 22 000 мкФ х 50В. Точного значения питающего напряжения УМЗЧ не требуют. Изменено 13 Июля, 2013 в 06:06 пользователем Lexter Ссылка на комментарий Поделиться на другие сайты Поделиться
Chugunov Опубликовано 13 Июля, 2013 в 08:17 Жалоба Поделиться Опубликовано 13 Июля, 2013 в 08:17 "Бум-бум" - это значит крутяк, "всё знаю и умею", а те, кто не знает, пишут "НИ бум-бум". Или это новояз, когда сами не знают чего хотят и как это выразить словами. Тимофей! Вам надо для начала прочитать про основы работы линейных стабилизаторов (импульсных - для эрудиции и чтобы понять хотя бы разницу). Прочитать что такое фильтры и зачем они нужны. Без знания элементарных основ, советы вам не помогут. Слишком уж много надо писать без какой-либо гарантии, что вы это будете читать. Я всегда считал, что если собираешь какую-то конструкцию, надо иметь хотя бы общее представление - как она работает. При "входе" 50 В, конденсатор должен быть на 63 В минимум, в данном случае лучше, наверное, на 100 В. Есть всего 2 способа, как из =50В получить =36 В. 1. Импульсный преобразователь. 2. Печка по имени "линейный стабилизатор". (резисторные делители и т. п. не рассматриваем). Даже волшебные иностранные буквы будут греться точно так же. Значит надо подсчитать сколько выделится тепла и что потребуется, чтобы его рассеять. Всякие лоудропы здесь не помогут. Есть опять два варианта. 1. Создать себе трудности по созданию печки и затем успешно преодолеть их. 2. Сделать раздельное оптимальное питание для каждого усилителя, как я писал выше. Ссылка на комментарий Поделиться на другие сайты Поделиться
Рекомендуемые сообщения