Гость maxkur Опубликовано 9 Июня, 2013 в 19:28 Жалоба Поделиться Опубликовано 9 Июня, 2013 в 19:28 (изменено) Если кому рисовать лень - печатка для SL 6.0 во вложении. Зеркалить не надо. Размер платы 30мм на 27мм ad8397.zip Изменено 9 Июня, 2013 в 19:29 пользователем maxkur Ссылка на комментарий Поделиться на другие сайты Поделиться
Lexter Опубликовано 9 Июня, 2013 в 21:14 Жалоба Поделиться Опубликовано 9 Июня, 2013 в 21:14 (изменено) Николай!На мой взгляд, у вас уж очень бескомпромиссный подход.... Не, не, не... Это у меня просто манера говорить такая. Я ни с кем не спорю и уж тем более не пытаюсь переубедить кого-нибудь. Просто считаю, что чем больше топикстартер получит разных советов разных людей, тем больше шансов у него реализовать свою авторскую конструкцию в своё удовольствие, а не тупо что-то повторить. По-моему, повторить один-в-один, - это практически то же удовольствие, что купить готовое. Если человек вдумчивый, - каждый совет обмозгует, проверит, попробует, отберёт для себя по своему вкусу, выработает свой стиль... ...Пик-фактор IMHO достаточно 3, наблюдения экрана осциллографа примерно так и показывают, тем более, что уровень на цифровых носителях жестко ограничен лимитерами и более 0 дБ не может быть никогда.... Ну, если ещё и MP3 слушать, так лучше, чтобы вообще коэффициент нечётных гармоник побольше был - звук будет "побогаче", почти "ламповый". А "7" - это ж относительно средней громкости трека, если запись без компрессии. И средняя громкость трека вообще часто бывает сильно занижена... Тут я всего лишь считаю, что выходной каскад не должен давать искажений (а тем более входить в ограничение) при технически максимально возможном уровне входного сигнала на нём. .И 100 мВт IMHO - это тоже в пике, иначе - скорое расстройство слуха (хотя я сам грешен, люблю слушать именно в наушниках очень громко). ... Ваши рассуждения справедливы для высококачественного стационарного усилителя, а для переносного батарейного, наверное, избыточны. ... Тут я имел в виду, что девайс для любой записи должен позволять выставить достаточную громкость. А потише сделать всегда можно. .И заодно, Николай, если можно, ваше личное мнение о сравнении ламповых и "кремниевых" усилителей именно для наушников, "лампового звука" в данном случае. Если вы о чьей-то статье-сравнении, - то не понял, о какой. А если так, в общем... определяете, к какой категории аудиофилов я отношусь, - то я инженер. Занимаюсь, правда, не звукотехникой, но думаю, что в аналоговой схемотехнике разбираюсь. По крайней мере, понимаю, что "единственно правильного" решения тут не бывает. Плюс, в качесве хобби, ваяю иногда что-нибудь для себя, родимого. Естественно, стараюсь "фуфло" не делать, благо есть на чём промерить и настроить. Изменено 9 Июня, 2013 в 21:33 пользователем Lexter Ссылка на комментарий Поделиться на другие сайты Поделиться
Гость vakson Опубликовано 10 Июня, 2013 в 05:21 Жалоба Поделиться Опубликовано 10 Июня, 2013 в 05:21 А нельзя ли тему переименовать? А то уже давно обсуждаем AD8397, про THS4222 уже речи нет. А все-таки, кто-нибудь пробовал усилитель на THS4222 собрать? Ссылка на комментарий Поделиться на другие сайты Поделиться
Chugunov Опубликовано 10 Июня, 2013 в 10:57 Жалоба Поделиться Опубликовано 10 Июня, 2013 в 10:57 Очень хороши CFA (Ad815, THS6012, THS3125, THS6043, LT1210, LT1207, LT1210, AD811 и т.д. ) , но у них почти у всех большой дрейф нуля, им желателен или интегратор, или использовать их в составе композита с другим опером, что даже предпочтительнее. Так что схема будет сложнее. yamazaki Можно конкретную схему композита? Я так понимаю, первый ОУ качественный, с низкими искажениями, быстродействующий, а второй ОУ - буфер, умощнитель, обеспечивающий требуемый ток и поддерживающий 0 на выходе. Видел такие схемы, но почему-то больше на уровне принципа, а хочется проверенный вариант с номиналами и советами по настройке. Конечно, этот вариант требует стационарного питания, но в высоком качестве карманного усилителя сомневаюсь в принципе. Надеюсь, тема будет интересна не только для меня. Ссылка на комментарий Поделиться на другие сайты Поделиться
Yamazaki Опубликовано 10 Июня, 2013 в 12:29 Жалоба Поделиться Опубликовано 10 Июня, 2013 в 12:29 (изменено) chugunov мощный CFA, включенный обычно с Кус=1 или 2 (бывает и больше) используется как выходной каскад для другого опера. При этом они охвачены общей обратной связью. Дрейф нуля выходного усилителя не играет никакой роли, т.к. ноль на выходе всей конструкции поддерживается входным опером. Суммарная глубина ООС получается огромной, поэтому такие усилители имеют низкие искажения и хорошую нагрузочную способность благодаря применению мощного выходного ОУ. Для сохранения устойчивости первый ОУ берут такой, чтобы он мог работать с единичным усилением, а усиление всей конструкции делают несколько большим, чем усиление выходного ОУ. Иначе требуется вводить внешнюю коррекцию. Конкретный пример схемы есть в даташите на LT1210: хотя входной опер тут не самый интересный. Очень качественные и продуманные готовые схемы хедампов такого рода есть на сайте Lynx'а: HA40, HA40v2, HA49 смотрите также "тихоня", несколько версий "the Voice / Bene Gesserit" на разных микрухах, MEDOVIK_MAXI от lgedmitry (хотя он изначально ориентирован на работу с колонками) Что ещё вспомнить... похожий принцип в усилителе Зуева 1985г. Транзисторная часть имеет свою обратную связь, к ней добавлен ОУ на вход, и всё это вместе охвачено ещё одной общей петлёй ООС. Изменено 10 Июня, 2013 в 12:49 пользователем yamazaki Ссылка на комментарий Поделиться на другие сайты Поделиться
Lexter Опубликовано 10 Июня, 2013 в 14:26 Жалоба Поделиться Опубликовано 10 Июня, 2013 в 14:26 А все-таки, кто-нибудь пробовал усилитель на THS4222 собрать? Судя по характеристикам из даташита - должно получиться практически то же самое, разве что наушники должны быть не менее 50 Ом, так как THS4222 - 100-миллиамперный. Ссылка на комментарий Поделиться на другие сайты Поделиться
Chugunov Опубликовано 10 Июня, 2013 в 15:24 Жалоба Поделиться Опубликовано 10 Июня, 2013 в 15:24 Сергей! Спасибо за ссылки, "the Voice / Bene Gesserit" я не видел. У Linx обычно собрано на дефиците и далеко не просто, а хочется простого и хорошего... Надо экспериментировать самому, а хочется повторить уже отлаженное на доступных деталях, на односторонней плате. Почему-то такая схема включения встречается не часто. Буду читать, наверное, не только я. Добавлено после раздумий: А все-таки, кто-нибудь пробовал усилитель на THS4222 собрать? Похоже, что широкие массы это не делали, а одиночный отзыв мало что даст. Ответ зависит от наушников, источника звука, музыкальных вкусов и т. п. Так что работать усилительна THS4222 безусловно будет, а устроит ли лично Вас результат - никто ответить не сможет. Лучший вариант на более подходящей микросхеме уже предложен. Ссылка на комментарий Поделиться на другие сайты Поделиться
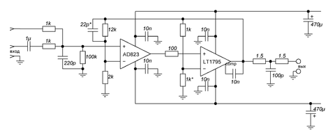
Yamazaki Опубликовано 10 Июня, 2013 в 17:04 Жалоба Поделиться Опубликовано 10 Июня, 2013 в 17:04 (изменено) chugunov линксовские схемы выглядят пугающе массивно, но если вынести за скобки довольно сложные схемы защиты и питания, останется примерно то же, что и на картинке из семнадцатого поста. Пару электролитов в питание Panasonic FC или FK, керамику Murata NP0 0.1мкФ, резисторы металлоплёночные, БП на более или менее фирменных LM317/337 - всё это не такая уж редкость, вполне заказываемо, а стоит в сумме меньше, чем одна LT1795 или AD815AYS. Да, кстати, зачем вам односторонняя плата? Можно сделать полуторку, не прилагая никаких дополнительных усилий. Второй слой не травим, полностью отдаём его под земляной полигон. Так и плату проще разводить, и экранировка гораздо лучше, и блокировки получаются очень короткие - с ножки питания крошечный SMD кондёрчик сразу на землю. Получается всё аккуратно, компактно, без земляных соплей. Сплошная радость. Вот вам схема Lynx 40 без защит и всего такого: вроде выглядит не так сурово :smile: Цепь, которая задаёт ток покоя LTшки не показана, она общая для обеих половинок микросхемы. печатка 1.rar Изменено 11 Июня, 2013 в 05:04 пользователем yamazaki Ссылка на комментарий Поделиться на другие сайты Поделиться
Рекомендуемые сообщения
Для публикации сообщений создайте учётную запись или авторизуйтесь
Вы должны быть пользователем, чтобы оставить комментарий
Создать учетную запись
Зарегистрируйте новую учётную запись в нашем сообществе. Это очень просто!
Регистрация нового пользователяВойти
Уже есть аккаунт? Войти в систему.
Войти