sinyserg Опубликовано 27 Марта, 2013 в 16:40 Жалоба Поделиться Опубликовано 27 Марта, 2013 в 16:40 Уважаемые датагорцы, очень интересует ламповый темброблок, желательно универсальный, для прослушивания музыки и для комбика. Подскажите что нибудь дельное. Ссылка на комментарий Поделиться на другие сайты Поделиться
Arcev Опубликовано 27 Марта, 2013 в 19:09 Жалоба Поделиться Опубликовано 27 Марта, 2013 в 19:09 для прослушивания музыки и для комбика. абсолютно разные задачи имхо для комбика - классика Ссылка на комментарий Поделиться на другие сайты Поделиться
sinyserg Опубликовано 28 Марта, 2013 в 16:27 Автор Жалоба Поделиться Опубликовано 28 Марта, 2013 в 16:27 А для прослушивания музыки есть какие то варианты? Ссылка на комментарий Поделиться на другие сайты Поделиться
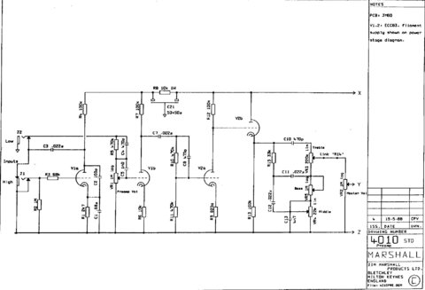
Arcev Опубликовано 28 Марта, 2013 в 17:41 Жалоба Поделиться Опубликовано 28 Марта, 2013 в 17:41 (изменено) выходной каскад отбросить зы из своего опыта - только пассивные регуляторы тембра Изменено 28 Марта, 2013 в 17:44 пользователем arcev Ссылка на комментарий Поделиться на другие сайты Поделиться
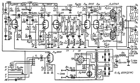
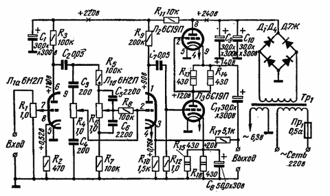
Arcev Опубликовано 29 Марта, 2013 в 19:37 Жалоба Поделиться Опубликовано 29 Марта, 2013 в 19:37 этот вариант вам больше подойдет Ссылка на комментарий Поделиться на другие сайты Поделиться
Рекомендуемые сообщения
Для публикации сообщений создайте учётную запись или авторизуйтесь
Вы должны быть пользователем, чтобы оставить комментарий
Создать учетную запись
Зарегистрируйте новую учётную запись в нашем сообществе. Это очень просто!
Регистрация нового пользователяВойти
Уже есть аккаунт? Войти в систему.
Войти