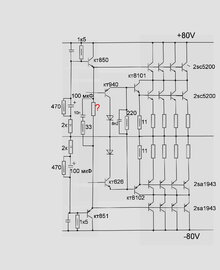
Гость Ale-x1306 Опубликовано 10 Марта, 2013 в 22:26 Жалоба Поделиться Опубликовано 10 Марта, 2013 в 22:26 помогите с ремонтом мощного усилителя, достался в не рабочем состоянии, схему не нашёл(составил по печатке и деталям на плате). на плате отсутствует резистор (и в левом канале и в правом). заменил методом подбора на 10 килоом 2 ватта . усилитель работает, но греется резистор(палец удержать можно на нём). ток в цепи резистора 50 миллиампер, радиаторы выходных транзисторов практически не греются. если кто может помогите определить номинал резистора или понять в чём проблема его нагрева. и ещё, место под резистор на пол ватта :smile: Ссылка на комментарий Поделиться на другие сайты Поделиться
Гость rubenlukin Опубликовано 10 Марта, 2013 в 23:50 Жалоба Поделиться Опубликовано 10 Марта, 2013 в 23:50 Не пробовали гуглить по фразе "методика ремонта усилителя"? На первой же странице, кроме прочих, ссылка: https://forum.datagor.ru/index.php?showtopic=5093 (уберите нижний подчерк, движок форума не позволяет вставлять прямые ссылки) Ссылка на комментарий Поделиться на другие сайты Поделиться
if33 Опубликовано 11 Марта, 2013 в 12:26 Жалоба Поделиться Опубликовано 11 Марта, 2013 в 12:26 На резисторе должно быть напряжение 100 вольт, величина его должна быть 27 - 36 ком мощность 0,5 вт. Ссылка на комментарий Поделиться на другие сайты Поделиться
Рекомендуемые сообщения
Для публикации сообщений создайте учётную запись или авторизуйтесь
Вы должны быть пользователем, чтобы оставить комментарий
Создать учетную запись
Зарегистрируйте новую учётную запись в нашем сообществе. Это очень просто!
Регистрация нового пользователяВойти
Уже есть аккаунт? Войти в систему.
Войти