Гость bytda Опубликовано 17 Февраля, 2013 в 12:27 Жалоба Поделиться Опубликовано 17 Февраля, 2013 в 12:27 Поставил на машину видеорегистартор. Так сложилось, что самое интересное происходит когда машина стоит на парковке, поэтому сделал постоянное питание для него. Но очень скоро вылез минус этого решения - зимой, подсаженный регом за ночь аккум, стал часто отказываться заводить машину. Поменял пару аккумуляторов (хватает на год-два в таком режиме всего), озадачился решением вопроса. Решение придумал быстро - второй аккумулятор. Подключение простое - диодная развязка, плюс пару деталюшек для защиты от бросков тока... Но вот незадача - второй аккум ёмкостью не блещет (так называемый гелевый от охранных сигнализаций), и хватает его на сутки-двое. Чаще всего этого достаточно, но изредка машина может стоять дольше, вот тут и возник вопрос - как защитить этот аккумулятор от переразряда? По итогу нужна схемка, которая отрубала бы питание при падении напряжения ниже 11 вольт, и автоматом восставливало его при повышении например до 12 вольт, или по напряжению зарядки. т.к. питаться эта схемка будет от этого самого АКБ, то потреблять она должна по минимуму, поэтому вариант с реле не подходит. Помучал поисковики - есть много вариантов, но готовых или годных для переделки под мои нужды, не нашёл. Заранее благодарен. Ссылка на комментарий Поделиться на другие сайты Поделиться
Гость victors Опубликовано 17 Февраля, 2013 в 15:58 Жалоба Поделиться Опубликовано 17 Февраля, 2013 в 15:58 Можно попробовать собрать компаратор на малопотребляющем ОУ, типа К140УД1208, а ключ питания сделать на мощном MOSFET, с p-каналом, поставив его в плюсовую цепь или с n-каналом (эти дешевле и доступнее), поставив его в минусовую цепь. Компаратору сделать гистерезис, обратной связью, с уровнем 1-3 Вольта (сколько надо), чтобы включался когда напряжение больше 14,4В - работает генератор, идёт заряд с бортсети, а выключался при снижении напряжения ниже 11В. Посмотри как сделаны компараторы в автоматических зарядных устройствах и индикаторах напряжения бортсети автомобиля (интересны ступенчатые (понижено - норма - повышено), где есть пороговые элементы. Ссылка на комментарий Поделиться на другие сайты Поделиться
Гость akl123 Опубликовано 17 Февраля, 2013 в 18:08 Жалоба Поделиться Опубликовано 17 Февраля, 2013 в 18:08 Интересная схема попалась. Думаю можно приспособить._https://radiostorage.net/?area=news/1463 Ссылка на комментарий Поделиться на другие сайты Поделиться
Гость jank5 Опубликовано 17 Февраля, 2013 в 18:28 Жалоба Поделиться Опубликовано 17 Февраля, 2013 в 18:28 Радио 2010-12 стр. 16, 2013-2 стр. 46 с некоторыми переделками. Ссылка на комментарий Поделиться на другие сайты Поделиться
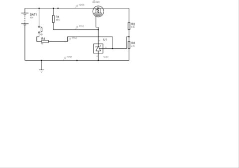
Elektrik Опубликовано 17 Февраля, 2013 в 18:48 Жалоба Поделиться Опубликовано 17 Февраля, 2013 в 18:48 Когда-то придумал такую схему. Только она не опробована. Я делал для фонаря с 6 Вольтовым аккумулятором. Оказалось не все МОСФЕТЫ от 6 Вольт открываются. Как раз нужных, под рукой, не оказалось. Схемка была заброшена в долгий ящик, где и пребывает по сей день. Если есть желание попробуй доведи до ума. Ссылка на комментарий Поделиться на другие сайты Поделиться
Рекомендуемые сообщения
Для публикации сообщений создайте учётную запись или авторизуйтесь
Вы должны быть пользователем, чтобы оставить комментарий
Создать учетную запись
Зарегистрируйте новую учётную запись в нашем сообществе. Это очень просто!
Регистрация нового пользователяВойти
Уже есть аккаунт? Войти в систему.
Войти