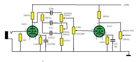
sinyserg Опубликовано 2 Февраля, 2013 в 17:11 Жалоба Поделиться Опубликовано 2 Февраля, 2013 в 17:11 Уважаемые Датагорцы, можно ли в данной схеме переменные резисторы заменить на более низкоомные 47-50 кОм, или у кого нибудь есть другие варианты? Ссылка на комментарий Поделиться на другие сайты Поделиться
andrew_spb Опубликовано 2 Февраля, 2013 в 18:11 Жалоба Поделиться Опубликовано 2 Февраля, 2013 в 18:11 ИМХО, можно, но они будут грузить лампу входного каскада сильно, коэф передачи упадет. Ссылка на комментарий Поделиться на другие сайты Поделиться
sinyserg Опубликовано 2 Февраля, 2013 в 18:20 Автор Жалоба Поделиться Опубликовано 2 Февраля, 2013 в 18:20 Ну а схема рабочая? Ссылка на комментарий Поделиться на другие сайты Поделиться
Ubiks Опубликовано 2 Февраля, 2013 в 18:57 Жалоба Поделиться Опубликовано 2 Февраля, 2013 в 18:57 Берешь немножко деталек и собираешь макет. Смотришь, слушаем, и появляются нормальные вопросы. Ссылка на комментарий Поделиться на другие сайты Поделиться
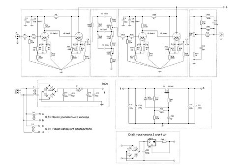
Гость viktor d Опубликовано 20 Февраля, 2013 в 21:24 Жалоба Поделиться Опубликовано 20 Февраля, 2013 в 21:24 Вот так у меня получилось. Конечно можно всё несколько упростить - выкинуть лишние делители в накалах. Добавлено после раздумий: Вот ещё пара фото Добавлено после раздумий: и внутри Ссылка на комментарий Поделиться на другие сайты Поделиться
Рекомендуемые сообщения
Для публикации сообщений создайте учётную запись или авторизуйтесь
Вы должны быть пользователем, чтобы оставить комментарий
Создать учетную запись
Зарегистрируйте новую учётную запись в нашем сообществе. Это очень просто!
Регистрация нового пользователяВойти
Уже есть аккаунт? Войти в систему.
Войти