Гость alchedat Опубликовано 25 Октября, 2012 в 08:36 Жалоба Поделиться Опубликовано 25 Октября, 2012 в 08:36 Всем доброго дня. Захотелось мне вдохнуть жизнь в ламповую радиолу Рекорд 61 м2, которая уже лет 30 простаивает. Пластинки проигрывает нормально, а вот радио не ловит. Шипит, что-то посвистывает, но ни одной радиостанции не слышно. В ходе осмотра платы обнаружил, что отсутствует какая-то деталь, после сравнения платы и схемы определил - это катушка L1 в схеме. Возможно кто-то близко знаком с данной моделью и подскажеть сколько нужно намотать витков провода на вот такую катушку с ферритовым стержнем (при необходимости его можно выкрутить). Это был первый вопрос. Вопрос №2 касается переменного конденсатора настройки волн. На фото плохо видно, там загнуты 2 пластинки. Также есть небольшые следы окисления на пластинках, видимо от условий хранения. Можно ли капнуть несколько капель машинного масла, для смазки конденсатора, т.к. примерно на половине своего оборота чувствуется, что усилие на проворот возрастает и нитка связывающая ручку подстройки и колесо конденсатора начинает проскальзывать? И на сколько страшна погнутая пластина? выправил как получилось, но полносьтью выгнуть не могу. Ссылка на комментарий Поделиться на другие сайты Поделиться
Гость pricolist Опубликовано 25 Октября, 2012 в 12:15 Жалоба Поделиться Опубликовано 25 Октября, 2012 в 12:15 Катушка на первых порах не обязательна, а вот переменник - задача номер раз. Отпаивайте пластины статора (два вывода). Задача - добиться, чтобы ни при каком положении ротора не было замыканий со статором. Можно мультиметр в режим звуковой прозвонки, можно банальную батарейку с лампочкой и вперед: крутить переменник и подгибать пластины, пока не устраните КЗ. Ссылка на комментарий Поделиться на другие сайты Поделиться
drummer Опубликовано 25 Октября, 2012 в 12:17 Жалоба Поделиться Опубликовано 25 Октября, 2012 в 12:17 Выпрямить пластины нужно как получится, лишь бы не коротили. Тестером проверяется. Подвижные пластины имеют контакт с корпусом, неподвижные от него изолированы. Входной контур... перемкнуть накоротко не пробовал? Ссылка на комментарий Поделиться на другие сайты Поделиться
Гость alchedat Опубликовано 25 Октября, 2012 в 13:04 Жалоба Поделиться Опубликовано 25 Октября, 2012 в 13:04 Вау. А я почему-то думал, что с катушкой будут основные заморочки, а переменник так, какой есть. Входной контур... перемкнуть накоротко не пробовал? Нет, ещё ничего не пробовал. Дело в том, что до этого момента с радио не связывался и частоты выше 20кГц (УНЧ) для меня тёмный лес, даже не знал, что это называется входным контуром . Потому решил сначала спросить у знающих людей, а уже потом приниматься за ремонт. А что будет, если удалить поврежденные пластины из состава конденсатора? Я так думаю уменьшится его ёмкость и сдвинется частота регулировок? Ссылка на комментарий Поделиться на другие сайты Поделиться
Гость alvis Опубликовано 25 Октября, 2012 в 14:10 Жалоба Поделиться Опубликовано 25 Октября, 2012 в 14:10 Не нужно удалять. просто аккуратно пинцетом и скальпелем, либо ещё чем подходящим аккуратно поправить конденсатор. У Вас вполне нормальный девайс, в своё врея приходилось править варианты много хуже - и ничего. Ссылка на комментарий Поделиться на другие сайты Поделиться
Гость pricolist Опубликовано 25 Октября, 2012 в 16:49 Жалоба Поделиться Опубликовано 25 Октября, 2012 в 16:49 Если переменник без коротыша и в динамике что то свистит - уже хорошо. Самым больным местом этих аппаратов был смеситель-гетеродин (6И1П) и УПЧ (6К4П). Можно сразу воткнуть заведомо исправные лампы и подключить к антенне кусок провода в несколько метров. Возможно, на этом всё и закончится - приёмник заработает. Ссылка на комментарий Поделиться на другие сайты Поделиться
Vaysa Опубликовано 25 Октября, 2012 в 18:28 Жалоба Поделиться Опубликовано 25 Октября, 2012 в 18:28 Очень возможно, что проблема в переключателе диапазонов, ведь не зря выпаян входной контур. Вероятно приемник использовался с наружней антенной и из за грозы вышел из строя контур, но могло достаться и контактам ПДФ или контуру, на каком либо диапазоне. (или СВ,-в свое время слушали радиохулиганов, или КВ- "Голос Америки") действия: 1. убедиться, что в две секции КПЕ не замыкают в любом положении.(технология подсказанная drummer и pricolist) от себя: если вы удалите 2 маленькие пластинки, то поверьте, ничего не будет, т.к емкость 1 секции этого КПЕ от 12 до 465 пф. и уменьшение емкости примерно на 0.5 пф для ГПД, ничтожна. 2. подсоединить кусок провода на лампу 6К4П к 1 ножке (если слышна реакция. то лампа целая) 3. подсоединить этот же провод на лампу 6И1П ко 2 ножке- реакция есть-очень хорошо (должны слышаться кикие нибудь намеки на прием) 4. проверить (зачистить) контактные пластинки полосового фильтра, L1 временно закоротить. Ссылка на комментарий Поделиться на другие сайты Поделиться
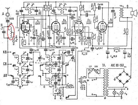
Гость alvis Опубликовано 25 Октября, 2012 в 20:22 Жалоба Поделиться Опубликовано 25 Октября, 2012 в 20:22 (изменено) По поводу катушки. Насколько я помню ламповые приёмники, упомянутая катушка - не входной контур (они ниже, для каждого диапазона свой), а составляющая фильра-пробки, подавляющего частоту, равную промежуточной (довольно здорово влияет на чувствительность и избирательность, но привести к полной неработоспособности - навряд-ли... Ели верить справочнику Левитиных, то в приёмнике "Рассвет" применяется точно такая-же входная цепь, кроме конденсатора С1 - он там 1000 пФ. Номиналы резистора и контурного конденсатора такие-же, как и в этой схеме. Параметры катушки (там она L8) - 4 секции по 40 витков, отвод от середины, провод ПЭВ-1 (хотя, такие катушки лучше мотать ПЭЛШО), ∅ 0,1, ∅ каркаса и типоразмер сердечника не указан, но, думаю, они точно такие-же, как каркасы катушек УПЧ (L2/4, L3/5. В оригинале, намотка, скорее всего, "универсал", можно мотать просто "внавал", стараться, чтобы не "виток к витку", только сделать "щёчки" для секций. Изменено 25 Октября, 2012 в 20:24 пользователем alvis Ссылка на комментарий Поделиться на другие сайты Поделиться
Гость alchedat Опубликовано 26 Октября, 2012 в 08:08 Жалоба Поделиться Опубликовано 26 Октября, 2012 в 08:08 (изменено) Очень возможно, что проблема в переключателе диапазонов, ведь не зря выпаян входной контур Контур не выпаян, а выломан. На плате остались ноги от катушки, скорее всего чем-то зацепили. Отчет о том что было сделано. КПЕ выпрямил, замыкание устранил, но всё же пришлось удалить одну пластину. слишком покорёженая она. Ёмкость одной секции КПЕ (он состоит из двух секций 2х495 пф ) стала меньше на 15пф. Контур замкнул как и советовали. После включения ничего хорошего не произошло. Сдела пошагово как писал vaysa - кусок провода к 1 ножке 6к4п - ничего. только тихий щелчок, пробовал заменить лампу на 6ж1п, 6ж5п (вроде бы это можно делать) - результат такой же. При подключении провода к 2 ножке 6И1П реакция есть, но звук скорее похож не на приём, а на сетевой фон. Сделал замеры на лампах вот, привожу. Может быть что-то прояснит. 6К4П - 1 -1в 2 +185в 6 +10в 7 0в 6И1П 1 +10в 2 -0,85в 6 +190в 7,9 -0,3в 8 +57в Измерения проводил с отключенными диапазонами. т.е. КВ, СВ, ДВ были "отжатом" состоянии А вот и несоответствие в режимах нарисовалось. Нашел инструкцию к Рекорд 61 (без 2М), но схемы очень похожи, там есть режимы ламп в которых, и на экранных сетках обеих ламп должно быть +42в, а у меня только +10. Что-то где-то не так. Изменено 26 Октября, 2012 в 16:11 пользователем alchedat Ссылка на комментарий Поделиться на другие сайты Поделиться
drummer Опубликовано 26 Октября, 2012 в 16:18 Жалоба Поделиться Опубликовано 26 Октября, 2012 в 16:18 Помню менял пару раз 6К4П. В одном и том же приёмнике... Ссылка на комментарий Поделиться на другие сайты Поделиться
Гость alchedat Опубликовано 27 Октября, 2012 в 11:28 Жалоба Поделиться Опубликовано 27 Октября, 2012 в 11:28 (изменено) Заработало! Случайно зацепил какую-то деталь и появился хрип, который потом пропал. Пропаял все выводы и заработало. Ещё заменил 6к4п на 6ж1п, правда подошли только пара ламп из десятка, с остальными самовозбуждение. Из нашего поймал только Радио России в ДВ и КВ, зато в КВ полным полно китайцев )) Изменено 27 Октября, 2012 в 11:29 пользователем alchedat Ссылка на комментарий Поделиться на другие сайты Поделиться
Гость mirch Опубликовано 27 Октября, 2012 в 12:52 Жалоба Поделиться Опубликовано 27 Октября, 2012 в 12:52 зато в КВ полным полно китайцев )) Ну так КВ это - Китайские Волны :smile: Ссылка на комментарий Поделиться на другие сайты Поделиться
Рекомендуемые сообщения
Для публикации сообщений создайте учётную запись или авторизуйтесь
Вы должны быть пользователем, чтобы оставить комментарий
Создать учетную запись
Зарегистрируйте новую учётную запись в нашем сообществе. Это очень просто!
Регистрация нового пользователяВойти
Уже есть аккаунт? Войти в систему.
Войти