Гость DruidblackARM Опубликовано 1 Июля, 2012 в 15:08 Жалоба Поделиться Опубликовано 1 Июля, 2012 в 15:08 Решил собрать усилитель. И с толкнулся с проблемой. Во всей Москве нет ТАН-127/220-50 (29,28,27). А вот на работе нашлись два 35 ТАНа. МОжет ктор знает можно ли их в качестве выходных использовать? Ссылка на комментарий Поделиться на другие сайты Поделиться
TANk Опубликовано 1 Июля, 2012 в 18:01 Жалоба Поделиться Опубликовано 1 Июля, 2012 в 18:01 То что будет собираться усилитель по схемас Сергея Комарова, я уже понял. Единственное, уточните по какой именно схеме собрались собирать. Тогда и на ваш вопрос о пригодности ТАН-35 можно будет дать более менее исчерпывающий ответ. Но прежде всего уточните, ТАН35-127/220-50 или же ТАН35-220/50 - Это принципиальная разница для применения их в качестве выходных. В первом случае можно, а второй уже не подойдет. Ссылка на комментарий Поделиться на другие сайты Поделиться
Гость DruidblackARM Опубликовано 1 Июля, 2012 в 18:54 Жалоба Поделиться Опубликовано 1 Июля, 2012 в 18:54 (изменено) tank Конечно же ТАН35-127/220-50. Схема "Эпифит" на лампах 6П6С и 6Н8С _https://www.mariklab.ru/epiphyte.html Вот ссылка на схему Изменено 1 Июля, 2012 в 19:00 пользователем DruidblackARM Ссылка на комментарий Поделиться на другие сайты Поделиться
TANk Опубликовано 1 Июля, 2012 в 19:35 Жалоба Поделиться Опубликовано 1 Июля, 2012 в 19:35 ТАН 35-127/220 60 0,6 224 125 25 5(6,3) 0,045 0,065 0,065 1,6 Прикинем. Raa для 6П6С должно быть примерно 8кОм (от 6 до 10к нормально). нагрузка 4 ома. Коэф трансформации должен быть в пределах от 38 до 50. Для нагрузки в 8 ом коэф трансформации будет лежать в пределах 27-35. Теперь смотрим на напряжения на обмотках. 2 обмотки по 127в (сетевые), 2 обмотки по 224в, 2 обмотки по 125в, 2 обмотки по 25в - то что можно использовать в качестве первичных. Вторичные обмотки 2 по 6.3 с отводом на 5в. Вот из этого набора первичных и вторичных надо выловить нужный нам коэф. трансформации. Попробуем. Для 4х омной нагрузки примем Ктр равный 40. Накальные обмотки соединим последовательно чтобы получить 12.6в. 12.6*40=504в. Нам из нашего набора первичных слаботочных обмоток надо набрать примерно 500в. Причем симметрично со средней точкой. Выглядеть будет примерно так Анод нижней лампы - 125в+127в-напряжение питания-127в+125в-анод верхней лампы. Обмотки по 224в не используем. Обмотки по 25в можно включить в катоды выходных ламп. Это создаст небольшую ОС в выходном каскаде и позволит даже с таким "подручным" трансформатором добиться неплохих результатов. Для нагрузки 8 ом этот трансформатор подходит плохо. Ссылка на комментарий Поделиться на другие сайты Поделиться
Гость DruidblackARM Опубликовано 1 Июля, 2012 в 20:00 Жалоба Поделиться Опубликовано 1 Июля, 2012 в 20:00 (изменено) tank Не сочти за наглость, но не мог ли бы Вы набросать схему включения трансов. Как я понял схема остается такой же как и планировалось, только по другому включаются трансформаторные обмотки. P.S. Сегодня уже поздно, а завтра постараюсь самосятельно разобраться с вопросами как расчитывать трансформаторы. Вроде на работе еще пара ТАНов каких то есть. Если что надеюсь на помощь. Т.К. усилитель первый и надеюсь не последний. Изменено 1 Июля, 2012 в 20:10 пользователем DruidblackARM Ссылка на комментарий Поделиться на другие сайты Поделиться
TANk Опубликовано 2 Июля, 2012 в 08:05 Жалоба Поделиться Опубликовано 2 Июля, 2012 в 08:05 Я почему подумал, что усилитель будет по схеме Комарова (а на самом деле Эпифит это клон усилителей представленных на его сайте) _https://www.radiostation.ru/home/usilitel.html Тут есть достаточно подробные и простые описания расчета применения ТАН_ов и ТН_ов в качестве выходных. Мой первый ламповый усилитель тоже был собран по схеме с этого сайта. Прочитайте, может найдете ответы на свои вопросы. А я вечером не торопясь нарисую схему подключения ТН-35 к Эпифиту. Ссылка на комментарий Поделиться на другие сайты Поделиться
Гость DruidblackARM Опубликовано 2 Июля, 2012 в 08:37 Жалоба Поделиться Опубликовано 2 Июля, 2012 в 08:37 (изменено) tank Этот сайт знаю. Тоже там смотрел. Там же нашел схему для ТН трансформаторов. и как раз на работе есть парочка подходящих по схеме. Сегодня попробую сам посчитать выходные трансформаторы. Изменено 2 Июля, 2012 в 08:38 пользователем DruidblackARM Ссылка на комментарий Поделиться на другие сайты Поделиться
20miha20 Опубликовано 2 Июля, 2012 в 10:19 Жалоба Поделиться Опубликовано 2 Июля, 2012 в 10:19 А ещё, можно посмотреть в сторону ТПП... Ссылка на комментарий Поделиться на другие сайты Поделиться
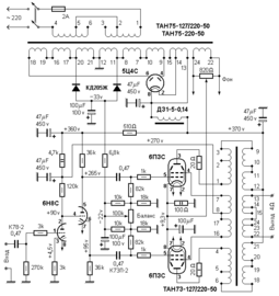
Гость kdtp Опубликовано 2 Июля, 2012 в 12:26 Жалоба Поделиться Опубликовано 2 Июля, 2012 в 12:26 (изменено) Вот схема включения ТАН 35 127/220 в качестве выходного трансформатора для РР-каскада. Этот трансформатор я сам использовал как выходной для УНЧ на 6П6С. Получилось довольно таки сносно! Но, я не рекомендовал бы Вам повторять схему усилителя Эпифит, сыроватенькая схема. Во-первых, драйверный каскад, он же фазоинвертор, для ламп типа 6П6С и 6П14П, лучше собирать по схеме фазоинвертора с разделённой нагрузкой. Проверенно неоднократно и на макетах, и на «живых» схемах. А в прочем, кому как нравиться. Во-вторых, в выходном каскаде лампы 6П6С включены как триоды – хорошо, я бы сказал, отлично! Коль скоро Вам нравиться звучание триодного включения тетродов, то данный трансформатор позволяет получить весьма «триодный звук», но в ультролинейном включении! Для реализации этого включения нужно вторые сетки ламп выходного каскада включить на отводы первичной обмотки, как это показано у меня на схеме КРАСНЫМИ ПУНКТИРНЫМИ ЛИНИЯМИ. В усилителе, который я собирал для своего приятеля, были применены именно ТАНы 35 127/220. Этот усилитель он использует совместно с колонками 15МАС-109, в качестве звуковой мониторной системы для компьютера. Не хочу вдаваться в подробное описание, но вот некоторые данные, которые у меня получились при создании выше означенного усилителя, с включением трансформатора ТАН 35 127/220, по предложенной мною схеме: Raa = 7733 Ом при Rнагр. = 4 Ом, ультралинейный отвод составил 45% (что, согласитесь, ближе к триодному, нежели тетродному звучанию), при выходной мощности порядка 7 – 8 Ватт, диапазон частот воспроизведения 40 – 17000 Гц., с завалом по краям диапазона – 3 Дб.. О-о-о-очень даже не плохо для ТАНа. Изменено 13 Июля, 2012 в 19:17 пользователем kdtp Ссылка на комментарий Поделиться на другие сайты Поделиться
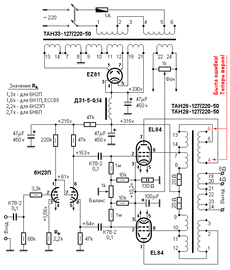
KAFED Опубликовано 24 Июля, 2013 в 13:48 Жалоба Поделиться Опубликовано 24 Июля, 2013 в 13:48 Уважаемые форумчане. Хочу собрать двухтактный усилитель по схеме С. Комарова на 6Н8С и 2х6П3С (схема №2, "почти триодный"). ТАН 73 не оказалось. Думаю поставить ТАН 45 - 127/220 - 50 в качестве выходного. Напряжения обмоток те же, чуть ниже мощность (но допустимо) а главное конструкция - броневая (у ТАН 73 - стержневая). Подскажите схему соединения обмоток для данного варианта выходного каскада. Ссылка на комментарий Поделиться на другие сайты Поделиться
TANk Опубликовано 24 Июля, 2013 в 18:52 Жалоба Поделиться Опубликовано 24 Июля, 2013 в 18:52 Напряжения обмоток те же, чуть ниже мощность (но допустимо) а главное конструкция - броневая (у ТАН 73 - стержневая). Обращаем внимание на ключевую фразу: напряжения обмоток те же. У Комарова распайка ТАН73 приведена. Смотрим цоколевку в справочнике на ТАН73 и ТАН45 Получаем искомое. Для двухтактного усилителя стержневая конструкция выходного трансформатора более предпочтительна. она позволяет добиться идеальной симметрии первичных обмоток. Ссылка на комментарий Поделиться на другие сайты Поделиться
KAFED Опубликовано 25 Июля, 2013 в 06:46 Жалоба Поделиться Опубликовано 25 Июля, 2013 в 06:46 Спасибо за ответ. Как говорится хотел "рыбу" а получил "удочку". Простым взглядом на цоколевку трансформаторов искомое вряд-ли получится. У ТАН 73 обмотки в этой схеме соединяются встречно, а у ТАН 45 судя по схеме №1 (EL 84 и ТАН 28) надо соединить последовательно, поэтому простое наложение номеров выводов и напряжений наверное не получится. Но у этих схем (№1 и №2) разное подключение обмоток к экранным сеткам ламп. Чтобы особо не заморачиваться в индукционных потоках и разбираться в порядке намотки ТАНов, хотел узнать у опытных радиолюбителей правильную схему соединений выводов расщепленной первички с выводами вторичных и последних между собой. В частности например для ТАН 45 применительно к схеме №2: 7-8-9-10 или 7-8-10-9. А то что стержневая конструкция для РР предпочтительней чем броневая мне известно, особенно для трансформаторов не предназначенных для звука. Просто хотелось применить "то,что есть". Хотя у меня неплохо звучат "броневые" ТН 36 и ТН 46 в конструкциях из последующих схем С. Комарова. Ссылка на комментарий Поделиться на другие сайты Поделиться
Рекомендуемые сообщения
Для публикации сообщений создайте учётную запись или авторизуйтесь
Вы должны быть пользователем, чтобы оставить комментарий
Создать учетную запись
Зарегистрируйте новую учётную запись в нашем сообществе. Это очень просто!
Регистрация нового пользователяВойти
Уже есть аккаунт? Войти в систему.
Войти