Гость sanama Опубликовано 20 Июня, 2012 в 09:20 Жалоба Поделиться Опубликовано 20 Июня, 2012 в 09:20 Всем привет! Друзья, помогите определить ламповый усилитель. Хочу сделать этот усилок, но нет схемы и даже названия(стерлось)! Уже весь интернет перерыл ничего не нашел! По архивам смотрел, по картинкам, но так и не нашел такого :angry: Может кто то видел это чудо! уже не знаю что и делать. И вообще стоит ли с ним возиться? На нем есть надписи: Design ниже Amplifier system еще ниже International. Ссылка на комментарий Поделиться на другие сайты Поделиться
Гость rubenlukin Опубликовано 20 Июня, 2012 в 09:35 Жалоба Поделиться Опубликовано 20 Июня, 2012 в 09:35 ИМХО возиться стоит -- есть конструктив, силовой и выходной трансформаторы. Это 90% успеха. Усилитель -- моно, двухтакт, явно на ГУ-50, с микшером. Просто сейчас нужно определиться, для чего он нужен. Мне в нем видится афигенная гитарная "голова". Ссылка на комментарий Поделиться на другие сайты Поделиться
Гость sanama Опубликовано 20 Июня, 2012 в 10:15 Жалоба Поделиться Опубликовано 20 Июня, 2012 в 10:15 Вот и мне интересно, что за девайсина такая. Добавлено после раздумий: Кстати! Врядли ГУ-50. На верху лампы должно быть 2 вывода, так как туда(к гнезду лампы) подходит 2 разьема. Смотрел на лампы, вроде как ГУ-19,ГУ-28,ГУ-32 или ГИ-(непомню), какая то из этих. Ссылка на комментарий Поделиться на другие сайты Поделиться
mtihonov Опубликовано 20 Июня, 2012 в 11:06 Жалоба Поделиться Опубликовано 20 Июня, 2012 в 11:06 Если по два анодных вывода на лампу, то скорее всего стояли 6Р3С. А трансы взяты от ТУ-100 или ему подобного клона. Лучше переделать на ГУ29 или ГУ32. Они лучше. 6Р3С вообще-то барахлом считаются... HB-FI_щики их не любят... Ссылка на комментарий Поделиться на другие сайты Поделиться
Гость sanama Опубликовано 20 Июня, 2012 в 11:09 Жалоба Поделиться Опубликовано 20 Июня, 2012 в 11:09 Переделать, переделаем. Мне интересно, зачем столько регуляторов? И какая мощность? Ссылка на комментарий Поделиться на другие сайты Поделиться
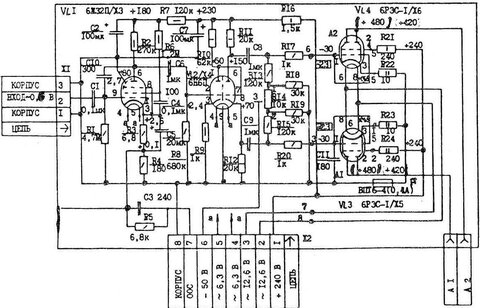
viones Опубликовано 20 Июня, 2012 в 12:01 Жалоба Поделиться Опубликовано 20 Июня, 2012 в 12:01 (изменено) Насчет регуляторов Рубен уже писал(Сообщение #2) это для микшера.Много входов один выход+темброблоки на каждый канал.Скорее всего там микрофонные и(или)гитарные предусилители.По мне это самопальный Моно Прибой с предуселителями и темброблоками для музицирования ВИА(любое название).Ватт так 20-25. прилагаю схему Прибоя Изменено 20 Июня, 2012 в 12:17 пользователем viones Ссылка на комментарий Поделиться на другие сайты Поделиться
Гость sanama Опубликовано 20 Июня, 2012 в 12:18 Жалоба Поделиться Опубликовано 20 Июня, 2012 в 12:18 Я тоже думал что самопал. Но стал сомневаться из-за надписей, монтажа, и аккуратно вырезаных отверстий. Ссылка на комментарий Поделиться на другие сайты Поделиться
TANk Опубликовано 20 Июня, 2012 в 13:01 Жалоба Поделиться Опубликовано 20 Июня, 2012 в 13:01 На то что стояли 6Р3С указывает еще и то, что крышки на ламповых панелях отломаны. Когда ставится туда ГУ-50 из нее пластиковая рукоятка выкручивается и захлопывается крышкой. Если использованы трансформаторы от ТУ-100 то на выходе у этого аппарата могло быть и больше чем 25Вт. Я бы оставил силовой и выходной трансформаторы и на их основе на лампах ГУ-50. Смысл имеет если хочется сделать гитарный усилитель. Для обычного музыкального стерео не хватает второго выходного трансформатора. Ссылка на комментарий Поделиться на другие сайты Поделиться
mtihonov Опубликовано 20 Июня, 2012 в 16:40 Жалоба Поделиться Опубликовано 20 Июня, 2012 в 16:40 Все-таки ГУ50 высоковольтная лампа, она любит анодное вольт 600-800. Может все-же лучше попробовать ГУ29, ГУ32. Говорят 6Р3С "гражданский" аналог военных ГУ29, ГУ32 и ессественно хреновее. Это как алюминиевый ТУ-144 и военный, титановый (кажется) ТУ 160... оба сверхзвуковые, но как говорят в Одессе "это две больших разницы однако"! Ссылка на комментарий Поделиться на другие сайты Поделиться
TANk Опубликовано 20 Июня, 2012 в 18:58 Жалоба Поделиться Опубликовано 20 Июня, 2012 в 18:58 Говорят 6Р3С "гражданский" аналог военных ГУ29, ГУ32 и ессественно хреновее. ГУ-29 и особенно ее импульсный аналог ГИ-30 тоже любят высокое напряжение. 600-700 вольт легко. При этом с одного баллона можно получить на выходе ватт 50. Если делать на ГУ29 придется еще и панельки для них искать, а они стоят дороже чем сами лампы. А тут готовые есть. Так что как вариант ГУ-50 очень даже должна подойти. Ссылка на комментарий Поделиться на другие сайты Поделиться
Гость sanama Опубликовано 21 Июня, 2012 в 14:57 Жалоба Поделиться Опубликовано 21 Июня, 2012 в 14:57 Нашел кучу радиоламп у отца. И что то не пойму: почему у 6С19П не видно напыления. 4 шт. и не на одной нет напыления, а 6П14П(пример на фото) и остальных есть? так должно быть? И еще 6П45С, 6П36С(каждой по две) как они в усилителе себя поведут??? Да, кстати, а ламповый усилок возможно будет продать? или их никто не покупает? Ссылка на комментарий Поделиться на другие сайты Поделиться
TANk Опубликовано 21 Июня, 2012 в 18:26 Жалоба Поделиться Опубликовано 21 Июня, 2012 в 18:26 У 6С19П геттер (газопоглотитель) имеет вид серой пористой таблетки. Ее как раз очень хорошо видно на фото чуть выше анода. А у 6П14П геттер имеет вид напыления на стекло в верхней части баллона. Так что с твоими 6С19П все впорядке. 6П36С или 6П45С в усилителе поведут себя очень даже неплохо, если им там создать соответствующие условия. Если условия будут плохими, то будут капризничать, возбуждаться, издавать противные звуки. С лампами надо обращаться как с женщинами. Чем больше денег в них вложишь, тем приятнее будет результат :angry: По поводу второго вопроса - могу сказать, что продать таки можно, но оооочень сложно и как правило пролучается это сделать по цене равной или чуть большей себестоимости деталей. Бизнеса на этом не сделаешь это точно. Ссылка на комментарий Поделиться на другие сайты Поделиться
Рекомендуемые сообщения
Для публикации сообщений создайте учётную запись или авторизуйтесь
Вы должны быть пользователем, чтобы оставить комментарий
Создать учетную запись
Зарегистрируйте новую учётную запись в нашем сообществе. Это очень просто!
Регистрация нового пользователяВойти
Уже есть аккаунт? Войти в систему.
Войти