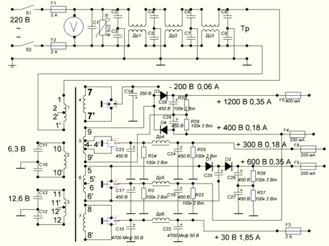
Гость Xorochii Опубликовано 20 Мая, 2012 в 05:57 Жалоба Поделиться Опубликовано 20 Мая, 2012 в 05:57 (изменено) Хочу собрать БП, нужно наибольшая функциональность для различных схем. Вот придумал схему универсального БП собранного на ТС 270 для передатчиков усилителей низкой частоты (модуляторов) и т.д вообщем для эксперементов хочу сделать такой там не ращитаны некоторые элементы в процессе сделаю описание и постепенно допишим надеюсь с Вашей помощью . Пожалуста укажите мне на мои ошибки помогите пожалуста. Данные Трансформатора: Изменено 20 Мая, 2012 в 06:03 пользователем Xorochii Ссылка на комментарий Поделиться на другие сайты Поделиться
andrew_spb Опубликовано 20 Мая, 2012 в 10:51 Жалоба Поделиться Опубликовано 20 Мая, 2012 в 10:51 (изменено) ИМХО, как я помню схемы универсальных ламповых питателей - не хватает отрицательного напряжения -12-16 В. В анодных +1200 и +400 стоит установить дроссели, причем не электронные. и очень продумать монтаж. Изменено 20 Мая, 2012 в 10:53 пользователем andrew_spb Ссылка на комментарий Поделиться на другие сайты Поделиться
Гость rubenlukin Опубликовано 20 Мая, 2012 в 12:27 Жалоба Поделиться Опубликовано 20 Мая, 2012 в 12:27 ...не хватает отрицательного напряжения -12-16 В. ... Его получают с -200 В (обмотка 7 - 7'), только посчитать мощность резисторов делителя. Стабилитрон по вкусу. Ссылка на комментарий Поделиться на другие сайты Поделиться
Гость Xorochii Опубликовано 20 Мая, 2012 в 13:59 Жалоба Поделиться Опубликовано 20 Мая, 2012 в 13:59 Да дросели я вроде установил, да я тут прикинул - 200 В есть если что я могу получить отрицательное напряжение и меньше из него впринципе это не проблема. Даже в самой схеме а не в БП. Тут другая мысль мощность трансформатора вроде маловата даже для тех токов которые указаны??? Есть у меня ТС 250 еще можит их вместе как то сделать. Этот БП хотел собрать просто один раз для эксперементов с разными лампами чтоб просто каждый раз ни варганить блоки питания к аппаратуре, а сделать один универсальный с разными напряжениями и выбрать мощность подходящую для большенства распространённых конструкций на лампах средней мощности, вот и задумался..., да и главное на трансе от бытовой аппаратуры, чтоб можно было достаточно просто все сделать... Может кто то поможет схемкой или подскажите мои ошибки можит можно до ума довести эту идею и сделать такую схему как я изобразил? Ссылка на комментарий Поделиться на другие сайты Поделиться
Рекомендуемые сообщения
Для публикации сообщений создайте учётную запись или авторизуйтесь
Вы должны быть пользователем, чтобы оставить комментарий
Создать учетную запись
Зарегистрируйте новую учётную запись в нашем сообществе. Это очень просто!
Регистрация нового пользователяВойти
Уже есть аккаунт? Войти в систему.
Войти