Гость konstantin14 Опубликовано 8 Мая, 2012 в 07:00 Жалоба Поделиться Опубликовано 8 Мая, 2012 в 07:00 Удалил С1, вместо К553УД1А - NE5534. Подскажите, пожалуйста, как поступить с R2 и R3? Ссылка на комментарий Поделиться на другие сайты Поделиться
Chugunov Опубликовано 8 Мая, 2012 в 22:14 Жалоба Поделиться Опубликовано 8 Мая, 2012 в 22:14 (изменено) Удалил С1, вместо К553УД1А - NE5534. Подскажите, пожалуйста, как поступить с R2 и R3? Константин! Краткость, конечно, сестра таланта, но есть краткость Эллочки-людоедки. Вам понравится такой же ответ: "заменить"? Хочется знать предысторию: зачем и почему, хочется точности: удалил, это значит выкусил, а если закоротил - это другое дело. 1. Надо подумать - стоит ли удалять (или всё-таки замыкать?) разделительный конденсатор. 2. Интересно было бы знать, чем вызван выбор замены микросхемы именно на NE5534. 3. Вы не пишете что будете делать со старыми цепями коррекции. Опробована ли такая замена и не будет ли проблем с устойчивостью усилителя? Про цоколевку я не говорю. 4. Если закоротить С1, R2R3 будут включены параллельно. С точки зрения смещения, желательно, чтобы номинал R3 (если выкусить R2) был равен сопротивлению параллельно включенных R4R5 т. е. грубо 30 кОм, но этим часто пренебрегают, поэтому R3 можете оставить. Это если R1 идя налево (на схеме не видно) по постоянному току развязан. Несоблюдение этого может првести к постоянной составляющей на выходе усилителя, но скорее всего она будет ничтожной. 5. К553УД1А, конечно, гнусная микросхема, но я не готов ответить: можно ли ее менять на любую другую в данной схеме. Неплохо бы посмотреть после замены: нет ли возбуждения на выходе и форму прямоугольных сигналов. 6. Как всегда, советую поставить панельку, чтобы не пришлось перепаивать поганый гетинакс несколько раз. Изменено 8 Мая, 2012 в 22:14 пользователем chugunov Ссылка на комментарий Поделиться на другие сайты Поделиться
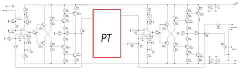
Datagor Опубликовано 9 Мая, 2012 в 03:58 Жалоба Поделиться Опубликовано 9 Мая, 2012 в 03:58 Оригинальная схемка это что? Вега кака-то? Ссылка на комментарий Поделиться на другие сайты Поделиться
Dimonos Опубликовано 9 Мая, 2012 в 11:41 Жалоба Поделиться Опубликовано 9 Мая, 2012 в 11:41 (изменено) Если я правильно посмотрел цоколевку 553УД1А, то вроде все просто: 5 нога у нее вход + 4-вход - 10-выход Т.е включение неинвертирующее. Ну и похоже в этой схеме включения питание плавающее (динамически меняющееся)( если не так,не важно). ООС на 553УД1А заведена откуда то справа из за горизонта (R4;R5), тоже не суть. R1 и R2 делитель напряжения на входеУМ и практически на работу каскада не влияет. R3 задает входное сопротивление 1-го каскада по постоянке и вместе с R2 по переменке. Тоже можно менять в широких пределах. R1=1ком последовательно проигнорируем. Короче без C1 можно ничего и не менять. Все должно и так работать. Вопрос как поведет себя 5534? Ноги для балансировки у нее есть, и можно выставить 0 на выходе. Коррекции нет, но это тоже вопрос решаемый. Нужен ли делитель на входе решать Вам. Я бы убрал R2 совсем( просто лишняя деталь). Оставил бы R1=1ком и R3=(20-50ком). Тогда входное сопротивление УМ (ориентировочно) было бы равно R2+R1. А потом надо смотреть на поведение 5534. Изменено 9 Мая, 2012 в 11:42 пользователем dimonos Ссылка на комментарий Поделиться на другие сайты Поделиться
Гость konstantin14 Опубликовано 9 Мая, 2012 в 14:38 Жалоба Поделиться Опубликовано 9 Мая, 2012 в 14:38 chugunov, спасибо, замечания приняты. С1 закорочен, старые цепи коррекции удалены, NE 5534 выбрана из-за возможности балансировки "0". Панелька установлена! Datagor, это УМ активной акустики Эстонии 009. dimonos спасибо! Цепь коррекции есть. У всех прошу прощения за "укороченный" вариант"! Эстония_ус._мощости.pdf Ссылка на комментарий Поделиться на другие сайты Поделиться
Chugunov Опубликовано 10 Мая, 2012 в 09:28 Жалоба Поделиться Опубликовано 10 Мая, 2012 в 09:28 NE 5534 выбрана из-за возможности балансировки "0". Так значит замена микросхемы из-за постоянного напряжения на выходе?? У 5534 напряжение смещения по входу (типовое) ничтожно, разбаланс входных токов - тоже. Так что, если на выходе будет не 0, надо искать в другом месте. Совет проверить прямоугольником усилитель остается в силе. Может быть(?) надо будет ставить емкость коррекции (по datasheet). Замену С1 на перемычку я бы оставил на закуску, и убедился бы, что от источника звука нет постоянного напряжения. Вы беспокоитесь о смещении 5534 (типовое 0,5 мВ), а снаружи смещение (без конденсатора) может быть на порядки выше. Из-за лени я бы поискал микросхему 14 ног с аналогичной разводкой т.к. эту придется приспосабливать. В целом, думаю, звук должен заметно улучшиться, хотя остаются слабые места, например, С8С9 могут быть хреновыми. И обычный совет - убедиться, что все режимы по постоянному току в норме. Желаю успеха, Константин. Ссылка на комментарий Поделиться на другие сайты Поделиться
Гость konstantin14 Опубликовано 10 Мая, 2012 в 11:10 Жалоба Поделиться Опубликовано 10 Мая, 2012 в 11:10 Замена микросхемы еще обусловлена большим быстродействием 5534. С8 и С9 - установлены К73-16. Сигнал поступает с предварительного усилителя, на выходе которого имеется разделительный конденсатор. Кроме того, удалены цепочки защиты -VD 10,13,23,24, VT 11,12, R19,20. А по звуку - Барк, Одиссей, Агеевский, Никитинский - нервно курят в сторонке! :smile: Ссылка на комментарий Поделиться на другие сайты Поделиться
Chugunov Опубликовано 10 Мая, 2012 в 12:48 Жалоба Поделиться Опубликовано 10 Мая, 2012 в 12:48 Замена конденсаторов и удаление цепей защиты вполне могут улучшить звук, но это дело интимное, палка о двух концах, поэтому я не стал их советовать. Улучшение - дело хорошее, но требуется прослушивание всех изменений (хорошо и просматривать на осциллоскопе). Но памятуя о "законе бочки", неплохо бы поработать над акустикой. Ссылка на комментарий Поделиться на другие сайты Поделиться
Гость konstantin14 Опубликовано 11 Мая, 2012 в 08:51 Жалоба Поделиться Опубликовано 11 Мая, 2012 в 08:51 Еще ток покоя установлен 150 ма. А с акустикой мне гораздо проще! Имеется 3-х полоска на динамиках собственного приготовления! :smile: Ссылка на комментарий Поделиться на другие сайты Поделиться
Гость alchedat Опубликовано 29 Октября, 2013 в 05:15 Жалоба Поделиться Опубликовано 29 Октября, 2013 в 05:15 Добрый день. Наконец-то дошли руки до преда, вернее до его настройки и возникла проблемка. Предусилитель похож на Солнцевский, но назван в честь Наташи (не буд выкладывать схему). Так вот, у меня используются операционники NE5534, которые грешат наличием постоянного напряжения на выходе. Вот и я столкнулся с этой бедой - в трех из 4 операх около -50мв постоянки. в четвертом всего лишь -10мв. которые усиливаются примерно в 3 раза транзисторами в итоге на выходе буфера по 150мв, что довольно много для предусилителя. Цепь коррекции городить не хочу т.к. плата разведена и готова, и переделывать нет никакого желания. Методом тыка обнаружил, что если инвертирующий вход опера соединить с минусом питания через резистор примерно 1,5мОм, то на выходе вырисовывается 0. Но как это отразится на звуке, и можно ли так делать? Ссылка на комментарий Поделиться на другие сайты Поделиться
Yamazaki Опубликовано 29 Октября, 2013 в 06:36 Жалоба Поделиться Опубликовано 29 Октября, 2013 в 06:36 А почему схему не дадите? Причины постоянного напряжения на выходе: 1) напряжение смещения по входу 2) ток смещения по входу. проявляет себя тем сильнее, чем больше номиналы резисторов в обвязке 3) возбуд. мегагерцы детектируются на pn переходах, что даёт постоянку 4) утечка. заметно влияет только в точных измерительных схемах. Осциллографом есть возможность потыкать? Ссылка на комментарий Поделиться на другие сайты Поделиться
Гость alchedat Опубликовано 29 Октября, 2013 в 07:22 Жалоба Поделиться Опубликовано 29 Октября, 2013 в 07:22 (изменено) Да вроде как схема с ресурса-конкурента, или фиг с ней. Но повторюсь - в оригинате OPA134, у меня NE5534 Небольшой возбуд как будто бы есть на частоте в несколько мегагерц Первое фото. Осцил - 0,1v/дел без резистора в 1,5мОм. Второе фото - то же самое, но уже с резистором Как видно постоянки нет, но возбуд остался Изменено 29 Октября, 2013 в 07:25 пользователем alchedat Ссылка на комментарий Поделиться на другие сайты Поделиться
Рекомендуемые сообщения
Для публикации сообщений создайте учётную запись или авторизуйтесь
Вы должны быть пользователем, чтобы оставить комментарий
Создать учетную запись
Зарегистрируйте новую учётную запись в нашем сообществе. Это очень просто!
Регистрация нового пользователяВойти
Уже есть аккаунт? Войти в систему.
Войти