Гость Вега Опубликовано 29 Апреля, 2012 в 16:53 Жалоба Поделиться Опубликовано 29 Апреля, 2012 в 16:53 кто знает помогите собрать анализатор спектра для магнитофона-приставки вега мп 122с Добавлено после раздумий: хотелось бы собрать что то вроде этого-https://www.youtube.com/watch?v=b-FSFKvpDVA Ссылка на комментарий Поделиться на другие сайты Поделиться
Гость spb-nik Опубликовано 29 Апреля, 2012 в 18:14 Жалоба Поделиться Опубликовано 29 Апреля, 2012 в 18:14 В поисковиках забанены? _https://cxema.my1.ru/publ/skhemy_ustrojstv_na_mikrokontrollerakh/ustrojstva_na_mk/spektroanalizator_zvuka_pichok/29-1-0-3740 Ссылка на комментарий Поделиться на другие сайты Поделиться
Гость Вега Опубликовано 30 Апреля, 2012 в 03:24 Жалоба Поделиться Опубликовано 30 Апреля, 2012 в 03:24 спасибо огромное Ссылка на комментарий Поделиться на другие сайты Поделиться
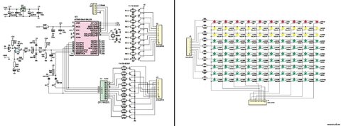
FOLKSDOICH Опубликовано 30 Апреля, 2012 в 08:51 Жалоба Поделиться Опубликовано 30 Апреля, 2012 в 08:51 (изменено) Только ещё здесь посмотри: _https://labkit.ru/html/show_meter?id=439 Где-то даже комплект плат лежит, правда под матрицы. Махнусь не глядя. Изменено 30 Апреля, 2012 в 08:55 пользователем folksdoich Ссылка на комментарий Поделиться на другие сайты Поделиться
alfaed Опубликовано 30 Апреля, 2012 в 11:03 Жалоба Поделиться Опубликовано 30 Апреля, 2012 в 11:03 (изменено) А для этой схемы проще детали достать. :smile: cxema.at.ua/publ/10_ti_polosnyj_svetodiodnyj_analizator_spektra Изменено 30 Апреля, 2012 в 11:05 пользователем alfaed Ссылка на комментарий Поделиться на другие сайты Поделиться
Рекомендуемые сообщения
Для публикации сообщений создайте учётную запись или авторизуйтесь
Вы должны быть пользователем, чтобы оставить комментарий
Создать учетную запись
Зарегистрируйте новую учётную запись в нашем сообществе. Это очень просто!
Регистрация нового пользователяВойти
Уже есть аккаунт? Войти в систему.
Войти