Гость d270523 Опубликовано 28 Апреля, 2012 в 06:44 Жалоба Поделиться Опубликовано 28 Апреля, 2012 в 06:44 Здравствуйте. Помогите пожалуйста определиться, какая из двух схем УНЧ достойна большего внимания? Ссылка на комментарий Поделиться на другие сайты Поделиться
metrolog Опубликовано 28 Апреля, 2012 в 06:50 Жалоба Поделиться Опубликовано 28 Апреля, 2012 в 06:50 (изменено) Схемы практически равнозначны. Это блоки УМ от комплексов типа Веги-115, 117 и их многочисленных клонов. Изменено 28 Апреля, 2012 в 06:52 пользователем metrolog Ссылка на комментарий Поделиться на другие сайты Поделиться
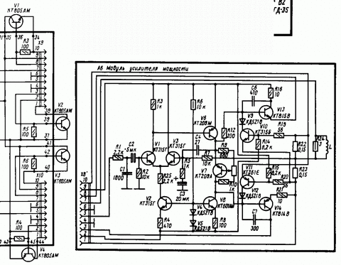
Гость d270523 Опубликовано 28 Апреля, 2012 в 07:14 Жалоба Поделиться Опубликовано 28 Апреля, 2012 в 07:14 Схемы практически равнозначны. Это блоки УМ от комплексов типа Веги-115, 117 и их многочисленных клонов.Спасибо, metrolog! Да, это схемы со старых промышленных аппаратов. Один из них будет реанимирован. Нужно только определиться - какому аппарату отдать предпочтение. Я умышленно не называл марки аппаратов, чтобы не возникало предубеждений на основании названий. Меня смущает наличие во второй схеме конденсаторов С3 (4700 пф), C4 (0.1 μF) и C7 (20.0 μF). Плохо представляю их задачи. Но эта схема немножко мощнее первой и сам аппарат более совершенный. Первая схема не содержит упомянутых конденсаторов, она построена немного не так, как вторая, но имеет свои непонятности, а именно: фильтр R1C1 на входе и относительно большие емкости С6, С7, у предоконечных транзисторов. Что настараживает. Вот такие сомнения, затрудняющие выбор. Ссылка на комментарий Поделиться на другие сайты Поделиться
metrolog Опубликовано 28 Апреля, 2012 в 07:36 Жалоба Поделиться Опубликовано 28 Апреля, 2012 в 07:36 (изменено) Меня смущает наличие во второй схеме конденсаторов С3 (4700 пф), C4 (0.1 μF) и C7 (20.0 μF). Плохо представляю их задачи. Первая схема не содержит упомянутых конденсаторов, она построена немного не так, как вторая, но имеет свои непонятности, а именно: фильтр R1C1 на входе и относительно большие емкости С6, С7, у предоконечных транзисторов. Что настараживает. Вот такие сомнения, затрудняющие выбор. По первой схеме: R1C1 - ФНЧ, срезает высокие частоты далеко выходящие за рабочий диапазон частот УМ, полезная функция. С6, С7 совсем не большие (для звуковых частот). Если смущает можно попробовать уменьшить их до 100 пФ, без них нельзя, чревато возбудом. Слушал такой усилитель на заре своего радиолюбительства, звук с S-90 очень радовал. Этой схеме я бы отдал предпочтение за то, что она более проработана в схемотехническом плане. По второй схеме: С4, С7 - фильтры питания. Номинал С4 указан скорее всего неверно. Цепь С3R7 повышает устойчивость УМ на ВЧ, АЧХ в рабочем диапазоне частот заваливать не должна. Изменено 28 Апреля, 2012 в 07:43 пользователем metrolog Ссылка на комментарий Поделиться на другие сайты Поделиться
Гость d270523 Опубликовано 28 Апреля, 2012 в 08:12 Жалоба Поделиться Опубликовано 28 Апреля, 2012 в 08:12 Большое спасибо за разъяснения! Выбор сделан - первая схема. Первая схема - Вега 108, вторая - Одисей 002. И еще, если Вас не затруднит, подскажите, какое назначение конденсатора С3 (20,0 μF) в первой схеме или С5 (50,0 μF) во второй схеме. Ссылка на комментарий Поделиться на другие сайты Поделиться
metrolog Опубликовано 28 Апреля, 2012 в 08:20 Жалоба Поделиться Опубликовано 28 Апреля, 2012 в 08:20 (изменено) И еще, если Вас не затруднит, подскажите, какое назначение конденсатора С3 (20,0 μF) в первой схеме или С5 (50,0 μF) во второй схеме. Совместно с резисторами R5, R7 (R12, R11) эти конденсаторы образуют цепь ООС по переменному напряжению, от них зависит усиление. P.S. Быстро Вы сделали выбор! А как же сравнительное прослушивание, раз уж обе схемы в наличии? Изменено 28 Апреля, 2012 в 08:37 пользователем metrolog Ссылка на комментарий Поделиться на другие сайты Поделиться
Гость d270523 Опубликовано 28 Апреля, 2012 в 13:25 Жалоба Поделиться Опубликовано 28 Апреля, 2012 в 13:25 Совместно с резисторами R5, R7 (R12, R11) эти конденсаторы образуют цепь ООС по переменному напряжению, от них зависит усиление.P.S. Быстро Вы сделали выбор! А как же сравнительное прослушивание, раз уж обе схемы в наличии? Хмм.. :smile: Вообще-то я не аудиофил. Мне для компьютера много параметров не нужно. Я человек простой, - слушаю mp3, изредка flac. Мне не столько параметры нужны, сколько чтобы схема была хорошая и понятная. Зачем использовать менее совершенную схемотехнику, если есть схемотехника получше? :smile: Вот доведу до ума Вегу 108 и пусть радует своей работой. А остальное в гараж... Огороды нужно засадить, и других дел много, - не до сравнивания сейчас.Большое спасибо Вам еще раз. Вы мне очень помогли. Ссылка на комментарий Поделиться на другие сайты Поделиться
metrolog Опубликовано 28 Апреля, 2012 в 15:22 Жалоба Поделиться Опубликовано 28 Апреля, 2012 в 15:22 (изменено) Хмм.. :smile: Вообще-то я не аудиофил. Мне для компьютера много параметров не нужно. Вот доведу до ума Вегу 108 и пусть радует своей работой. А остальное в гараж... Огороды нужно засадить, и других дел много, - не до сравнивания сейчас.Большое спасибо Вам еще раз. Вы мне очень помогли. Всегда пожалуйста. Дело, как говориться, хозяйское :smile: Удачи с огородом :smile: Изменено 28 Апреля, 2012 в 16:28 пользователем metrolog Ссылка на комментарий Поделиться на другие сайты Поделиться
Рекомендуемые сообщения
Для публикации сообщений создайте учётную запись или авторизуйтесь
Вы должны быть пользователем, чтобы оставить комментарий
Создать учетную запись
Зарегистрируйте новую учётную запись в нашем сообществе. Это очень просто!
Регистрация нового пользователяВойти
Уже есть аккаунт? Войти в систему.
Войти