dimamukhin Опубликовано 26 Апреля, 2012 в 10:24 Жалоба Поделиться Опубликовано 26 Апреля, 2012 в 10:24 Хочу попросить совет по методике измерения переменного напряжения. Поставлена такая задача. Есть переменное напряжение величиной от 3 до 100 В. Форма сигнала меандр. Заполнение 50 Гц. Период меандра 120-160 мс. Нужно создать схему , которая не смотря на входное напряжение на выходе выдает 3В постоянного напряжения. Схема нужна для точного измерения периода меандра. Дальше все микроконтроллер будет считать через оптопару. Если не правильно выразился, то прикладываю рисунок : Ссылка на комментарий Поделиться на другие сайты Поделиться
Yamazaki Опубликовано 26 Апреля, 2012 в 12:11 Жалоба Поделиться Опубликовано 26 Апреля, 2012 в 12:11 После диодного моста меандр превратится в постоянку, мерить будет нечего. Хватит и одного диода. Потом вешаем на это дело генератор тока, а на него - оптопару. Должно работать, но нужно ещё подумать, как сделать генератор тока, работоспособный в диапазоне от 100 до 3в, учитывая, что светодиоду нужно минимум 1.7в (красному) Добавлено после раздумий: Или мб сделать проще - вход на полевике логического уровня, и ограничить входное напряжение стабилитроном? Мне этот вариант больше нравится. Ссылка на комментарий Поделиться на другие сайты Поделиться
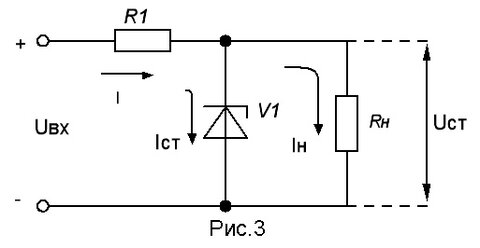
Elektrik Опубликовано 26 Апреля, 2012 в 12:22 Жалоба Поделиться Опубликовано 26 Апреля, 2012 в 12:22 Есть переменное напряжение величиной от 3 до 100 В. Форма сигнала меандр. Заполнение 50 Гц. Период меандра 120-160 мс.Нужно создать схему , которая не смотря на входное напряжение на выходе выдает 3В постоянного напряжения. Схема нужна для точного измерения периода меандра. Дальше все микроконтроллер будет считать через оптопару. Я думаю на выходе нужна не постоянка, а тот же меандр, только с ограничением амплитуды до 3 Вольт. Тогда простейший параметрический стабилизатор. Ссылка на комментарий Поделиться на другие сайты Поделиться
Yamazaki Опубликовано 26 Апреля, 2012 в 12:42 Жалоба Поделиться Опубликовано 26 Апреля, 2012 в 12:42 Симулятор показывает нормальную работу схемы с транзистором irl510, стабилитроном на 2.4в и сопротивлением на входе 100к. Добавлено после раздумий: Ссылка на комментарий Поделиться на другие сайты Поделиться
Elektrik Опубликовано 26 Апреля, 2012 в 12:43 Жалоба Поделиться Опубликовано 26 Апреля, 2012 в 12:43 Симулятор показывает нормальную работу схемы с транзистором irl510, стабилитроном на 2.4в и сопротивлением на входе 100к. А транзистор зачем? Он нужен в стабилизаторе напряжения, когда у простейшего мощности не хватает. Ссылка на комментарий Поделиться на другие сайты Поделиться
Yamazaki Опубликовано 26 Апреля, 2012 в 12:52 Жалоба Поделиться Опубликовано 26 Апреля, 2012 в 12:52 Мы же не знаем, какая чувствительность у того прибора, который dimamukhin подключит к этому меандру. 3в не для всякого прибора достаточно, а тут верняк) Кроме того, на входе резистор 100к, если после него прибор с низким входным сопротивлением, без транзистора всё это точно не заработает. Можно уменьшить резистор до 10к, но тогда он будет заметно греться при 100в, это можно считать неким компромиссынм вариантом. Ссылка на комментарий Поделиться на другие сайты Поделиться
dimamukhin Опубликовано 26 Апреля, 2012 в 14:06 Автор Жалоба Поделиться Опубликовано 26 Апреля, 2012 в 14:06 Всем огромное спасибо за помощь. На выходе мне меандр не нужен. Мне нужно время одного периода. Т.е время от того как светодиод загорится, потухнет и снова загорится! yamazaki - схема ваша мне понравилась. Единственный вопрос - напряжение будет сниматься с рельс железной дороги. Помехи и мусор будет там страшный. Полевик там статику не найдет ? По поводу резистора - измерения будут длиться максимум 2-3 минуты. Это будет портативный прибор. Ссылка на комментарий Поделиться на другие сайты Поделиться
Elektrik Опубликовано 26 Апреля, 2012 в 14:33 Жалоба Поделиться Опубликовано 26 Апреля, 2012 в 14:33 (изменено) Мы же не знаем, какая чувствительность у того прибора, который dimamukhin подключит к этому меандру. 3в не для всякого прибора достаточно, а тут верняк) Кроме того, на входе резистор 100к, если после него прибор с низким входным сопротивлением, без транзистора всё это точно не заработает.Можно уменьшить резистор до 10к, но тогда он будет заметно греться при 100в, это можно считать неким компромиссынм вариантом. Вот со схемой понятней, только вопрос был как получить меандр с ограниченной амплитудой, а Вы дополнили ее схемой управления оптопарой. Я со слов неправильно понял, что имеется ввиду под "дополнить транзистором". Резистор лучше 10к. мощность получается 1 Вт, если взять на 2 Вт, то большой запас будет. 100к будет долго заряжать емкость затвора, и измерения могут быть некорректными, хотя конечно надо считать. Изменено 26 Апреля, 2012 в 14:34 пользователем elektrik Ссылка на комментарий Поделиться на другие сайты Поделиться
Yamazaki Опубликовано 26 Апреля, 2012 в 17:50 Жалоба Поделиться Опубликовано 26 Апреля, 2012 в 17:50 elektrik, да, со 100к фронты немного заваливает, хотя терпимо. Можно и так, и так. Я думал, что может быть речь идет о не слишком мощном сигнале, но раз это железная дорога, лишний ватт рассеяного тепла никакой роли не играет. dimamukhin полевик защищен от статики стабилитроном на входе, по идее он в безопасности. Светодиод я пририсовал скорее от балды, конечно туда можно подключить что вам угодно. Ссылка на комментарий Поделиться на другие сайты Поделиться
Рекомендуемые сообщения
Для публикации сообщений создайте учётную запись или авторизуйтесь
Вы должны быть пользователем, чтобы оставить комментарий
Создать учетную запись
Зарегистрируйте новую учётную запись в нашем сообществе. Это очень просто!
Регистрация нового пользователяВойти
Уже есть аккаунт? Войти в систему.
Войти