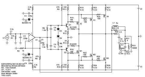
Гость vesljar Опубликовано 18 Апреля, 2012 в 21:30 Жалоба Поделиться Опубликовано 18 Апреля, 2012 в 21:30 День добрий. Есть проблема! нужен усилитель мощьности с выходним напряжением 220-440в мощьностю 200вт рабочий диапазон частот от 30-1000 Гц для роботи с катушкой индуктивности толи 2 толи 4 ома там ещо нерозобрались В исходних материалах (тех. документация за 84 год) речь ишла за ламповий УНЧ на 4 ГУ-50 вопрос такой можно ли использовать простие схеми УНЧ по типу _https://forum.datagor.ru/index.php?showtopic=7712 или _ https://forum.datagor.ru/index.php?showtopic=7216 только мне нужно наверно отдельно питать схему пред каскада например ±25в а вихлоп уже ±120в тогда возникает вопрос а какие МОСФети использовать? подскажите кто может.. очень нужно Ссылка на комментарий Поделиться на другие сайты Поделиться
Гость victors Опубликовано 19 Апреля, 2012 в 06:21 Жалоба Поделиться Опубликовано 19 Апреля, 2012 в 06:21 Антон, Можно использовать пару IRF640 IRF9640. E этих ПТ Uси=200В. Ток стока - 18А макс. То есть в плечо нужно ставить как минимум пару с резисторами в цепях затворов и истоков. Это не абсолютно комплементарная пара (сравни даташиты), но в твоей задаче о высококачественном усилении звука речи не идёт. :-) Ссылка на комментарий Поделиться на другие сайты Поделиться
Гость vesljar Опубликовано 19 Апреля, 2012 в 21:13 Жалоба Поделиться Опубликовано 19 Апреля, 2012 в 21:13 а не маловати будут ли?? я думал надо с запасом вольт на 500 ставить Ссылка на комментарий Поделиться на другие сайты Поделиться
Гость grechkadm Опубликовано 20 Апреля, 2012 в 04:59 Жалоба Поделиться Опубликовано 20 Апреля, 2012 в 04:59 простой усилитель необходимой мощности (200 Вт) и повышаюший выходной трансформатор от транзисторных трансляционных усилителей Ссылка на комментарий Поделиться на другие сайты Поделиться
Гость victors Опубликовано 20 Апреля, 2012 в 05:56 Жалоба Поделиться Опубликовано 20 Апреля, 2012 в 05:56 а не маловати будут ли?? я думал надо с запасом вольт на 500 ставить Если питание 120 вольт в плечо, то запаса в 80 вольт хватит. (Uси=200В). Лучше в параллель не два, а три транзистора ставить, чтобы ток и тепловыделение разделить, это же поможет более толстые провода (дорожки ПП) без труда к транзисторам подводить. Сначала, на макете, собери схему с одной парой транзисторов (по твоей ссылке), питание сделай раздельным, а нагрузку возьми 40 ОМ или больше, чтобы снизить ток. Проверь, как работает усилитель и сможешь ли его сбалансировать. Мне приходилось ПТ подирать в пары, строя графики Uзи - Iс, хотя бы по 3 - 5 точкам - 2, 3, 4, 5, 6 вольт.Если всё нормально, ставь вторую пару транзисторов и снижай нагрузку до 10 - 20 Ом. Проверяй. Если работает - ставь нагрузку 4 Ом и смотри, как греется. Тут нужно решать - ставить третью пару или рискнуть. Ссылка на комментарий Поделиться на другие сайты Поделиться
Гость vesljar Опубликовано 20 Апреля, 2012 в 21:09 Жалоба Поделиться Опубликовано 20 Апреля, 2012 в 21:09 благодарю за дельние совети буду пробывать. по поводу транса.. вообще не вариант... схему в начале я кинул как орентир того что я думаю собирать .. вчера порился в закрамах и нашол печатку под вот ети схеми... думаю для макета покатит Ссылка на комментарий Поделиться на другие сайты Поделиться
Гость grechkadm Опубликовано 21 Апреля, 2012 в 10:15 Жалоба Поделиться Опубликовано 21 Апреля, 2012 в 10:15 по поводу транса.. вообще не вариант... аргументы, пожалуйста, исходя из постановки вопроса (ТЗ) подскажите, что вы собираете? C уважением, Гречка Д Ссылка на комментарий Поделиться на другие сайты Поделиться
Гость vesljar Опубликовано 21 Апреля, 2012 в 21:01 Жалоба Поделиться Опубликовано 21 Апреля, 2012 в 21:01 собирается установка для моделирования процеса резанья на токарних станках. почему не вариант .... ибо его надо намотать причом правельно... а в моих условиях ето неполучится. да и финансирования маловато... Ссылка на комментарий Поделиться на другие сайты Поделиться
Гость grechkadm Опубликовано 22 Апреля, 2012 в 04:08 Жалоба Поделиться Опубликовано 22 Апреля, 2012 в 04:08 управление катушкой индуктивности имеет свои особенности. Я предложил взять самый простой усилитель и подключить на выход повышающий трансформатор для согласования. Чтобы не мотать, для примера, можно попробовать обычный сетевой 220-20в наоборот. Ссылка на комментарий Поделиться на другие сайты Поделиться
Гость vesljar Опубликовано 22 Апреля, 2012 в 08:16 Жалоба Поделиться Опубликовано 22 Апреля, 2012 в 08:16 тобиш нагрузить мостовую схему ТДА7293 на транс 20-220 в ..ууу тогда как вариант.. а интиресно транс с упса подойдет ли..? Ссылка на комментарий Поделиться на другие сайты Поделиться
Гость grechkadm Опубликовано 23 Апреля, 2012 в 05:03 Жалоба Поделиться Опубликовано 23 Апреля, 2012 в 05:03 Внимательно разберись с сигналами управления - что будет усиливаться. В данном случае усилитель это звено устройства автоматики. Может нужно ключевое управление соленоидом? Например: развязывающий трансформатор 200 Вт 220-220В, выпрямитель и ключ на полевиках А это уже другая история... Ссылка на комментарий Поделиться на другие сайты Поделиться
Гость vesljar Опубликовано 23 Апреля, 2012 в 08:54 Жалоба Поделиться Опубликовано 23 Апреля, 2012 в 08:54 нет нужен имено усилитель которий будет розкачивать частоту от 30-1000 Гц с амплитудой 220-440В Ссылка на комментарий Поделиться на другие сайты Поделиться
Рекомендуемые сообщения
Для публикации сообщений создайте учётную запись или авторизуйтесь
Вы должны быть пользователем, чтобы оставить комментарий
Создать учетную запись
Зарегистрируйте новую учётную запись в нашем сообществе. Это очень просто!
Регистрация нового пользователяВойти
Уже есть аккаунт? Войти в систему.
Войти