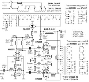
Гость mejika Опубликовано 16 Апреля, 2012 в 14:00 Жалоба Поделиться Опубликовано 16 Апреля, 2012 в 14:00 Доброго времени , вот захотел сделать первый ламповый унч , и как всегда хоть и банально но вопрос с выходным трансом , присмотрел схему на 6п43п ( закреплена )силовик тс270 ,есть у меня 2 тс180 , всётаки мне кажетса будет лучше если перемотать , помогите советом каким проводом мотать ? с учётом мощности выходного каскада, думаю просто послойно 1 2 1 2 1 2 1 так ? Прошу помощи у опытных людей подскажите , буду рад и критике по поводу схемы , еще раз повторюсь я в этом деле новичёк Ссылка на комментарий Поделиться на другие сайты Поделиться
TANk Опубликовано 16 Апреля, 2012 в 19:21 Жалоба Поделиться Опубликовано 16 Апреля, 2012 в 19:21 не обязательно делать такое сложное секционирование. Достаточно будет 1-2-1 на каждой катушке ТС180. Вот пример на чуть меньшем по сечению железе от ТС160. Можно смело мотать и на ТС180 железе. Параметры будут даже лучше. Выходные трансформаторы для двухтактного усилителя. Железо ПЛ 20х40х80 - ТС-160. Первичная обмотка 4000вит 0.35. Вторичная - 100вит 0.7 (6 слоев в параллель). На каждой катушке мотаем 1000 витков 1/4 первичной - 6 слоев. потом 3 слоя по 100 витков вторичной, потом снова 6 слоев 1/4 первичной. Первичные обмотки соединяем перекрестно последовательно (нижняя секция на левой катушке с верхней на правой и наоборот). Вторички все параллельно. Получаем трансформатор с Raa 6.4 k / 4 ома. Можно применить с лампами начиная от 6П14П заканчивая EL34 ГУ29 и т.п с мощностью на аноде до 25-30Вт, током покоя до 100мА и внутренним сопротивлением порядка 800-1200 ом. Ссылка на комментарий Поделиться на другие сайты Поделиться
Гость mejika Опубликовано 16 Апреля, 2012 в 20:09 Жалоба Поделиться Опубликовано 16 Апреля, 2012 в 20:09 Спасибо tank , т.е. эти данные подходят для тс180 ? просто если есть запас в окне может потолще провод ? (логика) . И про секционирование , может я невдосталь начитался но как я понимаю что чем чаще тем больше ширина полос ? так ли ? и еще на 8 Ом подскажите подключение вторички Ссылка на комментарий Поделиться на другие сайты Поделиться
TANk Опубликовано 16 Апреля, 2012 в 20:48 Жалоба Поделиться Опубликовано 16 Апреля, 2012 в 20:48 На 8 Ом количество витков вторички надо увеличить в 1.4 раза. Сделать 140 витков. Если в слой укладывать по 70 витков то на одну секцию вторички надо будет 2 слоя проводом 0.9. На каждой катушке делаем по 2 параллельных секции. Поскольку провод на вторичку используем толще то нам как раз и понадобится более вместительный каркас. Ссылка на комментарий Поделиться на другие сайты Поделиться
Гость mejika Опубликовано 17 Апреля, 2012 в 12:00 Жалоба Поделиться Опубликовано 17 Апреля, 2012 в 12:00 Прошу прощения за мою наивность , т.е. мотать каждую катушку 1-2-1-2-1 ? 3 секции первички по 666 витков и 2 секции вторички по 140 витков ? Ссылка на комментарий Поделиться на другие сайты Поделиться
TANk Опубликовано 17 Апреля, 2012 в 19:20 Жалоба Поделиться Опубликовано 17 Апреля, 2012 в 19:20 Я предлагал сделать 2 секции первички по 1000 и между ними 2 параллельных вторички по 140 витков (всего 4 слоя по 70 витков). Сейчас прикинул. Судя по высоте каркаса и тому что провод придется брать для вторички толстый порядка 1мм толщиной, то чтобы все нормально на каркас влезло между первичками разместить всего одну обмотку 140витков. Это уже надо по месту прикинуть в зависимости от имеющегося провода. Ссылка на комментарий Поделиться на другие сайты Поделиться
Рекомендуемые сообщения
Для публикации сообщений создайте учётную запись или авторизуйтесь
Вы должны быть пользователем, чтобы оставить комментарий
Создать учетную запись
Зарегистрируйте новую учётную запись в нашем сообществе. Это очень просто!
Регистрация нового пользователяВойти
Уже есть аккаунт? Войти в систему.
Войти