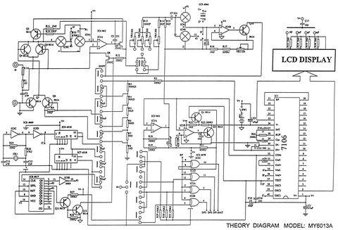
Гость anton27 Опубликовано 3 Марта, 2012 в 11:56 Жалоба Поделиться Опубликовано 3 Марта, 2012 в 11:56 (изменено) Проблема такова парень по глупости подключил заряженный конденсатор к прибору.Теперь показывает без кондера 47-65 μF. Вопрос опознание деталей схема На схеме Q6 Q7 обозначается как 9014,9015 На самой плате обозначение 1AM,2A по даташидам не совпадает Какие это элементы? Изменено 3 Марта, 2012 в 15:57 пользователем anton27 Ссылка на комментарий Поделиться на другие сайты Поделиться
Гость anton27 Опубликовано 3 Марта, 2012 в 15:58 Жалоба Поделиться Опубликовано 3 Марта, 2012 в 15:58 (изменено) Глупость написал сам не проверил схема с похожего прибора большенство подходит но не все?! Проверил начиная от щупа три транзистора пробиты и вот вопрос по смд компонентам не силен.Маркировка 1AM корпус SOT-23 а вот их по номиналам два как я нашел MMBT3904. MMBT3904LT1 и какой ставить :smile: Изменено 3 Марта, 2012 в 16:02 пользователем anton27 Ссылка на комментарий Поделиться на другие сайты Поделиться
Гость anton27 Опубликовано 4 Марта, 2012 в 13:05 Жалоба Поделиться Опубликовано 4 Марта, 2012 в 13:05 проблема найдена это два транзистора и операционный усилитель LM358 теперь все отлично Ссылка на комментарий Поделиться на другие сайты Поделиться
Рекомендуемые сообщения